在简易自动控制电路中,将介绍一些模拟实验电路,利用一些物理现象产生的力、热、声、光、电信号,实现自动控制,以达到某种控制效果。
磁控和热控电路
在磁力自动控制电路中,传感元件是干簧管,当磁铁靠近时,常开触点闭合而接通传感电路,完成位置传感作用。
能不能用干簧管开关直接控制电动机的转与停呢?玩具电动机是常用的动力装置,它能够把电能转换为机械能,可用于小电风扇转动、小离心水泵抽水等执行功能。通常玩具直流电动机工作电压低,虽然在1.5~3V就可以启动,但起动电流较大(1~2A),如果用触点负荷仅为几十毫安的干簧管进行开关控制,将大大缩短其使用寿命。因此,在自动控制电路中,常使用电子开关来控制电动机的工作状态。
三极管电子开关电路
见图1,由开关三极管VT、玩具电动机M、控制开关S、基极限流电阻器R和电源GB组成。VT采用NPN型小功率硅管8050,其集电极最大允许电流ICM可达1.5A,以满足电动机启动电流的要求。M选用工作电压为3V的小型直流电动机,对应电源GB亦为3V 。

VT基极限流电阻器R如何确定呢?根据三极管的电流分配作用,在基极输入一个较弱的电流IB,就可以控制集电极电流IC有较强的变化。假设VT电流放大系数hfe≈250,电动机起动时的集电极电流IC=1.5A,经过计算,为使三极管饱和导通所需的基极电流IB≥(1500mA/250)×2=12mA。在图1电路中,电动机空载时运转电流约为500mA,此时电源(用两节5号电池供电)电压降至2.4V,VT基极—发射极之间电压VBE≈0.9V。根据欧姆定律,VT基极限流电阻器的电阻值R=(2.4-0.9)V/12mA≈0.13kΩ。考虑到VT在IC较大时,hfe要减小,电阻值R还要小一些,实取100Ω。为使电动机更可靠地启动,R甚至可减少到51Ω。在调试电路时,接通控制开关S,电动机应能自行启动,测量VT集电极—发射极之间电压VCE≤0.35V,说明三极管已饱和导通,三极管开关电路工作正常,否则会使VT过热而损坏。
自动灭火的热量自动控制电路
见图2。该电路是将图1中的控制开关S换成双金属复片开关ST,就成为热控电路了。当蜡烛火焰烧烤到双金属复片时,复片趋于伸直状态,使得开关ST接通,电动机启动,带动小风扇叶片旋转,对准蜡烛吹风,自动将火焰熄灭;当双金属片冷却后,开关断开,小电风扇自动停转,完成了自动灭火的程序。

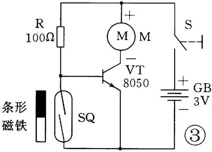
自动停车的磁力自动控制电路
见图3。合上电源开关S,玩具车启动,行驶到接进磁铁时,安装在VT基极与发射极之间的干簧管SQ闭合,将基极偏置电流短路,VT截止,电动机停止转动,保护了电动机及避免大电流放电。

光电控制电路
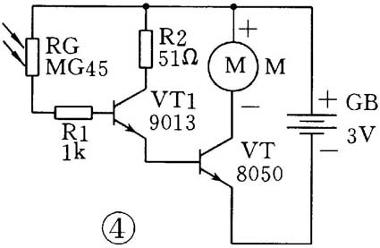
在光电自动控制电路中,可以选用光敏电阻器作为光电传感元件。能否将光敏电阻器直接接入图1控制开关S的位置呢?通常光敏电阻器,例如MG45有光照射时的亮阻2~10kΩ,远大于偏置电阻器R的电阻值,显然不能产生维持VT饱和导通所需的基极电流。因此,需要先用一只三极管进行电流放大,再驱动开关三极管工作。
光电自动控制电路
见图4。VT1和VT2接成类似复合管电路形式,VT1的发射极电流也是VT2的基极电流,R2既是VT1的负载电阻器,又是VT2的基极限流电阻器。因此,当VT1基极输入微弱电流

(0.1mA),可以控制末级VT2较强电流—驱动电动机运转电流(500mA)的变化。VT1选用小功率NPN型硅管9013,hfe≈200。同前计算方法,维持两管同时饱和导通时VT1基极偏置电阻器R1约为3.3kΩ,减去光敏电阻器RG亮阻2kΩ,限流电阻器R1实取1kΩ。光敏传感器也可以采用光敏二极管,使用时要注意极性,光敏二极管的负极接供电电源正极。光敏二极管对控制光线有方向性选择,且灵敏度较高,也不会产生强光照射后的疲劳现象。
水位控制电路
最简单的水位传感元件是采用两个电极,当水面淹没电极时,利用不纯净水的导电性使电极之间导通,但导通电阻值较大,约50kΩ,不能代替光敏电阻器直接驱动如图4所示的光控电路,需要灵敏度更高的控制电路。
水位自动控制电路
见图5。它是在图4电路的基础上,增加了一级前置放大管VT1,在其基极输入很微弱的电流(10μA)就可以使VT1~3皆饱和导通。控制开关S可以用大头针做成两个电极,当其被水淹没而导电时,小电动机会自行运转。C1为旁路电容器,防止感应交流电对控制电路的干扰。VT1选用低噪音、高增益的小功率NPN硅管9014。根据上述电路水位控制的功能,可以设计成一个感知下雨自动关窗、自动收晾晒衣服绳索的自动控制器。

下偏置水自动控制电路
见图6 。图中,将两个电极改接在VT1下偏置,R1仍为上偏置电阻器。当杯内水面低于两个电极时,相当于下偏置开路,R1产生的偏置电流使电动机起动。当水位上升到淹没电极时,两个电极之间被水导通,将R1产生的偏置电流旁路一部分,使VT1~3截止,电动机停转,与图5控制效果恰好相反。
自动报警电路
在简易自动报警器中,常常采用蜂鸣器发声或发光二极管发光产生示警信号。由于小型蜂鸣器驱动电流不大,简化了电路设计。
驱动蜂鸣器的三极管开关电路
见图7。HA为声响指示器,采用低电压(3V)蜂鸣器,其工作电流仅需十几个毫安。VT选用9013,hfe≈200,偏置电阻器R为15kΩ,VT的基极电流IB约0.1mA,集电极电流IC约为10mA,此时VT已经饱和导通,其集电极—发射极之间电压VCE仅为0.05V 。
将图7电路中的控制开关S换成干簧管开关,就改造成磁控声响电路。将图7电路中的R减小到10kΩ,控制开关S换成光敏电阻器或光敏二极管,就成为光控声响电路。这些电路有什么作用呢?是否可以作为保险柜防盗报警,在打开柜门时,由于磁铁离开干簧管或者保险柜外光线照射而报警。必要时可以将磁控元件、光敏元件接到下偏置,以满足反相的控制效果。
湿度音响自动报警电路
见图8。它同图4光控电路相似,由两级三极管组成,只是元器件参数不同。湿度报警电路需要使用对潮湿敏感的元件,可以在绝缘体上固定两个电极,当绝缘体吸水潮湿后,绝缘性能受到破坏而使电极间“漏电”,报警器示警。如果在蜂鸣器两端并联上由发光二极管和限流电阻器串联而成的光指示信号器件,就成为湿度讯响报警电路。当其检测到潮湿信号时,自动发出灯光和音响示警信号。这个电路可以作为下雨、下雾或者婴儿尿布尿湿告知器。如果怕吵醒婴儿,可以去掉蜂鸣器而只保留光指示部分。
继电器自控电路
上述电路有一个共同的特点,利用三极管开关直接驱动负载——玩具电动机、讯响器等,使得自控电路执行机构的选择受到牵制,继电器电路就可以解决上述问题。
继电器电路
见图9。继电器K选用JRC—21F等超小型弱功率电磁继电器,线圈电压选6V,消耗功率0.36W。由于继电器线圈工作电流60mA,比玩具电动机工作电流小,比蜂鸣器、发光二极管工作电流大,因此设计电路时各元件参数介于两者之间,图中参数供参考。在图9继电器电路中,F为衔铁,D为常闭触点,E为常开触点。当控制开关S闭合时,继电器吸合,常开触点F-E接通,发光二极管VD1点亮,R2为限流电阻器。图9控制开关S换成干簧管开关、双金属复片开关,就可以进行磁控和热控自动控制了。继电器触点可以根据需要选用常开或常闭触点。由于继电器触点与传感控制电路隔离,选用JRX型继电器,其触点可以接220V交流电,直接驱动交流电用电器。这些简单的自动控制器有什么用途呢?比如,利用荧(日)光灯中启辉器中的双金属复片,改制成可控温度传感器,制作成简易电子恒温箱、酸奶器,甚至炕头孵化鸡蛋的过热、过冷报警器等。
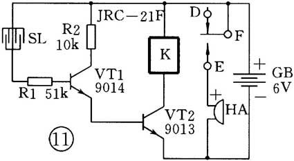
继电器自动控制电路
见图10~12。其中,图10为继电器光控电路,图11为继电器湿度控制电路,图12为继电器压力控制电路。在图12中,BZ为压电陶瓷片,此时作为压力传感器,敲击时能够产生正、负尖顶脉冲电信号,加到控制电路输入端,二极管VD1为负尖顶脉冲电流提供通路。电阻器R1和电容器C1组成充放电电路,以增加正向脉冲宽度,延长继电器吸合的时间。实验时,对压电陶瓷片突然施加或减少压力时,继电器都会吸合、发光二极管点亮一次。如果将图12改装成声控电路,还需要把压电陶瓷片声音传感器产生微弱的电信号进行放大,才能够驱动继电器电路工作。


小水塔自动供水电路
通常利用水塔向用户自来水龙头供水,而水塔则需要利用水泵向贮水箱不断补充水,水多了会溢出,少了供水又会中断,这就需要水位自动控制装置。
小水塔水位自动控制电路
见图13。它由水位传感电极、控制电路、电动机(小离心水泵用)和电源等组成。控制电路由VT1、VT2和继电器K等组成。当水箱缺水时,水面低于B点,水位传感电极A—B、B—C之间由于没有被水淹没而开路,VT1、VT2截止,继电器呈释放状态,继电器衔铁F与常闭触点D接触,接通水泵电源GB2,小离心水泵电动机启动,向贮水箱供水。当水位上升至A点,水位传感电极A—B之间被水淹没,产生偏置电流使得VT1、VT2导通,继电器吸合,常闭触点断开,小离心水泵停止供水。此时,继电器衔铁F与常开触点E接通,电源通过继电器接通的常开触点F-E以及C—B之间能微弱导电的水,继续产生维持VT1、VT2导通所需的偏置电流,继电器吸合。自控电路直到水位降至B点以下时,C—B之间开路,VT1、VT2截止,继电器释放,常闭触点接通,小离心水泵开始供水。如此周而复始,完成水位自动控制作用。

小水塔水位自控电路线路板
见图14,为焊接面,尺寸45mm×33mm。线路板可以用刀刻除敷铜板上双线之间的铜箔。
以上介绍了一组自动控制的模拟实验电路,它虽然很简单,却孕育了自动控制技术的基本原理。希望青少年读者能够掌握自控电路设计思路,举一反三,为你们高层次的小制作、小发明提供电子技术手段,预祝成功!
本文介绍的部分实验电路的讲解,详见本期的附加光盘。
(孙心若)