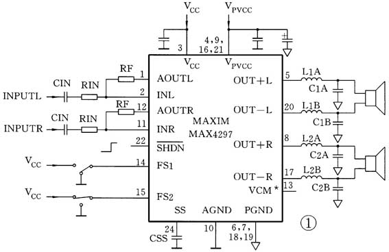
2WD级音频功率放大器MAX4295/4297
MAX4295/4297是一种单声道/立体声、开关型(D级)、可输出连续功率2W(4Ω)的音频功率放大器。主要特点为:单电源2.7V~5.5V供电;在5V供电时,每通道可输出2W功率;效率可达87%(RL=4Ω,PO=2W,MAX4295);THD+N 0.4%(RL=4Ω,fOSC=125kHz);PWM频率可逻辑编程(125kHz、250kHz、500kHz、1MHz);有省电关闭模式,在关闭模式时无“喀啦”声;内部有1A电流限制及过热保护;工作温度范围-40℃~+85℃。
此两器件主要应用于便携式多媒体及通用大功率音频装置。
典型应用电路如图1所示。

查询网址:pdfserv.maxim-ic.com/arpdf/MAX4295-MAX4297.pdf。
多功能、微功耗高端电流检测放大器MAX4373/4374/437 5
MAX4373/4374/4375内部除有高端电流检测放大器外,还集成了输出锁存的比较器及基准电压源。其他特点有:微功耗,工作电流仅60μA;单电源2.7V~28V极宽的工作电压范围;满量程精度可达0.66%;内部已有确定放大器增益电阻,无需外设电阻,增益有+20、+50及+100三种;共模电压范围宽(0~28V),而且与器件电源电压无关;工作温度范围-40℃~+85℃。
MAX4373/4374/4375的差别是MAX4373仅有一个比较器,4374有两个比较器,而MAX4375有四个比较器。
典型应用电路如图3所示。

查询网址:pdferv.maxim-ic.com/arpdf/MAX4373-MAX4375.pdf。
低价位、微功耗话筒前置放大器MAX4465~MAX446 9
MAX4465~MAX4469是一种微功耗运算放大器,特别适用于作话筒前置放大。主要特点为:单电源2.4V~5.5V供电;MAX4467/4468有关闭控制,在关闭模式时几乎不耗电(仅5nA,比电池漏电还小),有极好的电源抑制比(112dB)和共模抑制比(126dB);高增益,AVOL=125dB(RL=100kΩ);输出摆幅接近电源电压;静态电流仅24μA;MAX4465/4467/4469的增益带宽积为200kHz,MAX4466/4468的增益带宽积在AV≥5时为600kHz;工作温度范围40℃~+85℃。
该系列主要应用于话筒前置放大,还应用于助听器、蜂窝电话、语音识别系统等。
典型应用电路如图2所示。

查询网址:pdfserv.maxim-ic.com/arpdf/MAX4465-MAX4469.pdf。
带有基准电压、低电压、微功耗、小尺寸封装比较器MAX9117~MAX912 0
MAX9117~MAX9120是MAX917~MAX920的改进型产品。改进主要在封装上,它采用比SOT23小一半尺寸的SC70封装,但也有5脚SOT23封装的品种。
该系列输出有两种类型:MAX9117/9119为推挽输出,无需外接上拉电阻;MAX9118/9120为开漏输出,需要外接上拉电阻。其他特点有:微功耗(nA级),工作电流为0.75μA;工作电压1.8V~5.5V;输出摆幅可接近电源电压;输入电压范围可超出地电平0.2V;推挽输出型可输出±8mA;工作温度范围-40℃~+85℃。
该器件特别适用于采用两节电池工作的电路,如电池电压监视、超低功耗系统、便携式医疗仪器等。
一种电池电压检测电路如图4所示。当电池低到设定电压时,OUT端输出低电平。由R1、R2设定电池低电压阈值。

查询网址:pdfserv.maxim-ic.com/arpdf/MAX9117-MAX9120.pdf。