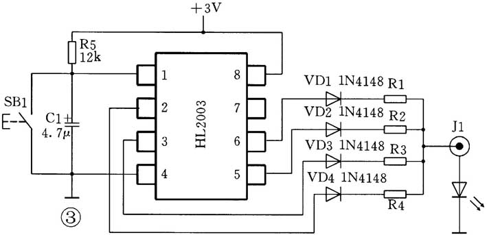
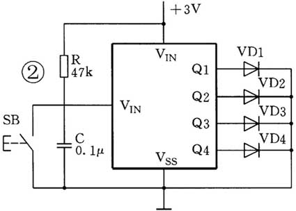
HL2003是一种CMOS八级循环设置调光集成电路,可以循环设置八种状态对应不同的输出。当按键按下去保持2s以上时,输出状态复零。松开后再按开关,即从零状态开始设置。它具有无输出时处于睡眠状态功能,功耗极小。该电路可在低电压下工作,适用于各种调光、调速及玩具的控制。
HL2003的管脚排列见图1,各管脚功能列于表1。表2是它的输出真值表。表3给出了HL2003的主要电气参数。




(宋战校)
HL2003是一种CMOS八级循环设置调光集成电路,可以循环设置八种状态对应不同的输出。当按键按下去保持2s以上时,输出状态复零。松开后再按开关,即从零状态开始设置。它具有无输出时处于睡眠状态功能,功耗极小。该电路可在低电压下工作,适用于各种调光、调速及玩具的控制。
HL2003的管脚排列见图1,各管脚功能列于表1。表2是它的输出真值表。表3给出了HL2003的主要电气参数。




(宋战校)