变频式空调器和洗衣机交流电机驱动专用智能功率模块(SPM),实际上是一种三相DC-AC逆变器。美国快捷半导体公司推出的低功率(≤2kW)SPMs,为变频式家用电器提供了比较理想的智能解决方案。
快捷半导体公司生产的变频空调器及洗衣机电机专用驱动器SPMs,采用30脚陶瓷衬底的封装,顶视尺寸为55mm×57mm,隔离电压可达2500V以上。SPM内置三片高压ICs(U、V和W)和一片低压IC,分别用作驱动三相半桥中三只600V的高端IGBTs和三只低端电流检测IGBTs,其中有些模块还内置温度检测用热敏电阻。IGBTs的额定电流有10A、15A、20A和30A四种,模块的AC线路输入电压范围为100~264V。
SPMs主要有TPAL和FPBL两个系列,型号组成及含义见图1。

例如,型号FPAL15SH60,意指SPM内置有热敏电阻,开关频率典型值为15kHz,IGBTs额定电流/电压为15A/600V。
FPAL/FPBL系列SPMs带有欠电压及短路电流检测及保护,电流保护电平可通过sense-IGBTs发射极外部串联的电阻设定。HVICs和LVIC的电源电压V\(_{CC(H)}\)和V\(_{CC(L)}\)典型值是15V,IGBTs的DC偏置电压(V\(_{PN}\))可达400V。SPMs的输入接口与5VCMOS/LSTTL兼容,用户使用时只需要提供偏置电源和与微处理器的连接。
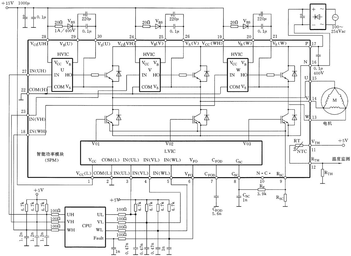
内置NTC热敏电阻的FPAL系列SPMs的内部结构及其典型应用电路见图2。

15V的DC电源电压通过SPM的①、分别施加到LVIC的V\(_{CC}\)及HVICs(U、V、W)的V\(_{CC}\),为ICs提供直流偏置。三个半桥中IGBTs的偏置电源通过和施加(300~400V\(_{DV}\)),该DC偏置电源来自AC线路电压(100~264V)的全波整流和电容滤波输出。输入控制信号通过CPU分别从SPM的及③、④和⑤脚加入(开通门限为0~0.65V)。六路输入上的RC网络用作阻止输入信号产生振荡。三相逆变器输出分别经(U相)、V相)和(W相),驱动外部的AC电机。三片HVICs的V\(_{CC}\)与V\(_{B}\)之间在外部连接的自举二极管V\(_{BS}\),宜选择软恢复和快恢复器件(1A/400V)。
三只低端sense-IGBTs发射极在⑨脚外部连接的电阻R\(_{SC}\)是电流检测元件。⑧脚是短路电流检测输入端,R\(_{F}\)与C\(_{SC}\)组成低通滤波器,时间常数R\(_{F}\)·C\(_{SC}\)应保持3~4μs,并且要求R\(_{F}\)>>30R\(_{SC}\)。⑦脚外部电容C\(_{FOD}\),决定故障输出持续时间t\(_{FO}\)。当选择C\(_{FOD}\)=5.6nF时,t\(_{FO}\)=300μs(典型值)。⑥脚为故障输出端。
上SPM内部的热敏电阻(RT)在TC=25℃下的阻值为50kΩ。当温度升至80℃时,其阻值为6.3kΩ。温度的变化引起流过RT的电流改变,从而导致在外部电阻R\(_{TH}\)上的电压降发生变化,据此可以实现对温度的监测。
编者注:
有关SPM更详细的原厂资料可上网查询:www.fairchildsemi.com/spm。
(李伟 毛元)