微型振动传感器具有体积小、重量轻、价格低、灵敏度高、抗干扰能力强、一致性及互换性好等特点,适用于物体振动检测、地震测量、防盗报警、振动锁、运动控制开关、自动操作开关、风动开关等。本文介绍几种常用的微型振动传感器的特性及应用方法,供读者参考。
1. 主要特性及参数
(1) CLA-2M
CLA-2M是一种采用新型高灵敏度传感薄膜的振动传感器,其主要特性参数为:工作电压1.25~30V;灵敏度>0.1g;频率范围0.5~20Hz;工作温度-30~+60℃;检测方向为二维;外形尺寸9mm×9mm×6mm(不包括引线)。CLA-2M是两端器件,类似普通的开关,它没有专门的控制信号输出端,控制信号一般经串联电阻分压后取得。
(2) TV-1
TV-1是一种全向振动传感器,静态时保持“开”状态,当前、后、左、右、上、下任何一个方向发生振动时,传感器即进入“闭”状态,每振动一次传感器闭合一次。一旦振动停止,传感器又恢复“开”状态。TV-1也是两端器件,主要特性参数为:耐压>220V(AC);闭合电阻<0.5Ω;闭合电流>1A;振动频率1~25Hz;工作温度-30~+70℃;外形尺寸φ10mm×10mm。它不受振动位移方向限制,其灵敏度在各个方向上都是一致的。
(3) XDZ-01
XDZ-01是一种高灵敏度片状振动传感模块,它能直接感测极其微弱的振动信号,经内部电路放大、整形、积分、延时及电平转换后输出一高电平(单稳态输出),保持10s左右自动跳变为低电平。XDZ-01是三端器件:①脚接正电源,②脚为输出端,③脚接地。其主要特性参数为:工作电压2.4~6V;静态电流≤50μA;输出电流≥0.5mA;输出幅度为模块电源电压;输出方式为高电平;输出时间≥10s;工作温度-30~+80℃;外形尺寸φ20mm×2mm;重量约2g。
2. 应用方法
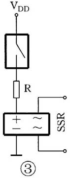
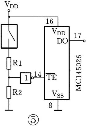
振动传感器类似于一个开关,应用方法非常简单。图1用来驱动LED管发光;图2为驱动光耦合器;图3驱动固态继电器;图4为驱动单向晶闸管;图5用来控制数字编码器MC145026发送数字信息;图6用来触发语音模块输出音频信号;图7为控制电子开关CD4066;图8控制大电流电子开关TWH8778;图9为振动继电器。









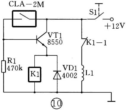
图10是汽车或摩托车防盗报警电路,当主人离车时闭合电源开关S1,电路便处于戒备状态。当有人企图盗车而产生振动时,振动传感器CLA-2M“闭合”,驱动管8550导通,继电器K1吸合,其常闭触点K1-1断开点火线圈L1,车辆不能启动。同时,继电器另一组触点(图中未画出)接通报警电路,可发出声、光报警。

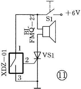
图11是使用XDZ-01制作的声音报警电路,当传感器感测到振动时,其②脚输出高电平,晶闸管VS1导通,自带音源的强力报警器FMQ-27发出响亮的报警声,10s后报警停止。

图12是利用TV-1制作的振动报警电路,HY-9601是集系统复位、传感信号直接输入、控制输出、报警音频信号(警车声)于一体的专用报警IC。当TV-1受振动时,VT1导通,HY-9601的①脚被触发,④脚输出报警信号,经延时后,由VT2驱动扬声器BL发出报警声。调R1、C1可改变传感器灵敏度,调C2可改变开机延时时间,调R3、C3可改变输出延时时间,若在②脚加低电平可使芯片关断。HY-9601的工作电压为2~4.5V,静态电流<3μA,输出驱动电流10mA(典型值)。

(瞿贵荣)