本系统由一台主机和若干台分机构成。每台分机可采集一个监控点的警情信息,各分机通过无线形式与主机实现联络,使整个系统布控点可达255处。各分机对警情检测可分为多种形式,如振动、移动式,人体红外感应式及远距离激光光栅切割式等等。这些分机可以任意分布在被检测的各个布控点上进行不间断监测,每个监控点上发现警情之后,就将本点的地址代码和警情类别代码打成数据包以无线的形式发送出来。所有警情被主机接收后按照3个级别进行处理。可以先输出灯光、警声等报警信息后,再分别拨通预先设置好的3个固定电话、手机或BP机的号码,在电话网上将警情发送出去。每拨通一个电话号码之后,还可分别播放一段10~30s事先录制好的语音信息,将警情报告至单位保卫人员、110报警点或其他相关人员,说明警情和处理要求。
一、 主机工作原理
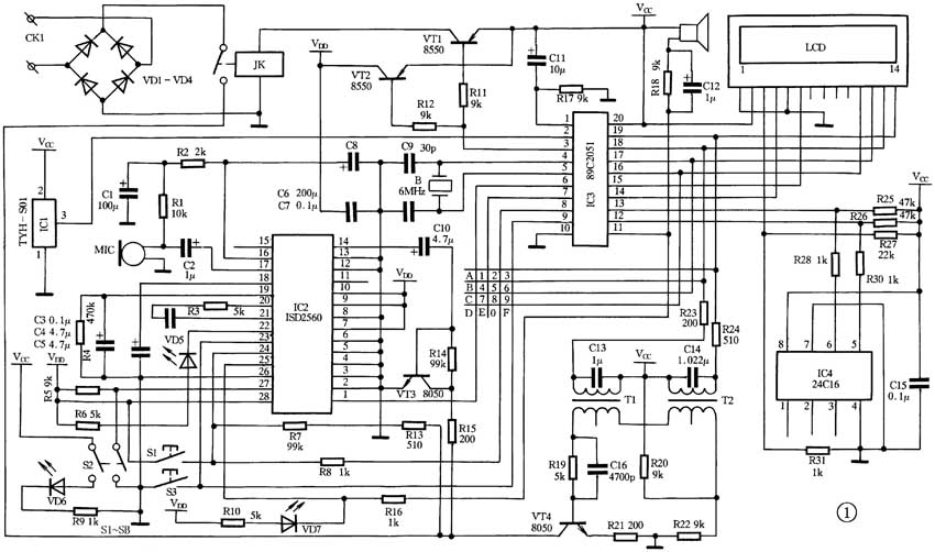
由图1可以看出,主机主要由单片机IC3(AT89C2051)、数字录音芯片IC2(ISD2560)(该芯片pdf格式的资料可到http://www.ee.nuigalway.ie/tech/datasheet/ISD2560.PDF上去查阅或下载)、LCD显示器和储存各种信息用的E2ROM存储器IC4(AT24016)等组成。该电路十分简洁,若除去数字答录音部分,实现电话号码输入、号码储存、警情信息接收处理、双音频拨号信息合成和拨号上网等功能的主控部分,只由33个元件组成,因此故障率低,可靠性好。

在图1中,IC3的P3.2~P3.5和P
1.4~P1.7组成了矩阵键盘,实现命令输入以进行功能选择,实现电话号码输入、录音、放音等控制。输入的电话号码通过P1的口控制LCD进行写操作,将电话号码和电话组别显示出来,实现人机对话。被输入的号码还通过P1.0和P1.1以I\(_{2}\)C总线协议被写到IC4中,完成号码信息的保存。IC1是超小型无线接收模块TYH-S01,它能接收各监测点分机发射过来的警情信息,并以11位格式输出串行数据信号。当系统进入警情监测状态后,即进入串行口接收优先中断状态,单片机IC3不间断地监测RXD端(P3.0)是否有启动信号。如果IC1未收到警情信号,它的③脚输出端呈高电位,不会触发IC3的接收中断系统;如果有警情信息被接收模块IC1接收,IC1的③脚即呈低电位,此启动信号立刻触发IC3进入中断服务程序,将警情信息全部接收,再返回主程序对数据进行分析处理,根据相应的警情级别进入不同的程序,执行各种操作。或者进行现场报警,或者拨通电话,将警情在网上发布。如果接收到的是三级警情,系统首先从IC4中提取出第一组电话号码,然后使P3.1呈低电位,使VT1导通,从而驱动继电器JK闭合,通过CK1将外线与系统接通。这样,R13作为负载电阻接入电话线路中完成模拟摘机,将本系统联入电话网络中,然后在IC3的控制下,将第一组号码的各位以双音频发号规范在片内合成,从P1.6和P1.7输出。其中低频组通过P1.6输出,驱动谐振变压器T1。T1的初级接有电容器C13,由于其谐振的作用,T1次级输出的信号接近正弦波;同时高频组从P1.7输出,驱动T2使其次级产生高频组正弦信号。T1和T2的次级串联在一起,实现了高频组和低频组的混频,合成双音频信号。双音频信号通过R19和C16经VT14放大后送上电话网,实现电话号码的主叫拨出。由于P3.1呈低电位,所以VT2导通,从而建立V\(_{D}\)\(_{D}\),这样IC2即得电工作。同时IC3通过P3.2、P3.4、P3.5输出控制字,首先使IC2进入语音段选状态,然后通过P3.5输出段选脉冲,选择合适的语段,再改变控制字,使IC2进入放音状态。这样被选中的语音段就通过电话线播发出去,被用户收到。至此第一组电话号码和第一组语音信息发送至第一接警用户。然后使P3.1呈高电位,VT1及VT2截止,继电器JK释放,整个系统与电话路线路断开,实现了第一次呼叫后的挂机操作。挂机后延时300ms再次摘机,IC3通过P1.0和P1.1从IC4中将第二组电话号码取出,通过P1.6和P1.7合成双音频信号将第二组电话号码拨出,并将第二组语音信息送至电话网络中。从IC2的送出的音频信号较弱,需要放大才能满足电话网的通话要求。所以,将的音频信号通过C10送至VT3进行放大。被放大了的音频信号再通过R15送到电话线路中。此后,以同样的方式完成第二次挂机和第三组号码以及第三段语音信息的输出。
下期,笔者为您介绍此系统分机的工作原理、主机的使用方法,以及元件参数方面的内容。
(滕世进 宋健)