新型的适用于PAL/NTSC制TV信号处理器大规模集成电路TB1240AN,在TB1231/TB1238芯片基础上又增加了许多功能。因为TB1240AN能解调PAL/NTSC的PIF信号、SIF信号以及CVBS全电视信号,使其转变成R、G、B基色信号和音频信号。若与SECAM制处理器TA1275AZ配合,该芯片也适用于多制式彩电系统。TB1240AN有一个模拟的R、G、B接口,所以很容易用该芯片组成画中画(PIP)彩电。由于TB1240AN采用了先进的CMOS工艺,使复杂的外围电路被最大程度地集成在IC内部,它把以往采用分立元件的色带通滤波器、色度陷波器、亮度延迟、伴音鉴频、梳状滤波器(1H基带延时线)、准分离电路、枕形校正电路都集成于集成电路之中。使由它组成的单片彩电的外围元件大幅度减少,使整机的性能/价格比大幅度提高。TB1240AN还有一个I\(^{2}\)C总线接口,通过SDA、SCL线来完成各种不同的控制。因而由TB1240AN组成的单片彩色电视机外围电路简洁,尤其是可调元件极少,除了行输出变压器上的几个可调电阻为可调元件外,其他元件基本上不用手动调试,全部采用I\(^{2}\)C总线进行调试控制,整机的PIF、SIF、Y通道及行、场同步处理电路,在生产时由工位上的计算机通过I2C总线自动调整,这一方面大大地简化了整机的调试过程,而且调试的效果与速度也大大提高,便于批量生产,同时使整机的可靠性更高,这对新产品的开发、生产和维修极为方便。由于采用TB1240AN集成电路组成的单片彩电具有上述的优点,因而近年来在国产大、中屏幕彩电中得到广泛的应用,如康佳的P2592N镜面彩电、创维的5T10机芯系列彩电等。
一、TB1240AN内电路

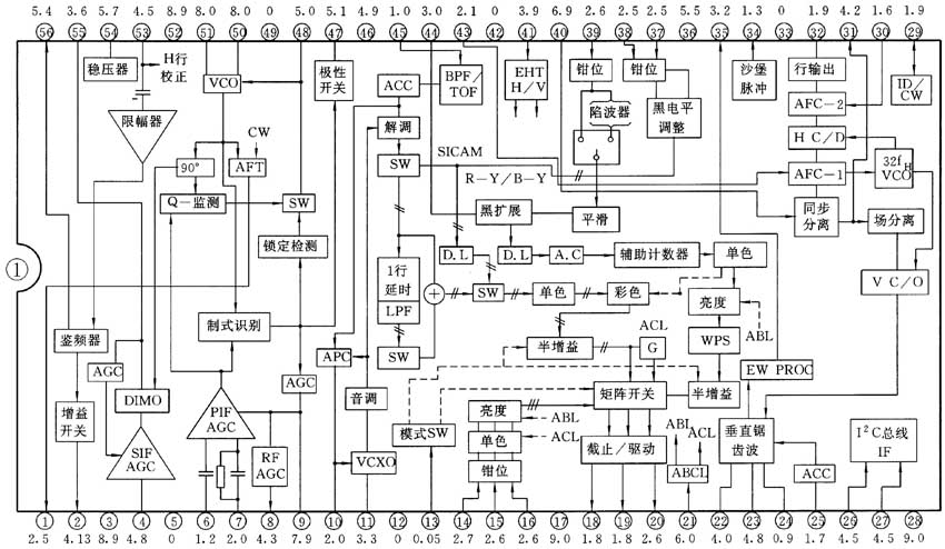
TB1240AN的内电路方框图如图1所示。
图中的电路大体上可分为:伴音中频部分、图像中频部分、亮度信号处理部分、色度信号处理部分、偏转、几何失真校正部分以及RGB输入接口等单元电路。
TV信号在TB1240AN块内处理的过程大致如下:SIF中频信号从TB1240AN④脚输入,经伴音中频放大(SIF、AGC)和中频检波(DIMO)解调成第二伴音中频,从输出。第二伴音中频信号由外接带通滤波器滤波,除去图像信号成分后,再从输入,经鉴频器(FMDET)得到音频信号,从②脚输出。图像中频信号从⑥、⑦脚输入,经图像中频放大(PIF、AGC)和中频检波(IF·DET)解调成中频信号从输出,经伴音载频陷波电路除去伴音中频信号后从输入彩色信号、从输入亮度信号,并从输入复合同步信号。进入块内的亮度信号或复合视频信号,先通过消隐脉冲钳位,若是复合视频信号还要进行色副载波陷波,再经消隐脉冲平滑电路平滑、黑电平延伸、亮度延迟和清晰度控制,再到副亮度控制、亮度控制、白电平峰值限制,最后到矩阵开关电路和色差信号一起生成RGB基色信号输出。色度信号或复合视频信号从输入,经过带通滤波器滤波(BPF/TOF,输入色度信号时选TOF滤波模式,输入复合视频信号时选BPF带通滤波模式)、色度增益控制及彩色解调,再经过一行延迟线(1HDL)和低通滤波器(LPF)分解出色差信号,经过彩色控制,最后到矩阵开关电路和亮度信号一起生成RGB基色信号,从TB1240AN输出。
亮度信号或复合视频信号从TB1240AN输入,经同步分离产生复合同步信号从输出给微处理器,作为是否已接收到电视信号的判断依据。复合同步信号通过锁相环路(AFC-1)对32f\(_{H}\)VCO进行同步,也就是对行激励输出信号同步。输入的行反馈信号,通过锁相环路(AFC-2),对行激励输出信号的相位进行调整,使光栅的几何中心与屏幕中心重合。另外,复合同步信号经过场同步分离电路得到场同步信号f\(_{V}\),用f\(_{V}\)控制场分频电路,从32f\(_{H}\)信号中分频产生场频激励脉冲经场锯齿波形成电路,形成场锯齿波激励信号从TB1240AN输出。由场锯齿波通过抛物波形成电路产生的场频抛物波电压从TB1240AN输出给行输出级,对水平枕形失真及梯形失真进行校正。场几何失真则通过I\(^{2}\)C总线对场锯齿波生成电路参数进行调整,通过校正场锯齿波的形状来校正垂直几何失真。
TB1240AN是外接模拟RGB输入端,通过这个接口可以接OSD显示。输入的RGB信号通过钳位电路和亮度调整电路到矩阵开关和内部图像信号合成后一起输出,其中通过模式选择信号Ys/Ym来选择RGB输出的模式。
二、由TB1240AN主芯片组成的康佳P2592N型彩电的电路工作原理
康佳P2592N是采用I2C总线控制的大屏幕纯平彩电,它采用新型的TV处理器TB1240AN为核心芯片,并用微处理器TMP87CK38与其配套,而多制式伴音解码电路采用功能极强的MSP3410,其整机电路组成如图2所示。
图中,射频电视信号通过天线或CATV的同轴电缆传送到U101高频调谐器UV1355,经其射频放大和变频后再由输出电视中频信号,加到预中放VT101,放大后由集电极输出到图像声表面波滤波器Z101(F1036N)和伴音声表面波滤波器Z102(K9351M)。Z101输出的图像中频信号加到TV信号处理器IC101(TB1240AN)⑥、⑦脚;Z102输出的伴音中频信号加到IC101④脚。
伴音信号在TB1240AN内部放大后由输出,然后经VT102射随器缓冲放大,再经过伴音处理板接插件加到多制式伴音处理器IC1001(MSP3410)。伴音信号在IC1001中完成FM解调和丽音(NICAM)解调和解码,再根据用户通过遥控器所发出的指令,经I\(^{2}\)C总线(⑦、⑧脚)控制所需的音频模拟信号,分别从IC1001输出右声道(R)信号、左声道(L)信号和重低音(W)信号,并分别加到VT1001、VT1002和VT1003射随器经缓冲放大后,加到音频功放电路IC201(TA8256)的④、②、①脚。这左右声道和重低音信号由TA8256内部放大后,分别由⑧、输出R、L、W信号加到电视机右、左两侧扬声器和重低音扬声器。最大输出功率可达到2W×3,音频功放的供电电压为25V,由开关稳压电源提供。伴音功放有两处静音控制功能,它们均由微处理器IC601(TMP87CK38)(L、R静音)和(W静音)输出的高、低电平来控制。当和的高电平分别加到VT201(R声道)、VT205(L声道)和VT203(W重低音)三个晶体管的基极时,VT201、VT205、VT203因基极处于高电平而饱和导通,旁路了进入音频功放TA8256的输入信号,达到静音的目的。
图像中频信号由TB1240AN⑥、⑦脚输入,在TB1240AN内部放大、识别和检波后,由输出复合视频信号,一路经VT301缓冲放大后,加到监视器输出端口V\(_{O}\)\(_{U}\)\(_{T}\)。另一路经VT304、伴音缓冲放大管VT302和伴音陷波电路Z301、Z302,加到电子切换开关电路IC801(TC4053)③脚参与不同信源的切换,再由④脚输出经电容C806送到TV处理器IC101的Y·IN端和的SYNC·IN端。由输入的复合视频信号,经同步分离、行锁相环电路后,从输出行驱动脉冲,从输出复合同步信号,从输出场扫描信号。
由电子切换开关IC801④脚输出的视频信号又经C806返回到IC801,并经和C320耦合进入IC101。在TB1240AN块内的色度信号处理电路处理后从IC101分别输出基色信号R、G、B。同时由微处理器IC601(TMP87CK38)输出的OSD字符的R、G、B信号和消隐信号(Y\(_{M}\))分别由IC601的送入到IC101的和,并与主路信号R、G、B混合后一起输出。三基色信号分别加到显像管尾座板上的视放末级电路(VT501~VT508)中。其中:VT501、VT502和VT503、VT504以及VT505、VT506组成三路共射-共基宽带视频放大器,分别放大RGB基色信号,再加到显像管座的⑧、⑥、。VT508组成关机亮点消除电路,VT507组成显像管静态偏置电路,从而使直流电源电压的波动不会导致显像管工作点发生偏移而使亮度变化。
输入信号AV1/AV2,SVHS切换和TV/AV切换,均由微处理器IC601来完成。IC601⑧、⑨、⑩脚分别输出控制SVHS、AV1/AV2、TV/AV的信号加到IC801的⑩、⑨脚,控制其内部电子开关,实施输入信号的切换。另外,该机还有分量输入端口,即Y、U、V输入端口,而U、V端口的输入信号直接加到IC101。该端口对于收看高质量的DVD光盘上的图像是十分有利的。
由IC101输出的场锯齿波扫描信号加到场输出电路IC401(TA8427K),经内部信号放大和处理后,把场偏转电流加到场偏转线圈。而由IC101输出的行驱动信号,加到行推管VT401,再经行推动变压器T401,激励行输出管VT402工作,并利用行输出变压器T402的行逆程脉冲,经整流滤波产生高、中、低电压,为显像管各极、末级视放和场扫描输出级提供电源。
该机还设置有水平枕校电路,由TB1240AN内的东西枕校处理器输出的场频抛物波信号由输出,经VT403缓冲放大,加到IC404(LM4558)双运算放大器,由其线性放大后输出场抛物波电流,经VT405、VT420组成的电流放大器,把抛物波叠加在行扫描电流上,从而达到水平枕校的目的,而抛物波振幅的大小由I\(^{2}\)C总线控制IC101来调节。
(王锡胜)
编者注:
有关TB1240AN更详细的原厂资料可以上网下载:www.semicon.toshiba.co.jp/solution/tv/docweb123/ja08927.pdf。