一、 填空题(每题5分)
1. 某广播电台发射的无线电波频率为1500kHz,它的波长为_______m。
2. 一只100μF的电解电容器,对1000Hz的音频电流呈现的容抗为___Ω。
3. 超外差式收音机的中频变压器(中周)与电容器组成的是______谐振回路。
4. 通常三极管以截止频率f\(_{β}\)的高低区分高频管和低频管。f\(_{β}\)在______MHz以上的为高频管。
5. 半导体集成电路(IC)按照集成度高低可以划分为:__________________。
6. 晶体三极管的三种工作状态是________、_________和_________。

7. 图1所示的整流滤波电路中:(1)当开关S断开时,电容器C两端的电压是_____。(2)S闭合后,A、B两端的电压是_____。
8. 中波磁性天线线圈常用多股漆包线(例如7股0.07毫米)绕制;短波磁性天线线圈多用镀银铜线绕制,这是为了_____________________。
9. 无变压器功率放大电路有OTL、OCL和BTL等几种电路形式。在同样信号激励下,输出功率最大的是___________电路。

10. 图2是数字电路中最基本的逻辑门电路—或门、与门和非门的电路符号。分别写出每个门输出与输入的关系:
(a)_________;(b)_______________;(c)____________。
二、 是非判断题(每题5分)
1. 三极管的集电极最大允许电流为I\(_{CM}\),使用中如果集电极电流I\(_{C}\)大于I\(_{CM}\),会使电流放大系统β值明显下降。( )
2. 音频放大电路中,输入变压器的作用是升高音频信号电压。 ( )
3. 调频广播比中波调幅广播发送的距离要远得多。( )

4. 图3所示的电源变压器初级线圈并联了一只0.05μF/250V的电容器,从电容器耐压性能上看是安全的。 ( )
三、 分析思考题(每题15分)

1. 请写出图4所示典型单管放大电路中各元件的作用。

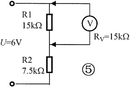
2. 图5所示电路中,用一只内阻为15kΩ的电压表测量R1两端电压,问电压表读数为多少?实际电压又是多少?(答案见下期)
上期试题答案
一、 填空题
1. 220,50。2. 1.5,1.5。3. 1.5,6。4. 25kΩ,±5%;18Ω,±10%;4.7MΩ,±20%。5. 小,小,2。6. 90圈。7. 减小。8. 。9. NPN,高频小功率管;PNP型,低频小功率管;PNP型,低频大功率管;PNP型,开关管。10. 并,串。
二、 选择题
1. A。2. A。3. C。4. B。5. D。
三、 问答题
1. 直流电的方向和大小不随时间而变化;交流电的方向和大小随时间作周期性的变化。2. 1.15V。3. 第一种方案为4只4kΩ电阻并联;第二种方案为510Ω+470Ω+2×10Ω。4. 集电极和发射极电流分别为5mA、5.05mA。