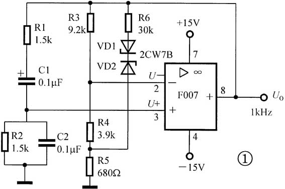
无线电小组的同学们在制作、调试和维修电子电路时,很希望自己能有一台音频信号发生器。音频信号发生器的基本电路就是正弦波振荡器,所以这次活动中,大家采用高增益运算放大器F007组装了1kHz文氏电桥振荡器(图1),在老师的辅导下,同学们进一步了解了运算放大器在振荡电路中的应用,一起分析了文氏电桥振荡器的工作原理。

同学:
今天我们组装的电路虽然并不复杂,可是它的工作原理却弄不明白,您能给我们分析一下吗?
老师:
好。这种电路大家过去没有接触过,对它不熟悉是很自然的。不过不要着急,我们先来复习上次学过的知识。我先问你们,文氏电桥振荡器电路中,运算放大器有没有加负反馈?
同学:
您上次给我们讲过,运算放大器在组成放大电路时,都要引入深度负反馈,也就是把输出信号通过电阻分压电路构成的反馈网络返送到运算放大器的反相输入端,这样,放大电路的电压放大倍数就由反馈网络的参数来决定。在这个电路中,由电阻R3、R4和R5构成了反馈网络,在(R4+R5)两端取得反馈电压。
老师:
不错。那么你说说这个运放的闭环放大倍数是多少呢?
同学:
这是一个同相放大器,它的闭环电压放大倍数是Af=1+R3/(R4+R5),我算出来是3倍。
老师:
你分析得很好。同学们再看看,运算放大器有没有接入正反馈呢?
同学:
从电路图上看,输出电压Uo通过R1、C1串联的支路和R2、C2并联的支路组成分压电路取出正反馈电压,返送到运算放大器的同相输入端,我想应该是正反馈。可是,由电阻、电容串并联组成的正反馈网络是怎么起到正反馈作用的,我就不清楚了。
老师:
由电阻、电容组成的RC串并联网络正是文氏电桥振荡器的核心。这部分电路不仅用来提供正反馈信号,使振荡器产生振荡,还由它决定着振荡器的振荡频率f\(_{0}\),所以称它为RC选频网络。为什么能选频,关键是网络里接入了电容器。谁来说说电容器的容抗X\(_{C}\)与频率f的关系是什么?
同学:
电容器的容抗与频率成反比,也就是X\(_{C}\)=1/(2πfC)。频率很高时,容抗很小;频率很低时,容抗很大。
老师:
对。咱们就先来研究这个RC选频网络(图2)。网络中的电阻R是不变的,当频率很低时,X\(_{C}\)>>R,在RC串联支路上,起作用的是电容C,电阻R可以忽略;在RC并联部分,当频率很低时,电容C的作用可以忽略,起作用的是电阻R,这就可以画出网络的低频等效电路〔图2(b)〕。当频率很高时,X\(_{C}\)<<R,在RC串联部分,电容C的作用可以忽略;在RC并联部分,电阻R的作用可以忽略,又可以画出网络的高频等效电路〔图2(c)〕。可以看出,当网络输入电压U1不变时,频率f很低或很高时,网络的输出电压U2都很小,也就是网络的电压传输系数F=U2/U1都很小。由此可以推断,在频率f由很低向很高的连续变化过程中,总会有某一中间频率f\(_{0}\)使电压传输系数F达到最大,画出电压传输系数F与频率f的关系曲线(图3)就看得更清楚了。由于网络的输出电压U2就是运放的正反馈信号,所以只有频率为f\(_{0}\)的正反馈信号最强,才能使振荡器产生振荡。


同学:
振荡频率f\(_{0}\)是由什么因素确定的呢?网络的电压传输系数F的最大值是多少呢?
老师:
你的问题问到点子上了,振荡频率f\(_{0}\)完全由选频网络的电阻R和电容C决定。根据理论分析,f\(_{0}\)=1/(2πRC),对频率为f\(_{0}\)的信号F =1/3,同时U2与U1同相,这就满足了振荡电路的幅度条件和相位条件,使振荡器起振。对频率f\(_{0}\)的正反馈信号则不能产生振荡。
同学:
我想问您,为什么这种电路叫电桥振荡器呢?
老师:
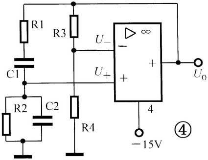
这是因为运算放大器的正反馈网络和负反馈网络相对于运算放大器的输入端和输出端正好组成了一个大家熟悉的四臂电桥的形式。为了能看得更清楚,我再画出文氏电桥振荡器的原理电路(图4),再把它表示成电桥形式(图5),不是就一目了然了吗?

同学:
这回看明白了。还有一个问题,电阻R6和两个反向串联的稳压管VD1、VD2组成的这条支路起什么作用呢?
老师:
这条支路是一室条非线性负反馈电路,它的作用是稳定振荡器的输出电压幅度。由于电路本身的不稳定性,会引起电压放大倍数的不稳定,特别是输出电压U\(_{O}\)幅度太大时,会使输出正弦波形产生失真。当输出电压幅度大于稳压管的击穿电压时,稳压管反向导通,使放大器闭环电压放大倍数下降,达到稳幅的目的。稳幅电路也可以采用负温度系数的热敏电阻取代负反馈网络中的固定电阻R3(图6),大家可以自己分析。也可以由两个反并联的二极管组成稳幅电路(图7)。当然还有其他形式的稳幅电路。


同学:
二极管是怎么起到稳幅作用的呢?
老师:
二极管可以看成是一个非线性电阻,其导通电阻随U\(_{O}\)的增大而减小,从而使电路的负反馈加深,电压放大倍数下降,起到了稳幅作用。
(宋东生)