在生产或科研实验中,经常需要将各种物理量(如电压、频率、转速、温度、湿度、浓度等)控制在一定范围内,我们设计的多功能上下限通用数字控制器可实现这种功能的全数字控制。本装置采用CMOS计数双色LED数码显示组合电路,可根据使用者所设定的上下限范围改变显示颜色,以引起注意并便于区分被控量所处的状态。使用时各种物理量经传感器和电压/频率(V/F)变换器处理后送入本装置。另外本装置还可直接用于频率的数字测量。

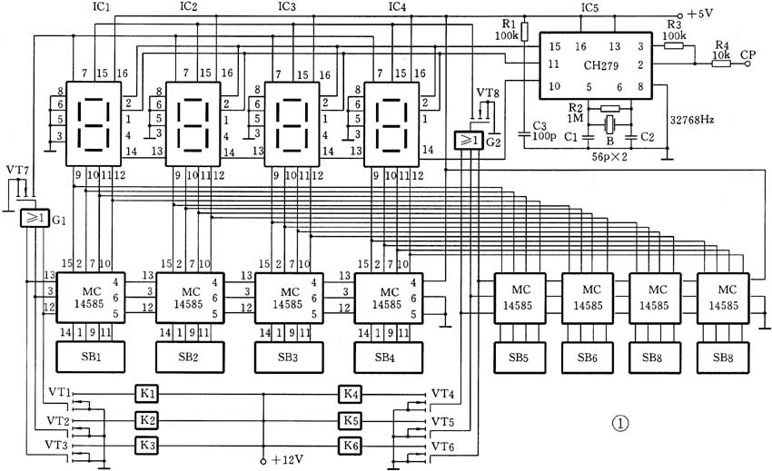
图1是多功能上下限通用数字控制器的原理图。它由四位数字频率计、上下限设置比较电路、显示颜色控制电路及执行电路几部分组成。
一、四位数字频率计
IC1~IC5组成四位数字频率计。IC1~IC4为4片CMOS计数双色LED数码显示组合电路CL102RG,图2是它的内部框图和引线排列。它将计数、锁存、7段显示译码驱动及双色LED数码显示等集成在一块电路中,功能很强。各引线端功能如下:脚VDD和⑧脚VSS分别为电源正极和负极,使用5V电源;脚CP为BCD计数器时钟脉冲输入端,下降沿计数;①脚R为计数器清零端,高电平有效。脚QC为计数器进位端,与相邻高位CP端相联;②脚LE为锁存控制端,低电平送数,高电平锁存,即LE为低电平时计数结果通过锁存器向译码器送数,为高电平时计数结果不能传送,锁存器锁存LE变高时的结果,即CL102RG显示的结果;⑨、⑩、、脚D、C、B、A为BCD码输出,供控制使用;⑥脚DPI为小数点驱动端,高电平时小数点显示;⑤脚BI为显示消隐控制端,高电平时消隐不显示;③脚RBI为零消隐控制输入端,当RBI为低电平且本位不为小数点位,同时本位计数结果又为零时,此零被消隐不显示;④脚RBO为无效零消隐输出控制端,当本位零被消隐时,RBO输出低电平,它与相邻位的RBI相联,为相邻位的零消隐提供一个条件,若相邻位为零又不为小数点位时,相邻位的零也被灭掉;⑦脚COMR为红色LED数码显示管芯公共负极,低电平时数码显示红色;脚COMG为绿色LED数码显示管芯公共负极,低电平时数码显示绿色。这里四片CL102RG接成四位BCD计数双色LED数码显示电路。
CH279为一片CMOS多功能时间控制器,是一种适用数字仪表的中规模集成电路。图3是它的内部框图和引线排列。CH279外接32768Hz晶体后能自行产生振荡信号、计数闸门信号及其他控制信号,还可对外部输入信号进行整形,供计数器使用。基准振荡器产生时基闸门信号及控制信号,多级分频器将时基闸门信号进行分频,产生中心控制器所需信号。中心控制器为CH279的控制中心,其作用是使各部分电路协调工作。计数闸门产生1秒基准闸门信号,用来控制通过计数闸门信号的时间。施密特触发器和单稳态触发器的作用是对外部待测信号进行整形并消除抖动,再通过计数闸门(开门时间为1秒)经CP供外接计数器计数,计数闸门开启1秒后关闭,CH279的LE端发出一负向窄脉冲,作为外接计数器锁存控制信号,接着R端发出一正脉冲,作为外接计数器清零信号。然后CH279又重复上述工作过程。CH279各引线端功能如下:②脚Fi为被测信号输入端;③脚Fo为内部施密特触发器对Fi整形后的输出;①脚RC为内部单稳态触发器外接定时电阻电容端;④、⑤脚基准振荡器外接晶体元件端;⑩脚CP为被测信号Fi经内部施密特触发器和单稳态触发器整形和消除抖动再经一秒计数闸门后的输出端;脚R为清零信号输出端,LE发出锁存信号后,R端将外接计数器清零,但由于CL102RG中锁存器作用,仍显示清零前的内容。

了解CL102RG和CH279功能后,再分析它们构成的四位数字频率计的原理就很好理解了。图1中,四片CL102RG的LE(②脚)与CH279的LE(脚)相连,四片CL102RG的R(①脚)与CH279的R(脚)相连,CH279的CP(⑩脚)与四位计数器最低位(IC4)CL102RG的CP(脚)相连。四位数字频率计的工作过程大致如下:当CH279中计数闸门开启时,其CP端向IC4的CP送入(从Fi输入,经整形、消抖动后的)计数信号,四位计数器计满1秒后,CH279中计数闸门关闭,其LE端向四片CL102RG的LE发出一负向窄脉冲,将四片CL102RG中的BCD计数器的数据送入锁存器,接着CH279的R端向四片CL102RG的R端发出一正脉冲,将四片CL102RG中计数器清零,但CL102RG仍显示刚才锁存的数据,待下次CH279的计数闸门开启后,再锁存新的计数结果,显示新的数据。如此循环,从而测量出由CH279的Fi输入信号的频率。CL102RG中计数器计满一秒后将结果存入锁存器,避免了显示数码随计数过程跳变的现象。
二、上下限设置与比较电路
图1电路中,SB1~SB4为上限设置拨盘开关,SB5~SB8为下限设置拨盘开关。当拨盘开关拨至0~9某个十进制数时,在其内部转换为相应的BCD码输出,即预置数据,送比较器与CL102RG的D、C、B、A输出的BCD码进行比较。
图1左边和右边各有四片MC14585分别构成四位BCD码上限和下限数码比较器。MC14585是一片CMOS四位二进制码比较器,图4是它的引线排列,其功能如下:A3~A0和B3~B0为两个四位二进制数比较输入端,Ho、Lo、Eo为比较结果输出端,当A>B(A3A2A1A0>B3B2B1B0)时,Ho=1,Lo=0,Eo=0;当A<B时,Ho=0,Lo=1,Eo=0;当A=B时,Ho=0,Lo=0,Eo=1。Hi、Li、Ei为低位比较结果输入端,多位级联时,它们分别与相邻低位MC14585的比较结果输出端H、L、E相连。当MC14585处于最低位时,它的Hi、Li、Ei应分别接为“0”、“0”、“1”。

图1电路中,四位CL102RG的BCD码输出端D、C、B、A分别与MC14585的A数输入端A3、A2、A1、A0相连,与拨盘开关设定的B数B3、B2、B1、B0在MC14585中进行比较。
三、执行与显示颜色控制电路
上限四位比较器的最高位,即与SB1对应的MC14585的比较结果输出端Ho、Lo、Eo分别经MOS管VT3、VT2、VT1驱动继电器K3、K2、K1;下限四位比较器的最高位,即与SB5对应的MC14585的输出端Ho、Lo、Eo分别经VT4、VT5、V6驱动继电器K4、K5、K6,由它们实现执行控制,将被控量控制在一定范围之内。
当被控量在上限范围内时,与SB1对应的MC14585的输出端Ho、Lo、Eo中必有一个为高电平,或门G1输出高电平,VT7导通,四位CL102RG的红色LED管芯公共负极COMR(⑦脚)为低电平,数码显示红色;当被控量在下限范围内时,与SB5对应的MC14585的输出端Ho、Lo、Eo中必有一个为高电平,或门G2输出高电平,VT8导通,四位CL102RG的绿色LED管芯公共负极COMG(脚)为低电平,数码显示绿色。
执行与显示颜色控制电路的功能如附表所示(以温度控制为例,●表示继电器吸合)。

另外,本装置若只用于测量频率,可将执行电路删去,若不用颜色监测频率范围,也可将拨盘开关和数码比较器部分去掉,就成为一台小型数字频率计,可单独使用,也可作为其他设备的频率显示部件。
如果被控量已具有BCD码输出,可不装IC1~IC5组成的数字频率计部分,将BCD码直接接入MC14585的比较输入端即可。上下限指示由VT7和VT8分别驱动两只红色和绿色发光二极管。
(李桂秋)