笔者购得立体电视欣赏器材一套,包括3DD-2型视频驱动器一只,液晶立体眼镜一副,立体录像带一盒。经实际观看效果颇佳:水中的小鱼可以游到荧屏之外,长城和香港的风景画面立体感也很强,有身临其境的感觉。该立体电视是时间分割制,录像带是用双镜头的立体摄像机摄制的。每秒50个画面,其中左眼图像和右眼图像各25个,交替排列。左眼图像被安排在每帧图像的第一场上。
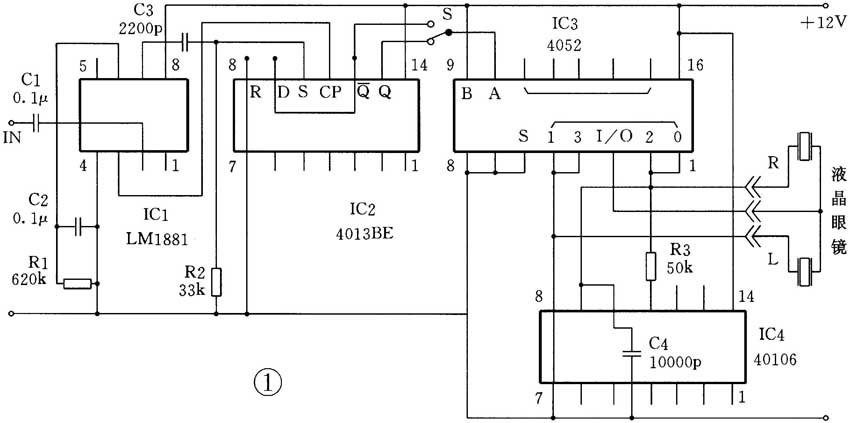
笔者剖析了3DD-2型视频驱动器(实物中各IC型号均被锉掉),发现电路结构也有其独到之处,特此整理供爱好者参考(图1)。

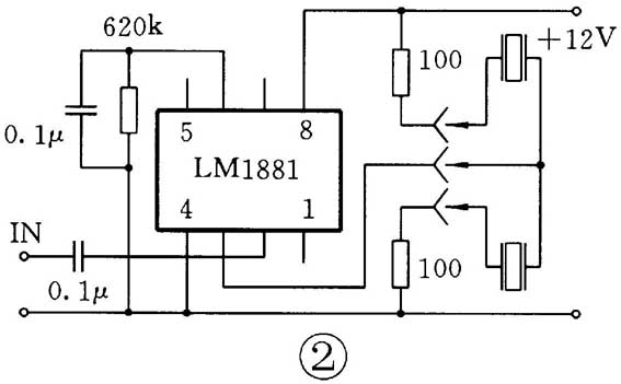
录像机输出的视频信号一路给电视机,一路经C1进入IC1的②脚。IC1是一片视频同步分离电路(LM1881),③脚输出场同步脉冲,⑦脚输出25Hz的方波信号。波形的高电位总是对应于每个帧画面的第一场。这一特点在制作立体眼镜时免去了专为左右眼同步而设置电路的麻烦(以往需使用黑白同步块或左眼导引信号)。IC2是一片双D触发器(此处仅用一半),型号为4013BE(注意:4013BE与4013电路结构相同但管脚排列不同)。IC2的脚(Q-)与⑨脚(D)接在一起,这就构成一个计数器电路。当脚(CP)送入50Hz的场同步脉冲时,其、脚(Q、)输出25Hz的方波信号,但该方波信号与每帧画面的第一场或第二场没有对应关系。为此IC1输出的方波信号经C3、R2微分后进入IC2的⑩脚(S、置数端)。当IC1的方波处在上升沿的时候,脚(Q)被强迫同步。由此可以看出IC2的输出是受⑩、脚两路脉冲共同控制的。当视频信号中混入干扰,IC1输出两路信号中一路出现错误时IC2仍然能正常工作,这比常用的RC抗干扰电路更加稳定。选择开关S是用来交换左眼信号和右眼信号的。笔者在刚刚收到邮购实物时发现左眼图像和右眼图像搞反了,经调整此开关恢复正常。液晶立体眼镜在电路中可等效为两只小电容器,用三线立体插头连接。更简单的驱动电路示于图2,但该电路存在如下缺点:1.IC1的方波混有干扰,工作不甚稳定。2.因是直流驱动,速度慢,颜色偏青。3DD-2视频驱动器中的IC3、IC4是专为驱动液晶眼镜设置的。IC4是一片施密特六非门(40106)这里仅用两个门。IC4的脚、⑩脚、C4、R3构成一个多谐振荡器。⑧脚和⑨脚是一个反相器。⑧、⑨两脚之间输出约2300Hz的峰峰值24V的交流信号。该信号一路送给液晶眼镜的L、R端,另一路送给IC3的①、②、④、⑤脚。IC3是一片双四路模拟开关(4052,仅用一半),按图中的接法当⑩脚为高电平时,③、④两脚导通,液晶眼镜的左眼变黑,反之亦然。此电路结构简单且不需要调试。

时分制立体电视的优点是结构简单,可以在普通电视机上播放。不足之处是只能用录影带作载体,不能刻录成光盘,观看中有轻微的闪烁感。
编者注:有关LM1881更详细的原厂资料可上网下载:www.national.com/ds/LM/LM1881.pdf。