1. 简易电子显示牌
图1是简易电子显示牌的电原理图。电路由555电路作时钟信号发生器,十进制计数器CD4017完成电路的控制。接通电源后,7个字母一个接一个地亮起来,最后组成“WELCOME”。然后所有字母全部熄灭,再重复下一个循环过程。
电路中的二极管全部为1N4148,三极管可用9014等。7个字母用若干发光二极管串联与并联组合而成。调整电路中的RP可以改变电路时钟信号的频率。集成电路CD4017共有十个输出状态,保留一个空白,还有九个输出可以使用。
2. 稳压二极管测试仪

图2是稳压二极管测试仪的电原理图,VD2被测稳压二极管。VT为BC547,BV\(_{CEO}\)=50V,I\(_{CM}\)=0.2A,P\(_{CM}\)=0.5W。如果使用其他的三极管,只要参数满足要求即可。图中的二极管为1N4007。220V/3W的电源变压器,低压端一定要为双9V。在使用时注意电源变压器的初、次级关系。电压表PV可采用万用电表的直流电压挡。
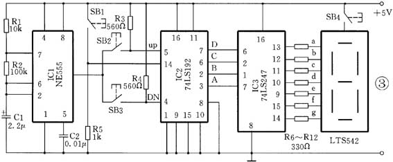
3. 电子得分游戏

图3是电子得分游戏的电原理图。电路由555时基电路、BCD码可逆计数器74LS192、BCD-七段码驱动器及七段数码管等组成。开关SB1为复位键,SB2和SB3为操作键,SB4为显示键。此游戏可以两人玩或多人玩。参加游戏者首先按一下复位键SB1;然后按下并松开SB3或SB4两键中的一个,按下SB3键或SB4键的时间由自己掌握,最后按下显示键SB4,根据数码管的显示记录此次的得分。后边的游戏者重复以上的操作,并记录各自的得分。当某个游戏者的总分达到或超过100时,这个游戏者便是赢家。
(周海)
