本电路用了两片音频锁相环(PLL)集成电路,性能优良,结构简单,价格极低。
LM567(PLL)是一块音频锁相环集成电路,采用双列直插式封装。直接代换型号为NE567。工作电压为4.75~9V,静态电流8mA,最高工作频率f\(_{MAX}\)=500kHz,其中心工作频率f\(_{0}\)由⑤脚和⑥脚外接定时电阻电容决定。其计算公式为f\(_{0}\)=1/(1.1RC)。
工作原理:
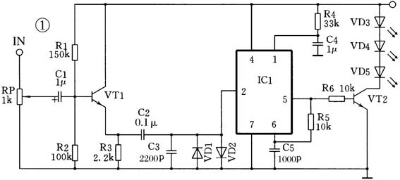
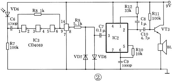
电路分发射和接收两部分。发射部分LM567接成音频调制电路,接收部分LM567接成音频解调电路。压控振荡器(VCO)的中心工作频率f\(_{0}\)选在100kHz,对红外线传输比较有利。当音频信号处于上升段时,调制频率受②脚(压控振荡器控制端)控制,在f\(_{0}\)的基础上增加。当音频信号处于下降段时,f\(_{0}\)受控于②脚,在f\(_{0}\)的基础上降低,从而实现频率调制。由于采用了锁相环压控振荡器,故电路的调制线性比较好。
发射电路见图1。IN端输入音频信号。经RP衰减后由VT1的发射极取出,经VD1、VD2限幅后对PLL的频率进行调制,调制后的信号经LM567的⑤脚输出,经VT2放大后推动VD3~VD5发出红外光。接收电路见图2,红外线信号由VD6接收,经CMOS非门多级放大后由VD7、VD8限幅,送至LM567解调。在此CMOS反相器被偏置在线性工作区,其放大倍数在千倍以上。解调后的音频信号经VT3放大后推动扬声器BL发声。


元器件的选择和制作:
IC1、IC2选用LM567或者直接用NE567代替。IC3为CMOS六反相器,型号为CD4069,或者用74HC04代替。后者价格较贵,但性能较好。VT1、VT3用9014,VT2用9013或者用8050,β≥100即可。VD1、VD2、VD7、VD8为1N4148。VD3~VD5选用Φ5的红外线发光二极管(如H2R405等型号)。VD6为红外线接收二极管,可用PH302。R5、R10、C5、C9决定发射和接收部分的中心频率,应严格挑选。BL用8~32Ω的耳塞机串联代替使用。
调试:
测得C3两端的电压应在500mV左右,可通过调节RP来获得。同样,VD7两端的电压也应保持在500mV左右,相差太多时应检查前部分的元件,可适当调节R8,但R8不能过小。VT3的静态集电极电流应在8mA左右。相差过多时可通过调节R11来解决。
做完简单调试后应将两机精密统调。输入音频信号,将接收机和发射机拉开6~8m远,仔细调节R10,使BL中的声音最响且最清晰。
编者注:有关LM567更详细的原厂资料可上网下载:www.national.com/ds/LM/LM567.pdf。
(任世雄)