多功能射频IC卡读卡模块WMRFIC02-02,内含智能器件及射频电路,能存储多个卡片密钥(可以多达1000个)。模块有开关量输出和卡号传递功能,既可以独立工作,也可以作为系统部件使用。
模块可满足多种场合的应用需求,如人员与车辆进出控制、电锁控制、企业设备管理、家庭电器控制、考勤管理、身份识别等。WMRFIC02-02也是一种安全可靠、低成本并且易用的智能模块,它的使用非常简便,只需外接少量部件即可组成实用系统。
一、性能特点
(1) 可读取EM、GK、TEMIC只读感应体(币型、钥匙型、卡片型);
(2) 读卡距离60~90mm,读卡速度≤0.5秒;
(3) 可存储多个卡片密钥(30~1000个钥匙可选);
(4) 母钥/子钥管理模式,安全可靠;
(5) 两键增、删钥匙操作,方便快捷;
(7) 开关量输出,可直接驱动负载或继电器;
(8) 工作状态声光提示;
(9) 低电压报警输出;
(10) 限时操作,超时即转入睡眠状态,大大节省电力;
(11) 低功耗,可由6V电池供电;
(12) 可由RS232串型接口传送卡片数据。
二、模块结构
模块内部结构框图如图1所示。

三、引脚说明
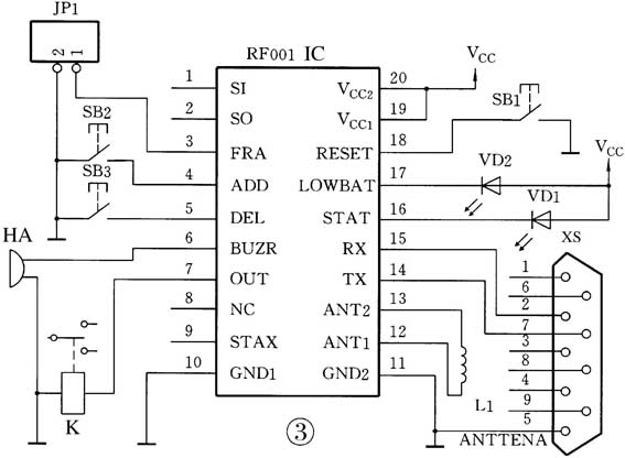
四、典型应用


图3是典型应用电路图。图4是典型应用的印制板实体布局(此印制板型号为WMRFIC02-02APP)。
射频模块所匹配的天线线圈的参数必须准确,否则读钥性能将达不到设计要求。制作天线时必须用仪器测量其参数。该线圈对钥匙型感应体的识别距离为60mm,对卡片型感应体为90mm。
本模块利用内部的比较器构成电池欠压检测电路。当发生欠压时,自动点亮发光二极管。
为了最大限度地延长电池的使用寿命,当数秒钟没有操作发生时,电路会自动进入低功耗状态,即所谓“睡眠态”,这是通过控制射频模块的工作状态实现的。在模块的“RESET”端接入一个“启动按键”,即可使模块从“睡眠态”转入工作状态。
五、使用界面
管理射频钥匙一般采用授权发卡体系或卡片分级体系。为了兼顾安全性和易使用要求,RF001采用了母钥-子钥二级模式管理钥匙。母钥的作用相当于一个系统操作密码,由它对子钥的增加和删除进行限制。子钥的作用是触发开关量输出。
有关该模块的各种应用可上网查询www.mailshop.com.cn。供货消息参见本期第68页广告。
(完美)

