LG9110是为控制和驱动电机设计的两通道推挽式功率放大专用集成电路器件(图1),将分立电路集成在单片IC之中,使外围器件成本降低,整机可靠性提高。该芯片有两个TTL/CMOS兼容电平的输入,具有良好的抗干扰性:两个输出端能直接驱动电机的正反向运动,具有较大的电流驱动能力,每通道能通过750~800mA的持续电流,峰值电流能力可达1.5~2.0A;同时它具有较低的输出饱和压降;内置的钳位二极管能释放感性负载的反向冲击电流,使它在驱动继电器、直流电机、步进电机或开关功率管的使用上安全可靠。LG9110被广泛应用于玩具汽车电机驱动、步进电机驱动和开关功率管等电路上。


器件各管脚功能列于附表。图2是输入输出管脚波形图。

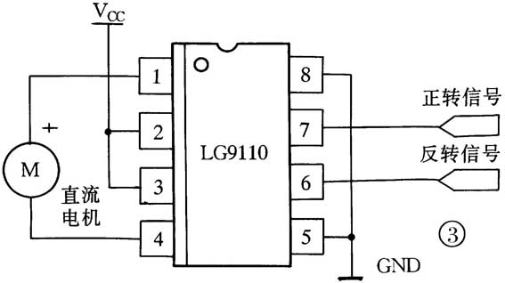
图3是LG9110的应用电路。

(宋战校)