LM3824是一种输出PWM信号的电流检测器IC。该器件主要特点有:内部有一个极小的0.003Ω检测电阻,使插入损耗极小,并且无需再外接检测电阻,电路更为简单;PWM输出包括电流大小及电流方向;有Δ-/D变换器,在1A电流时其精度可达±3%(室温);工作电压2~5.25V;能检测电流范围-1.0~+1.0A或-2.0~+2.0A;静态电流95μA;有关闭控制,在关闭时,耗电1.8μA;采样时间间隔6ms;内部有上电复位;小尺寸MSOP-8封装。
由于该器件有上述特点,它适用于电池充电器/放电器的电流检测、运动控制诊断、电源负载监控及管理、可复性智能保险丝等。
管脚排列与各管脚功能
器件工作原理
要检测的电流经过内部的电阻流向负载,在电阻上产生一个与电流成比例的电压降,此电压降由Δ-Σ调制器采样、A/D变换后输出,经数字滤波器滤波后与数字斜坡发生器进行比较,输出PWM信号(如图2所示)。PWM的占空比与流过的电流成正比。在占空比为50%时电流为零。如果电流的方向是正方向,则占空比大于50%;若占空比小于50%,则电流为反方向。占空比为95.5%时正方向电流最大;占空比为4.5%时负方向电流最大。该IC能检测从-I\(_{max}\)到+I\(_{max}\),I\(_{max}\)是1A或2A(根据IC的型号后缀而定)。I\(_{SENSE}\)与I\(_{max}\)及D的关系为:

I\(_{SENSE}\)=2.2(D-0.5)I\(_{max}\)
式中D为PWM波形的占空比,I\(_{max}\)是全量程电流(1A或2A)。
D与I\(_{SENSE}\)的关系如表2所示。

Δ-/D变换器需要一个抗混淆滤波器,它需要外接一个0.1μF电容。
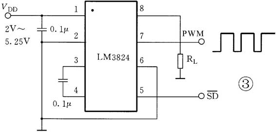
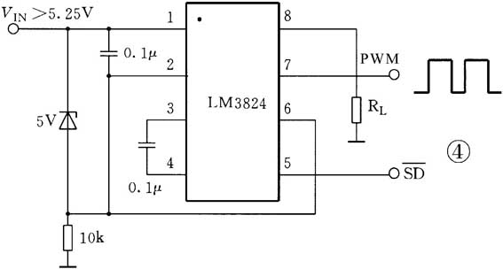
应用电路
LM3824的典型应用电路如图3、图4所示。图3的V\(_{DD}\)在2.0~5.25V范围内,而图4的输入电压大于5.25V,所以加了一个5V的稳压二极管及10kΩ限流电阻,使LM3824工作电压为5V。PWM输出是参考⑥脚的。


应用指南
1. LM3824有后缀-1.0及-2.0,它们分别表示I\(_{max}\)为±1.0A及±2.0A。
2. 若要检测的电流为3A~4A时,则可以用两个LM3824-2.0并联来实现,如图5所示。

总电流I\(_{TOTAL}\)与1#的占空比D1、2#的占空比D2及I\(_{max}\)的关系为
I\(_{TOTAL}\)=2.2(D1-0.5)I\(_{max}\)+2.2(D2-0.5)I\(_{max}\)
3. LM3824-1.0的直流失调电流约8mA,而LM3824-2.0的直流失调电流约80mA。
4. 关闭端的低电平低于0.8V;高电平大于1.8V。
编者注:有关LM3824更详细的原厂资料可上网下载:www.national.com/ds/LM/LM3824.pdf。
(方佩敏)

