一、开机电路
1. 开机触发
A288手机包含主机板和按键板,主机板与按键板是通过内联CN503连接的。而主机板与翻盖中的电路则通过CN105连接。
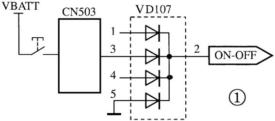
A288手机属于高电平触发开机,当手机的电源开关键被按下时,电池电源经电源开关键、内联接口脚,输出一个高电平触发脉冲,到达开机二极管VD107的③脚,开机二极管的②脚输出一个开机启动信号——高电平(3V左右)。开机触发线路如图1所示。

2. 供电
A288开机电路的工作电源都来自自动调压U117电路。开机二极管VD107②脚输出的开机触发信号启动自动调压电路,自动调压电路输出手机工作电源B+;开机触发信号同时启动各电压调节器。
用于逻辑电路的电源V\(_{CC}\)和AV\(_{CC}\)来自电压调节器U463。U463的①脚输出V\(_{CC}\)电源,U463的③脚输出AV\(_{CC}\)电源。手机开机电路开始启动。
3. 复位产生
当U463输出逻辑电源后,逻辑电路开始工作,此时逻辑电路的工作处于随机状态。在逻辑电源产生的同时,复位产生电路U457开始工作,输出系统复位信号。该复位信号再经U645的转换后,输出的信号经电阻R162使逻辑电路复位。逻辑电路从程序设定的初始状态开始工作。复位信号同时还对显示电路进行复位。复位信号的产生如图2所示。

4. 逻辑时钟
当逻辑电路被复位并开始工作时,逻辑电路输出一个时钟电源控制信号SYSCLKENA。该信号控制电压调节器U457输出逻辑时钟电源XV\(_{CC}\)(从U457的脚输出)。
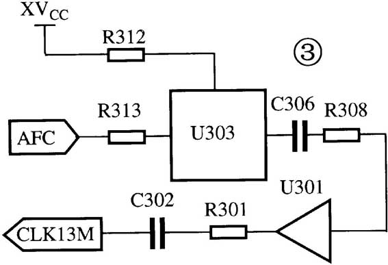
实时时钟电源经电阻R312给13MHz时钟电路U303供电。U303输出13MHz的基准频率时钟信号。该信号由U301进行缓冲放大后,经电阻R301、C302给逻辑电路提供时钟信号。图3是逻辑时钟信号线路。

5. 开机维持
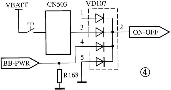
逻辑电路收到时钟信号后,开始运行开机程序,若逻辑电路硬件正常,并得到软件的支持,逻辑电路将输出一个开机维持信号BB-PWR至开机二极管VD107的④脚。VD107的④、②脚导通,使各电压调节器维持输出,完成开机。开机维持信号线路如图4所示。

6. 充电开机
除了电源开关键可以开机外,在关机状态下,当充电器连接到手机时手机也能开机。其电路如图5所示。图中的DCVOLT是指充电器输入的电源。当充电电源连接到手机时,U111导通,发射极输出高电平信号到VD107的①脚,VD107的②脚即输出开机触发信号。

二、电压调节器
1. 自动调压电路
电压调节器由U108、U463、U457等构成,它们分别输出3V的电源供给相应电路。
其中,U463电源属于逻辑电源,用以给逻辑音频电路提供工作电源。
U457则是射频电源调节器,输出3V电源分别给射频模块、发射VCO、频率合成电路等供电。
A288手机的自动调压电路与其他三星手机,如SGH-600、SGH2488等的自动调压电路很相似。只是在控制信号的来源方面有小小的不同。图6是三星A288手机的自动调压电路。该电路将一定电压范围内的电池电源转换成一个稳定的3.3V稳压电源输出。其中VD108是续流二极管,用以给手机提供大电流。电感L102有很重要的作用。若L102损坏,则自动调压电路不能工作。

U117电路输出的3.3V电压给逻辑电源调节器U463、U457等提供工作电源。图6所示的是自动调压电路。
2. 逻辑电源电路
图7是逻辑电源电路。U463输出的V\(_{CC}\)主要供给中央处理单元、存储单元等电路,U463输出的AV\(_{CC}\)则主要供逻辑音频电路中的DSP及音频等电路使用。它们都受开机信号的控制,与U116电路不同的是,U463的输入电源来自自动调压电路,而不是电池电源。
当开机二极管VD107②脚的高电平信号到达U463的⑤、⑦脚时,U463的①、③脚输出3V逻辑电源。
3. 实时时钟电源
图8是实时时钟电源产生电路。U116产生的3.3V实时时钟电源除了给备用电池充电外,还给铃声电路提供工作电源。在某些情况下,U116损坏可能导致手机不开机。
与其他电压调节器不同的是,实时时钟电压调节器的控制端与电源输入端连接在一起,只要一加上电池,则U116就输出3.3V的电源。
4. 基准频率时钟电源
在射频电路,有一个专门的电压调节器—U457。该电压调节器输出XV\(_{CC}\)、3VRF等电源,既给发射机电路提供工作电源,又给接收机电路提供工作电源。图9所示的是U457电路。
下期笔者为大家介绍三星A288手机的开机故障及检修部分的内容。
(钟云)