偏色故障是彩电维修中的一种常见故障,然而,在自己近年来的维修中发现一些基层修理人员对此类故障的维修难以把握。主要原因一是找不到偏色的故障点,只是对暗平衡和亮平衡电位器进行粗略调整;二是在做白平衡调整时,不严格按照白平衡调整步骤进行,从而形成彩电偏色故障不能彻底排除。下面通过具体实例加以分析。
[例1]
黄河HC47-III型(机芯:东芝L851)彩电整个画面和图像都呈红色,几乎看不到其它彩色。
分析与检修:
该机是80年代后期在县交电公司购买的,当时底色就偏红,只是没有现在严重,后来又到维修部进行了修理,但故障一直没有排除。期间也找其他修理员修过,都说是显像管有问题,但始终没有修好,后来偏色问题越来越严重了。
接修后,按常规首先将暗平衡电位器R557、R558、R559和亮平衡电位器R525、R523检查一遍,没有查出故障,将其全部换新,重新进行白平衡调整,不能排除故障。进而检查红视放管VT505,还是查不出故障原因,将红视放管VT505换新,故障依然;将红视放管和绿、蓝视放管VT507、VT509对调,并细致调整白平衡,仍然难以排除故障。
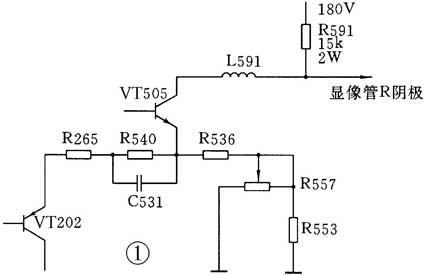
测三个视放管基极电压为7.4V,都相等,并在正常值范围内,肯定了故障不在其它电路,一定在视放电路,测其集电极电压,红视放管VT505集电极电压有些偏低,但不太明显。难道真是显像管有问题吗?在进一步分析故障原因的过程中,想到自己曾修过多台无图像光栅呈某种单基色的彩电,其故障原因是视放管集电极180V供电隔离电阻开路所致。检查红视放管集电极供电隔离电阻R591(见图1),发现其阻值从正常值15kΩ增大到31kΩ,将其换新,并重新调整白平衡,故障彻底排除。

小结:
原修理员一直不能排除故障的原因是认为该故障一般出在亮、暗平衡调整电位器和相应的视放管,遇到此类故障只是对相应基色的亮、暗平衡电位器进行调整,或检查视放管,查不出问题,重新进行白平衡调整后,排除不了故障就认为是显像管有问题,很容易忽视视放管集电极供电隔离电阻阻值变大问题。起初,自己在检修中也常常犯这种毛病,通过这台机器的检修,以及后来的检修工作中发现,因视放管集电极供电隔离电阻阻值变大造成的偏色故障并不少见,望同行在遇到偏色故障时,不妨也查查视放管集电极供电隔离电阻。
[例2]
长虹CJ47A(机芯:松下M11)型彩电底色偏蓝,亮度偏低。调亮度电位器,有亮暗变化,但亮度调不上去。
分析与检修:
此机也修是被其他修理员修过的,经检查发现,亮度电路的许多元件焊点被焊过,副亮度电位器换新并调到尽头;视放电路蓝视放管VT351换新,还作过白平衡调整。首先围绕亮度低检查,在亮度电路始终没有查出故障,但发现通过调整加速极电压调整电位器R371可以把亮度调上去,但仍然偏蓝色。根据现状分析,可能故障在视放电路,然而在视放电路中查遍所有元件,始终查不出故障。进一步分析认为,可能是显像管参数发生了变化,试图通过调整白平衡来排除故障。果然,严格按白平衡调整步骤进行反复多次调整,彻底排除了故障。
小结:
此机故障的实质就是显像管参数发生了变化,原修理员造成误判的原因,一是分析不到位,没有认识到此机故障的实质就是显像管参数的变化,而只局限在相关亮度电路和视放电路上找问题;二是虽做过白平衡调整,但缺乏正确的白平衡调整方法,致使故障不能排除。这是基层修理员最容易犯的一个毛病。正确的白平衡调整方法应按下列步骤进行:①将电视机通电加热10分钟以上;②将亮平衡电位器置于中间位置;③把加速极电位器逆时针调到底,色度、亮度、对比度调至最小;④将维修开关拨至一条水平亮线;⑤将加速极电位器慢慢顺时针旋转至某一基色微微出现在屏幕上一条亮线为止;⑥调整后发光的其它两种基色暗平衡电位器,使一条水平线变为白线,三条基色线不能重合,但三条基色线都微微出现;⑦维修开关拨至正常收看位置,在高亮度情况下,调整亮平衡电位器,取得高亮度情况下的白平衡。反复重复4~7步,直至达到满意的白平衡。
[例3]
飞跃47C2-Y2-6(机芯:夏普NC-2T)彩电光栅偏红,在收看节目时,随画面的亮暗变化,在画面暗时偏红更为严重。
分析与检修:
首先测三个视放管的各极电压,发现唯有红视放管VT851集电极电压偏差最大,比图标值偏低了近10V。因三个视放管基极、发射极电压都基本正常,故障肯定在视放电路,于是先将红视放管VT851拆下测量,正常,将其换一新的视放管,不能排除故障,检查VT851集电极供电隔离电阻R859正常,查VT851周围其它元件,没有查出损坏元件,干脆重新调整白平衡,调整每个电位器相应光栅基色都有变化,但始终调不到满意效果,把绿、蓝视放管全部换新,再调白平衡,还是不能排除故障。把红暗平衡电位器R856换新,再调白平衡,故障依旧。
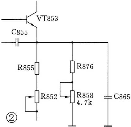
在检修工作走投无路的情况下,决定把绿、蓝暗平衡电位器R857、R858和激励电位器R851、R852全部换新再进行白平衡调整,当焊下蓝暗平衡电位器R858(见图2)进行测量时,发现其阻值由正常的4.7kΩ增加到18kΩ。将其换新光栅色彩明显好转,重新调整白平衡故障排除。

用户把电视机拉回后,第三天又送来了,说:“机器搬回去的当天晚上收看正常,第二天白天收看节目时,又出现了一闪一闪的红画面,同时伴有噪点干扰,到晚上就又成了固定的红画面。”打开机器先查已换新的红暗平衡电位器R856和蓝暗平衡电位器R858,正常。此机原来光栅发红的故障点在蓝暗平衡调整电位器R858阻值增大,这次是不是没有换新的绿暗平衡电位器R857有问题呢?将R857(见图3)焊下测量,其阻值已从正常值4.7kΩ增加到10kΩ左右。将其换新并微调后,故障彻底排除。
小结:
从自己以往的检修经验和一些资料来看,一般发生在视放电路的光栅缺某一种基色和偏某一种基色故障,都和其相应的视放电路元件有关。而此例光栅红基色过重故障却偏偏是由蓝暗平衡调整电位器R858和绿暗平衡电位器R857的阻值增大造成的,这是一特例故障,正是由于故障的特殊性,才造成误判。
[例4]
牡丹47C3(机芯:松下M11)型彩电画面偏黄,蓝色不足,在光栅较暗时尤为严重。
分析与检修:
根据故障现象分析,此机故障主要在蓝基色信号电路。首先测IC301(AN5612)④脚蓝基色信号输出脚电压为2.4V,与图标值相符,进而测蓝视放管基极电压值,测不出明显差异。围绕视放电路蓝基色信号通路(见图4)进行检查。首先记住暗平衡电位器R359和亮平衡电位器R354的原来位置,分别微调R359、R354都不能排除故障,兼顾调整仍达不到满意效果,将其皆恢复到原来位置,拆下蓝视放管VT351用万用表测其正反向电阻、放大倍数都与新管没有差异,在检修误入歧途时,试换VT351,不用调其白平衡电位器,故障彻底排除。

小结:
此机故障容易造成误判的原因就是VT351软损坏,在业余条件下,是很难检测出VT351已经损坏。笔者能顺利排除故障的主要原因是在检修视放电路故障时,有一种正确的检修方法,也就是在不破坏视放电路原有白平衡的基础上,找到故障点,否则就得走许多不必要的弯路。根据自己的经验,视放电路偏色故障的正确检修方法应分为四个步骤。即:第一步,首先检查是偏哪种颜色,是在亮度高时偏色严重,还是在亮度低时偏色严重。若是在亮度高时偏色严重,应首先调整其相应基色亮平衡电位器;若是在亮度偏低时偏色严重,应首先调整其相应基色暗平衡电位器,或将两相应的白平衡电位器都做微调。一般情况下,若是电路参数有轻微变化,经过调整是可以修复彩电偏色故障的。但要注意,在调整之前,要在白平衡电位器上留上记号,但通过调整不起作用或作用甚微,要恢复相应电位器的原来位置,以保证第二步检修的质量。第二步,换相应的视放管。对于偏色(不是纯粹缺色)故障的机器,相应的视放管在业余条件下用万用表测不出其损坏与否,只有通过换管试之。一般情况下所换视放管只要与原管参数一致,不用调整就可达到原有效果,如果参数稍有差异,微调其相应白平衡电位器就可达到满意效果。如果微调后不能排除故障,应将该电位器恢复到原来的位置进行第三步检查。第三步,查三个视放管集电极供电隔离电阻,看其是否阻值有变大现象。如果阻值变大应更换之。此电阻阻值变大后,通过调整达不到满意的白平衡效果,必须更换。更换后,不必调整就能保持原有白平衡状态。第四步,如果经过以上三步都不能排除故障,就有可能是显像管参数有变化,再进行第四步,即严格按照例2小结所述白平衡调整步骤调整整机白平衡。只要显像管参数变化不大,通过重新调整白平衡是完全可以排除故障的。
(张天发)