采用三洋公司1999年推出的TV信号处理大规模集成电路LA76810组成的新一代单片普及型彩电,在市场上常见的有长虹CN-12机芯系列彩电,创维4Y01机芯系列彩电和康佳F2109A型机等等。这类机芯的彩电具有I2C总线控制功能,取代了原先广泛应用的非总线控制的TV处理器LA7688,因而集成度有较大的提高,外围元件显著减少,可靠性也进一步提高。同时这些彩电的生产调试和维修检测由于采用了I2C总线技术,为规模生产和售后服务提供了极大的方便。由于该电路对图像效果、声音效果、信号切换和调整等均采用数字技术控制,使其整机的图像、声音效果和稳定性等均比以往的普及型机芯要好得多。
一、TV信号处理集成电路LA76810的概况
1. 内电路组成说明
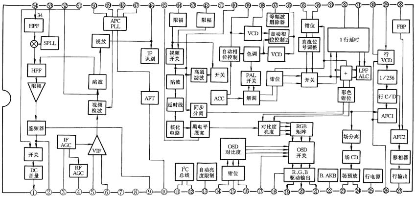
LA76810TV信号处理电路能完成除调谐选台外的全部小信号处理,其内部集成有图像中频处理电路、伴音处理电路、亮度/色度信号处理电路和行、场信号处理电路等。其内电路组成方框图如图1所示。

图中的公共通道有中放、检波、锁相环式中频载波恢复电路、自动增益控制(AGC)和自动频率微调电路(AFC)。
伴音中频电路包括:伴音中频鉴频、多制式伴音中频载波恢复电路和内外音频选择开关等。
亮度信号处理电路有:内、外视频输入的钳位电路,内、外视频选择开关、色度陷波、亮度信号处理(包括延迟,峰化和黑电平延伸电路)及对比度控制等。
色度信号处理电路包括:色度带通滤波器、内、外色度信号选择开关、ACC和消色识别、色度副载波恢复电路、色度解调、分离两色差信号的基带延迟电路、PAL/NTSC/SECAM制色差信号选择开关、两色差信号钳位等电路。另外LA76810由于采用频率合成技术,仅需一个外接晶体,即可适应不同制式的需要。
基色矩阵电路主要有:RGB矩阵、字符信号钳位和对比度控制、基色选择开关、白平衡检测和调整、ABL控制等。
同步分离和行、场扫描小信号处理电路主要包括:同步分离、行扫描部分的振荡、计数分频、频率控制(APC1),行扫描的中心位置调整(APC2、移相)、行驱动。场扫描部分的同步分离、计数分频,场锯齿波形成等。
制式识别和判定在LA76810里要进行以下项目的识别和判定:
(1) 图像中频通过检波输出的视频信号状态来确定PIF,PLL电路提供的中频载波开关信号与所接收的图像中频信号是否一致,若不一致由CPU通过I\(^{2}\)C总线控制切换PLL电路输出的中频载波开关信号的频率。
(2) 伴音中频:把接收的伴音中频信号与SPLL(锁相环式伴音中频载波再生电路)送来的伴音中频载波信号鉴相,根据鉴相误差信号的输出状态,由CPU通过I\(^{2}\)C总线控制切换SPLL电路输出的伴音中频载波信号频率。
(3) 彩色制式识别:通过检测本机副载波信号频率与接收信号的副载波频率相比较,产生的误差输出来切换本机副载波频率。在消色识别电路里把本机(R-Y)副载波的相位与接收信号的(R-Y)副载波相位进行比较,根据其相位误差输出状态来切换本机(R-Y)副载波的相位,完成彩色制式的识别。
(4) 50Hz/60Hz场频及不同的行频识别是由扫描信号处理电路的计数分频电路来完成。
在LA76810内还设置有自动动态偏置系统AKB,这种新型的自动动态平衡系统是利用其黑、白电平对图像对比度和鲜明度达到一定的补偿。它通过微处理器相关脚输出的信号直接控制LA76810脚来实现黑电平AKB和白电平AKB。而黑电平AKB在正常运行后能自动补偿白平衡电平的截止值,使得低档次TV产品更趋合理。与黑电平AKB相同的引出脚输入的白电平AKB,能方便地校正块内的R、G、B驱动器,也就是说,AKB自动动态平衡系统能根据不同显像管亮度与偏置电压关系,来正确地选定黑电平值和白电平值,实现自动补偿显像管的偏置电压,从而提高了普及型彩电的图像质量,使图像更加逼真、清晰。
由LA76810组成的彩色电视机的电路结构如图2所示。LA76810块内含有一行延时电路,无需外接电路,使整机电路简单,提高了电视机的可靠性。
2. 各引出脚功能说明
LA76810采用54脚双列塑封结构,各引出脚的功能标识、功能说明及在长虹CN-2机芯系列彩电中的静、动态电压值,如附表所示。

(王锡胜)