长度测量仪在工农业生产中应用非常普遍,尤其在电信、电力、以及有线电视的线路架设和维修中应用最为广泛。我们设计了一种数字长度测量仪,长度数据指示采用数码显示,不管在什么环境下,光线明或暗,工作人员在操作时都可以很方便地读取数据。

设计原理
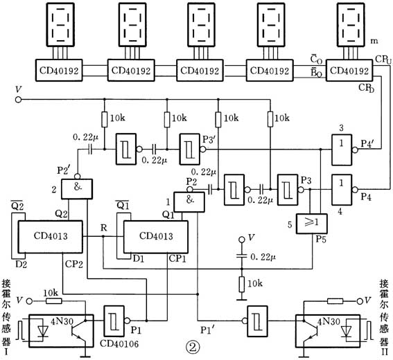
用霍尔传感器或接近开关提取滚轮转动信号,当滚轮向前转动时,数字计数器显示的数字就增加,当滚轮向后转动时,数字计数器显示的数字就减少。假如滚轮的周长设为1m,则数字计数器显示的数据即为所测距离的长度。原理框图如图1所示。电原理图见图2。

电路分析
如果滚动轮正转,霍尔传感器I首先接通,产生一个高电平脉冲信号,该脉冲信号经过光电耦合器、施密特电路整形在P1端出现一个正向脉冲,这个脉冲加到D触发器的时钟输入端CP1,使输出端Q1由“0”变“1”(两个D触发器起始输出端Q均为“0”)。P1脉冲同时加到与非门2的一个输入端,但它对与非门2的输出状态不产生影响。紧跟着霍尔传感器Ⅱ接通,霍尔传感器Ⅰ关断,同理在P1‘端产生一个正向脉冲,这个脉冲加到D触发器的时钟输入端CP2上,使其输出端Q2由“0”变“1”。P1’的正向脉冲同时还加到与非门1的另一输入端,这时与非门1的两个输入端全部为高电平,输出端P2即产生一个负向脉冲。Q2虽然已处于逻辑“1”状态,但P1脉冲已经过去,因此与非门2的两个输入端不能同时为“1”,所以与非门2的输出端P2‘不发生变化,维持原来的高电平状态。
P2端的负向脉冲,经延时整形后在P3端产生正向脉冲。P3的正向脉冲有两个作用,一个是经过或门5后,产生脉冲P5,引到两个D触发器的复位端R,使两个D触发器立即复位。另一个作用是经过非门反相,变为下降脉冲P4,送到计数器进行加法计数。
滚轮不停的向前转动,每转一圈就产生一个加法计数脉冲,数字计数器就累加计数一次。
反之,如果滚动轮反转,则霍尔传感器Ⅱ首先接通,霍尔传感器Ⅰ依次接通。输出端P2维持高电平不变,P2‘产生一负向脉冲。同样P3’的正向脉冲一路去复位,一路去CPD输入端做减法计数。
相似地,滚轮在反转过程中,每转一圈就产生一个减法计数脉冲,数字计数器就减去1。
由此,即可方便地实现长度的数字测量及显示。该线路集成度高,元器件稳定可靠,适合野外环境使用。
(闫月琴 周福录)
编者注:
有关CD40192更详细的原厂资料可上网下载:www.national.com/ads-cgi/viewer.pl/ds/CD/CD40192BC.pdf。