1. 音乐电话铃
图1(a)是音乐电话铃电路,音乐集成电路的型号为UM66,因为它的封装形式与三极管一样,所以使用起来很方便,它的管脚排列见图1(b)所示。电路中稳压二极管VD4的稳压值约为4.5V,其他二极管均为1N4148。

如果没有集成电路UM66,也可以用KD-9300系列音乐集成电路。但必须注意KD-9300系列音乐集成电路的工作电压一般为3V,最高不超过5V,所以电路的工作电压不能使用9V。当然电路也要相应作一些修改。
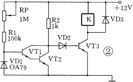
2. 温度控制器
图2是温度控制器的电原理图,温度传感器采用二极管VD1,型号为OA79,这是一只锗二极管。当温度升高时,二极管VD1两端的电压下降,三极管VT1和VT2截止,三极管VT3导通,继电器吸合;当温度降低时,继电器停止工作。调节电位器RP可以改变继电器的吸合温度。电路中的三极管可用9014等型号的管子,两只二极管为1N4148。

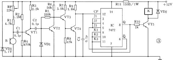
3. 声控开关
图3是声控开关的电原理图。B为小型驻极体话筒,三极管VT1~VT4组成电压放大器,集成电路IC为JK触发器,用它组成一个双稳态触发器。三极管VT5驱动继电器工作。由于集成电路是TTL数字电路,它的工作电压为5V,所以电路中用了一只稳压二极管VD3,稳压值约为5.1V。其他两只二极管为1N4148。三极管全部可用9014等。

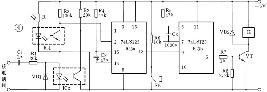
4. 聪明电话灯
这是一个有趣的小电路,当电话铃响起来,几秒钟后电路会自动打开一个电灯,为接电话的人来照明,大约一分钟后这个电灯又会自动熄灭。如果需要提前关闭电灯,可以按下开关SB。当周围的环境较亮时,这个电灯是不会亮的。
图4是聪明电话灯的电原理图。图中的IC1和IC2是光电耦合器,IC3是双可再触发单稳态多谐振荡器74LS123。两只二极管为1N4004。光敏电阻器R的亮阻值要小于5kΩ,它的暗阻值应大于100kΩ。电路的右边直接接电话线,继电器K去控制一个电灯(在图中没有画出)。

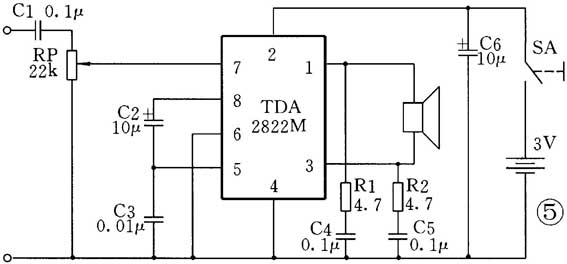
5. 信号监听器
这是一个小型音频功率放大器,图5是它的电原理图。电路主要由集成电路TDA2822M中的两个功放电路构成一个BTL功率放大器,由于电源电压较低,所以它的功率不大,如果适当提高电源电压,可以增加电路的输出功率。这个电路也可作有源音箱的放大器。姐姐,谢谢呀,我已经找到了,现在诗风里有我认识的人吗?

(周海)