本文介绍几例用集成电路制作的光控开关,具有电路简单、安装容易、工作可靠性高等特点。
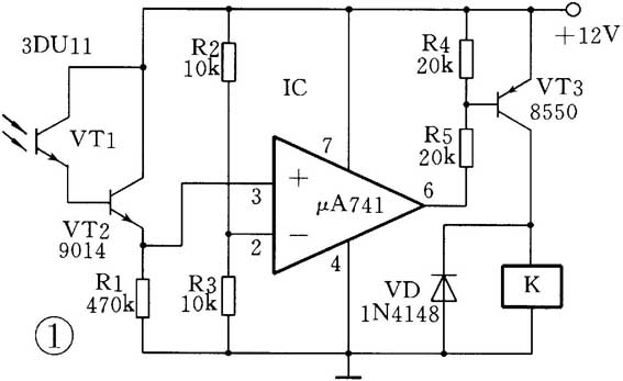
图1是一个采用μA741集成运算放大器构成的光控开关电路。μA741在这里用作电压比较器。R1、VT2集-发极间的等效电阻与R2、R3分别构成2个分压器。白天光敏三极管VT1受光照射,其发射极有光电流输出,此电流经VT2放大,使VT2集-发极间等效电阻变小,故μA741同相输入端③脚电平高于反相输入端②脚电平,输出端⑥脚为高电平,PNP三极管VT3截止,继电器K不动作。夜幕来临时,环境光线减弱,光敏三极管输出的光电流逐渐减小,使VT2等效电阻加大,使μA741同相输入端③脚电平逐渐下降,当电平低于反相输入端②脚电平时,⑥脚输出低电平,VT3导通,K动作吸合,使被控制的有关电器通电工作。这个电路属于暗通式,可用于路灯自动控制。改变R2与R3的比值可调整光控阈值。如将μA741两管脚引线互换,就变成亮通式。

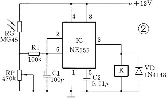
图2也是一个暗通式光控开关电路,电路主要由时基集成电路NE555构成。NE555组成施密特触发器,光敏电阻器RG白天受光照射呈低电阻,故时基电路的阈值端⑥脚与触发端②脚电平均高于2/3电源电压,集成块处于复位状态,③脚输出低电平,继电器K不动作。晚上,环境光线变暗,RG呈高电阻,使得集成块触发端②脚电平下降,当降至1/3电源电压时,时基电路置位,③脚输出高电平,K得电吸合。调节RP阻值,可调整光控阈值。R1、C1构成积分电路,可起吸收抗干扰作用,防止夜间短暂光线使电路发生误翻转。本电路也可用于路灯自动控制。如将RG与RP位置互换,电路就变为亮通式,即在白天或光线较强时,继电器动作闭合。

图3是一个用NE555时基电路构成的光控延迟开关电路。时基电路接成典型的单稳态触发器,平时电路处于稳定状态,③脚输出低电平,K不动作。如果用手电筒或激光笔对准光敏三极管VT照射一下,VT将产生光电流,其集电极输出负脉冲,此负脉冲经C1耦合加到NE555的触发端②脚,使电路迅速翻转进入暂稳态,③脚输出高电平,继电器K动作吸合。暂稳态时间T由R3、C2时间常数决定,T=1.1R3×C2,暂稳态时间一过,电路即翻回稳定状态,③脚输出低电平,K失电释放。R2与C1构成微分电路,其作用正好与前面的积分电路相反,只有短暂的控制光信号照射在光敏元件上才能使电路触发翻转,而对天亮、天黑等缓慢自然变化,电路不会发生翻转误工作。

图4是一个采用新颖参数固态继电器构成的暗通式光控制开关,其电路相当简单,可用于路灯自动控制等。参数固态继电器也称为PSSR,它有三种驱动模式:无源零功率驱动、有源正功率驱动和负功率驱动。本电路采用的是无源零功率驱动,即它的输出端⑤、⑥脚受控制端②、④脚所接电阻的阻值控制,其控制特性见图5。当②、④脚间电阻值R24小于控制门限电阻Z0(Z0一般为几十千欧)时,⑤、⑥脚降U56等于电源电压220V,PSSR处于关断态。如②、④脚间电阻R24大于Z0,U56几乎为零,PSSR处于导通状态。


光敏电阻器RG,白天受光照射呈现低电阻,阻值仅几千欧姆,远小于Z0,处于曲线的近A点,所以PSSR关断,负截RF失电不工作。当夜色稍稍来临时,光线变暗,RG阻值逐渐增大,PSSR的工作点由A点向B点方向移动,BC段为PSSR的比例控制端,光线继续变暗时,工作点由B向C移动,U56逐渐减小,负载RF两端电压逐渐加大,所以该电路还具有软启动功能,如负载RF为普通白炽灯,对延长灯泡的使用寿命极为有利。待天空完全黑暗时,PSSR已进入曲线的CD段,PSSR压降接近零伏,已完全处于开通状态,电源向负载RF全压供电。天亮过程正好与上述相反。R1与C组成吸收回路,用来保护PSSR。图中PSSR可采用JCG5A-220V型,它具有5A工作电流的能力。
编者注:有关μA741更详细的原厂资料可上网下载:www-s.ti.com/sc/ds/ua741.pdf。
(陈有卿)