带有电压基准的比较器MIC842
MIC842是MICREL公司推出的新产品,是一种微功耗、带有电压基准的精密电压比较器。该器件主要特点是:工作电压VDD为1.5~5.5V,但输入电压、输出电压可上拉到6V,并与电源电压无关;超低功耗,工作电流典型值为1.5μA,最大值3μA;内部电压基准精度高(1.24V±1.25%);内部有20mV的滞后电压,可防止噪声干扰;小尺寸5管脚SC-70封装;该器件有推挽输出及开漏输出(需外接上拉电阻),并且推挽输出的有高电平有效(后缀为H)及低电后有效(后缀为L),开漏输出仅为低电平有效(后缀为N);工作温度-40℃~+85℃。
应用电路如图1所示。电压阈值计算按
VIN(10)=VREF[(R1+R2)/R2]
此处VREF=1.240V。
高频低失真、输入输出满幅值运放LT1810
LT1810是线性技术公司推出的性能优良的单电源、输入输出满幅值的双运放新器件。该运放的主要特点为:-3dB带宽320MHz;增益带宽积180MHz;压摆率
350V/μs;单电源供电,电源电压范围宽(2.5~12.6V);输出电流大,最大可达85mA;低失真;输入共模范围满幅度,输出摆幅满幅值(接近电源电压);共模抑制比典型值89dB;电源抑制比典型值87dB;开环增益典型值100V/mV;8管脚SO及MSOP封装;工作温度范围-40℃~+85℃。
该器件主要应用于驱动A/D变换器、缓冲放大器、低压信号处理、视频线驱动器及有源滤波器等。脚为3V供电、4MHz、4阶布特沃思滤波器。
降压式电荷泵DC/DC变换器LTC1911-1.8
LTC1911-1.8是线性技术公司推出的新产品,是一种低噪声、高效率、无电感器降压式DC/DC变换器。该器件的特点是:低噪声恒定频率工作;输入电压2.7~5.5V,输出稳压的1.8V;比一般低压差线性稳压器效率高25%(典型值);输出电流可达250mA;输出电压精度可达±4%;工作电流低,典型值为190μA;有关闭功能,在关闭状态时耗电典型值为10μA;振荡器频率1.5MHz;有软启动功能可限制上电冲击电流;内部有短路及过热保护;8管脚MSOP及SO封装。
器件主要应用于蜂窝电话、手持式计算机、智能卡读出器、便携式医疗仪器及DSP电源等。典型电路如图2所示。
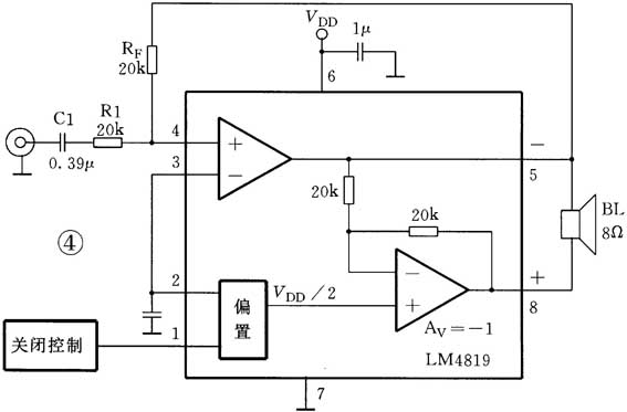
350mW音频功率放大器LM4819
LM4819是国家半导体公司推出的新器件,是一种带关闭模式350mW音频功率放大器。该放大器主要特点是:贴片式SOP及MSOP封装;抑制开关“喀喀”声;单位增益稳定;外围元件极少。关键特性:在16Ω负载1kHz、350mW连续平均输出时THD+N最大值10%;在关闭模式时耗电典型值仅0.7μA。
该放大器主要应用于通用音频放大器、便携式电子装置、信息应用(IA)等。典型电路如图4所示。
查询网址:www.national.com。



