恒流源虽然不如恒压源应用广泛,但在某些情况下还是需要的,例如给传感器作恒电源,特别是电桥式传感器采用恒流源更为合适,光学仪器中用恒流源点亮光源及镍镉、镍氢电池充电都需要恒流源。本文介绍一种输出电流50mA~700mA(电流大小用户可设定)的恒流源电路。它的特点是:电路十分简单,设定电流十分方便,整个电路尺寸很小。该电路采用锂离子电池充电器集成电路,具有恒流/恒压充电的功能,这里仅利用其恒流功能,该集成电路为LTC1734。
LTC1734简介
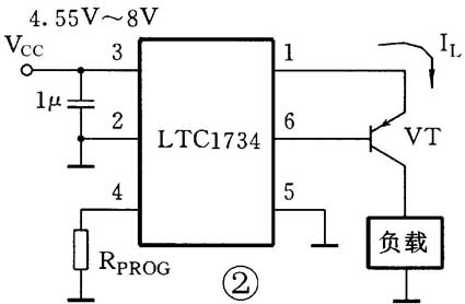
LTC1734是一种6管脚SOT-23封装器件。在接成恒流源工作状态时如图1所示。各管脚连接及功能如下:①脚为电流检测脚(ISENSE),外接PNP三极管的发射极;②脚为接地脚(GND);③脚接电源正极(VCC),电源电压范围为4.55V~8V;④脚为恒流电流编程脚(PROG),此脚外接一编程电阻来设定电流大小;⑤脚原为接充电电池脚(BAT),现改接GND;⑥脚为驱动外接PNP晶体管基极脚(DRIVE),外接PNP管的基极。

它的内部有编程电流IPROG及恒流输出电流IL的检测电路及控制电路。IPROG与IL的关系为:
IPROG=IL/1000
另外,提供RPROG的电压为1.5V恒压,则IPROG的电流由外接电阻RPROG来决定,即
RPROG×IPROG=1.5V
将上述两式整理后可能要求输出恒流IL与外接电阻RPROG的关系式为
RPROG=1.5(V)×1000/IL(mA) (kΩ)
由于LTC1734能输出的IL为50mA~700mA,则可按上式计算RPROG=30
kΩ~2.14kΩ。计算十分方便。
实用电路
1. 基本应用电路及参数选择
基本应用电路如图2所示。在VCC与地之间加接一个1μF的旁路电容器,可以消除电源中的干扰。在应用上可根据要求的输出恒流大小来确定外接电阻RPROG外,还要选择合适的外接PNP三极管。

选择的PNP管要求:ICM>IL,耐压一般没有问题,最好选择饱和管压降小的管子,β值取60~120为好。
要注意的是LTC1734的工作电压最大值是8V,所以负载上的电压要考虑PNP管的饱和管压降及电源电压的变动。
若要保证恒流的精度,电阻可采用1%精度的金属膜电阻。
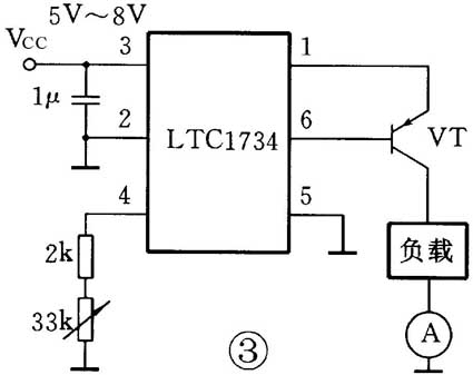
2. 输出电流连续可调的电路
输出连续可调的电路如脚所示,将RPROG改成2kΩ固定电阻及串接33kΩ电位器,则改变电位器位置,可从50mA调节到700mA。为了检测电流大小,可在电路中串接一只0~1A的电流表。

3. 可编程电流源电路
申新
编者注:
有关LTC1734更详细的原厂资料可上网下载:www.linear-tech.com/pdf/1734f.pdf。

