一、概述
CD71061是一种8路程控闪光集成电路,具有集成度大、功能强、体积小、使用电源电压低等特点,可广泛用于家庭装饰灯光控制、舞台灯具和电子玩具等。
二、功能介绍
CD71061内部集成了花样控制器、时序脉冲产生器、振荡器、译码器、扩展开关、花样存储器和驱动电路等部分,电路内部框图见图2。由于采用施密特触发器,外接阻容元件R9与C1,内部振荡起振产生所需要的时钟脉冲频率,八进制计数器和外接的3个花样控制端B1、B2、B3不同的外接电平状态可选择不同的花样,从花样控制电路的6根控制线译码后决定选择何种花样。而由时序译码器产生的时序选择各种花样控制各组单元的读出,经驱动电路放大后由Q1~Q8输出,用来控制晶闸管,也可直接驱动LED发光。

CD71061共有6种基本花样,即表1中由B1、B2、B3外接电平的高低控制,B4端取自系统内部的一个方波信号,B4与B1、B2、B3进行不同的连接可对基本花样进行不同排列组合,形成20多种变化花样,表2中列出了15种主要花样的控制方式。

三、电参数
CD71061程控闪光集成电路的主要电参数如表3所示。

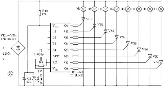
四、典型应用电路
CD71061的典型应用电路如图3所示。220V交流市电经二极管桥式整流后,由电阻R10降压限流和稳压管VD5稳压后给集成电路供电。集成电路输出信号加至晶闸管VS1~VS8,控制彩灯H1~H8闪烁。控制、①、②脚的电平高低和③脚与、①、②脚的连接可控制其闪烁方式。

电路中VD5用5V、1/2W稳压块,R10用47kΩ/2W电阻即可。
(袁虎)

