如何投资初始设备,是开放个人业余无线电台近十年来很多初学者首先经历的实际问题。在国内买一台功能齐全、性能优越的全新进口短波收发信机是一件十分方便的事情,但是就目前国内许多爱好者的承受能力和消费观念而言,一下子投资上万甚至几万元还有困难。二手的短波收发信机虽然性能/价格比要优越得多,但机会难得。制作一台性能完美的短波收发信机,要涉及复杂的高频电路设计和调试,需要一定的仪器和经验,难度很大。但是自制一台功能简单但不失实用的设备,在电波传播条件比较好的日子里,是完全可能用来实现几千公里、甚至几万公里的远距离联络。
笔者接受了为“全国十米频段双边带业余无线电通信实验及论文评比活动”设计设备的任务,设计试制了一款既适用于初学者、也适合于有经验的爱好者的小功率收发信机(QRP XCVR)套件。本机结构紧凑,可以放在衣袋里,应急通信和移动试验使用也很方便。
DSB工作方式
本机的发射部分采用了所谓的“抑制载频的双边带(DSB)调制”方式。
我们知道无线电通讯常用的语音调制方式有抑制载频单边带(SSB),调频(FM),调幅(AM)等。其中电波能量利用率最高的是单边带方式,它是从调幅方式演化来的。
调幅就是用音频信号来对高频电流的幅度进行调制,使高频电流的幅度随着音频变化。调幅收发信设备比较简单,因此是中波广播普遍采用的方式,也曾经是三、四十年代业余电台和其他业务电台通话的主要方式。
如果我们把经过调幅后的高频已调波送进频谱分析仪去分析它的频谱,就会发现它主要由3个分量组成,一是等幅的高频载频,就是用于“驮”着音频的高频等幅波,不论你输入的音频信号是什么,它是基本不变的,称为载频,并不包含有用的信息。另外还有两个成分,分别是音频信号和高频载频的“差频”与“和频”,称为下边带和上边带,它们携带着有用的音频信息,是无线电接收机解调出音频信息所必须的。因为上、下边带都是由同一语音信号调制出来的,它们包含的信息相同。所以,我们可以设法在发射时去掉载频以及其中的一个边带,只传送另一个边带,这样可以大大地提高发射的效率。这样好比是一列在两根铁轨上跑的火车,如果有办法不用笨重的车厢,而且只利用一边的轨道,那么我们就可以大大地增加运输的效率,当然实际这样在铁路上是行不通的,不过我们可以由此来理解单边带信号对电波的利用率比调幅方式高。目前除了广播业务因为不可能废弃听众原有的大量收音机,因而只能继续采用调幅方式外,短波频段的其他通信业务电台,包括航空、水上以及业余等,基本上都采用单边带调制方式来传送语音信号。
对于初识业余无线电的爱好者来说,自制单边带收发信设备并不是十分恰当的起点。而调幅设备虽然简单,但和单边带信号不相兼容,不能采用。
为了解决设备制作难度和与单边带信号兼容之间的矛盾,本机采用了一种介于单边带和调幅之间的折中调制方式,即“抑制载频的双边带(下文简称DSB)方式”。在DSB发射机中,我们设法抑制掉载频,但同时发射上、下两个边带。这样,虽然电波能量的利用率比单边带低、占用频带宽度比单边带方式宽一些,但还是具有单边带方式的其他许多的优点,而且还可以很好地接收单边带电台的信号,收发信机还可以省掉昂贵的晶体滤波器,电路复杂程度也比单边带设备降低许多。
无线电通信另外一种常用的调制方式是调频(FM)。调频信号占据的频带很宽,一般只能用在29.510MHz以上的业余通信。DSB方式比调频方式具有一个重要的优越性。当有多个电台在同一频率上联络时,在调频方式,如果你的信号和一个比你强的干扰信号一起到达对方,那么由于接收电路的限幅作用,对方将只能听到那个强的信号而听不到你,俗称“盖台”。而DSB方式没有载频,所以不存在此问题。
CW方式
等幅电报(CW)方式是无线电最古老的通信方式,但是在弱信号、强干扰的恶劣环境下,它的适应性最强,所以仍然是军事通信的一种后备手段,也是一些业余无线电爱好者所钟爱的经典通信方式,常用来“猎取”那些遥远微弱的稀有电台。为了满足电报通信爱好者的需要,本机还设有CW工作方式。
频率的选用
短波业余无线电通信因为频谱资源有限,通话联络一般都使用占用频带比较窄的单边带方式。但是十米业余波段处于短波的高段,拥有从28.000MHz到29.700MHz的比较宽松的空间,其中的高段适合于DSB联络试验。参照有关法规,本机的工作频率选用29.250MHz。
DC式接收电路
本机的接收电路采用直接变换(DC)方式。
DC型接收电路是一种古老的接收方案,但它是能够接收DSB、单边带和CW信号的各种接收机中最简单的一种。DC型接收机不但是业余无线电爱好者乐于制作的简易设备之一,而且由于它没有超外差电路固有的组合频率干扰等问题,近年来又开始受到通信界的重视,被应用到移动电话系统中去。
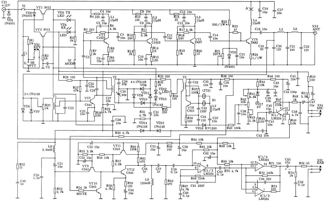
电路功能块的划分及简要原理
本机原理电路见图1,从功能上可以分为话筒放大、平衡调制、发射高频放大、接收高频放大、平衡解调、接收音频放大、载频振荡、收发转换、模式转换等部分,其中平衡调制和平衡解调实际上共用一套电路。

1. 话筒放大
IC1:1是一个普通的运算放大电路,把经插座XS4送来的驻极体话筒的语音信号电压放大100倍。
2. 平衡调制
IC1:1放大后的语音信号经收发转换开关二极管VD15、耦合电容C31送入由VD8~VD11四只1N4148组成的环形平衡调制器。由载频振荡器经过高频变压器B3次级(电路图左面)线圈送来的高频载频信号被R34、R33和R35分为对称的两路。
在没有语音信号时,二极管的VD10、VD11的连接点电位为零,相当于接地,因此从R33通过C30、VD8、VD11到地,以及从R35通过C31、VD9、VD10到地这两路是完全相同的,高频变压器T2右面线圈两端没有高频电压。
当有语音信号输入时,二极管被音频信号偏置,VD8、VD11和VD9、VD10电路的对称性被破坏,导致T2右面线圈两端出现随语音而变化的高频电压,其中包含有上下两个边带的频率分量,但载频仍被抑制。
有关上述“抑制载频平衡调制”更加详细的原理和数学分析可以参阅有关的高频电子技术书籍。
微调电阻R34和微调电容C30用来补偿由于元件参数的不对称,使载频泄漏最小。
本机的环形调制器电路在接收时用做环形解调器。
3. 发射高频放大
T2右面线圈两端的携带话音的高频信号经过磁耦合,由T2左面线圈通过耦合电容C3,送入VT3~VT6四级宽带高频线性放大器,其中VT3~VT5是甲类放大器,VT6是甲乙类功率放大器。VT6由VD5提供偏置和温度补偿,VD5要紧贴VT6安装以便热耦合。
放大后的信号经由L5、L6、C20、C21、C22组成的两节π型低通滤波网络,去除谐波分量,再由天线发射出去。输出功率可以达到2W。
4. 接收高频放大
天线接收的信号送到高频变压器T1和C23进行选频,从干扰中滤出所需频率的信号。电位器R25为衰减器,当接收信号过强、或者邻近频率有强干扰时,可以将信号适当衰减,以取得较好的接收效果。VD6、VD7构成限幅电路,以防发射时有过强的信号窜入接收电路。
VT7为高频放大器。放大后的信号经T2、C26再次选频后送到平衡解调器。
5. 平衡解调
VD8~VD11组成环形解调器,将T2送来的高频信号与T3送来的载频振荡信号进行混合,产生它们的“差频”与“和频”。其中“差频”正好就是单边带或者DSB信号所携带的音频信号。
6. 接收音频放大
解调得到的这个音频信号中可能夹杂有3000Hz以上高音频分量的噪音,因此先由R52、C49、C50、L8、C51组成的语音(低通)滤波器加以滤除,以提高信号的清晰度。然后经过共基极放大器VT9、共发射极放大器VT12放大。电感L9、电容C57、C59组成又一个低通滤波器,进一步降低噪声。然后经过运算放大器IC1:2的放大,最后由IC1:3、4并联组成的音频功率放大级推动连接到插座XS5的耳机EAR。本机音频功放级的特色是两个运放并联运用,虽然功率不大,但驱动一对串连的32Ω立体声耳机还是绰绰有余的。如果希望给本机加接低阻扬声器,一定要加一个输出变压器,或使用有源音箱。
需要提醒初学者的是,短波业余电台的功率常常是广播电台几百甚至几十万分之一,因此接收到的信号常常比较微弱。有些爱好者一开始按照收听广播的习惯,只期望听到响亮的信号,结果漏过了那些需要认真辨认的小信号。
本机耳机的插口和电源开关联动,插入耳机电源就接通,因此不必设置单独的电源开关。
7. 载频振荡
三极管BG8与电容器C34、C33和石英晶体谐振器JT1一起构成电容反馈三点式振荡器。JT1是29.250MHz的基频晶体。JT1与变容二极管VD16串联,构成可变晶体振荡器(VXO)。用电位器R42改变VD16的直流偏压,就可以在保证频率稳定度的前提下频率有限度地调整收、发信频率。
如果希望加大频率可调范围,可以自行购买同样的晶体并联在JT1两端(图中的JT2),构成所谓“Super VXO”。
8. 收发转换
收发转换电路主要由VT1,VT2,AN1组成,AN1为发射按键,在无线电通信中称为“PTT(Push-To-Talk)”键。当PTT被按下时,VT1导通,分别为VT3~VT6分别提供电源和偏置,使二极管VD15导通,经过运放IC1:1放大的语音信号通过开关二极管VD15送入平衡调制器,同时,VT2截止,切断接收部分高放级的供电,VT10导通,把接收部分的音频信号对地短路,实现接收部分的静音。这一点对于用耳机收听的机器特别重要,如果没有的话,收发转换时的噪声耳朵会很难受。
接收时松开PTT,VT2导通,为接收机高放提供电源,使开关二极管VD14导通,解调的出来信号经VD14送入音频放大部分放大后经耳机放出。同时VT1截止,切断VT3~VT5电源以及VT6的偏置电流并使静音管VT10截止。
9. 模式转换
模式转换电路用来实现切换DSB通话方式和CW等幅电报方式。
模式转换开关S2和话筒的插口XS4联动。插入话筒插头时整机处于DSB工作方式;拔掉话筒插头,开关S2自动接通,整机处于CW工作方式。
在CW方式下,将电键插入插座XS2,按下电键,高电平经S2、发光二极管VD12以及VD13使环形调制器的VD8和VD11导通,人为破坏环形调制解调器的平衡,产生连续的载频输出。输出的载频受制于按键。SB并联在XS2上,因此SB(PTT)按钮也可以兼做发报电键,供试验和应急通信使用。当然,平时拍发电报最好使用正规的电键,因为PTT键毕竟不是正规的电键,CW初学者如果用PTT来发报,容易把手法练坏。
下期我们介绍本收发信机元件的选用安装和调试方面的内容。
本收发信机的销售信息请见本期第71页的广告。
(徐悦)