一台TCL2966型彩电在屏幕中间出现一条随电视节目变化的彩色垂直亮线,有伴音,电源指示灯亮。
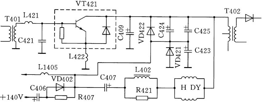
分析与检修:从电视伴音正常来分析,说明电视机的电源电路、微处理器、图像接收及伴音通道工作基本正常,故障仅限于行扫描电路。从电视屏幕中出现的垂直亮线随电视节目变化来看,视放电路、行扫描电路的行振荡、行推动及行输出级电路工作基本正常,根据维修经验,判断故障原因可能是行锯齿波电压没有送到行偏转线圈中或行偏转线圈开路等。打开机壳,有关电路见附图,直观检查没有发现元件有烧毁等异常现象,用数字万用表测行输出管VT421(VD2539)的各极电压,b极为-0.3V、c极为133V,工作基本正常。用表再测P403插头行偏转线圈两端对地电压都为133V,说明行偏转线圈是通的,再测电阻R421的另一脚,也就是电容C407的正端电压从112V左右往下降。从电路图和实际电路可以看出,电阻R421和电感L402是并联方式,行偏转线圈的一端接行管的c极,另一端接电感L402和电阻R421后到电容C407的正端。由此可以准确判断电感L402有可能开路或引脚虚焊接触不良。用数字表测电感L402好像是通的(数字表内蜂鸣器发声),但测电阻R421的两端有充放电现象,之后到无穷大。这说明电感L402还是不通,电阻R421有可能开路。仔细观察发现电感L402在靠塑料支架下的一脚虚焊,用烙铁补焊后,接收图像正常,故障排除。

(韩军春 孟宪成)