彩电亮度故障产生的原因是多种多样的,并不一定都产生在亮度控制电路,个别修理员往往把一些并不复杂的亮度故障造成误断,把活机修成了死机,那么究竟哪些亮度故障容易造成误判?产生误判的主要原因是什么?下面就自己近年来接修的被别人退修彩电中造成误断的几个例子进行具体分析,以供参考。
[例1]机型:如意SGC-3702
故障现象:
光栅无规律地时暗时亮。
分析与检修:
首先确定影响亮度故障的原因有哪些,此后逐一排除。影响亮度下降的主要原因有:(1)亮度控制和亮度电路;(2)ABL电路;(3)视放电路;(4)加速极电压。因该机亮度电路已被原修理员检查并将副亮度电位器更换过,故着重检查视放电路和加速极电压。视放电路没有查出故障。在检查加速极供电电路时,发现820V供电线从主板引出到视放板与R118相接处的多股铜线已严重锈蚀,只有一根铜丝与视放板相连(见图1A点),将此线和视放板相应部位锈蚀部分刮净后,重新将820V供电线焊接在原位后,故障彻底排除了。

[例2]机型:牡丹47C3
故障现象:
收看过程中频繁出现亮度变低,彩色失真,人的额头与头发相接处、发稍、脸蛋、黑眼珠变白等出现类似“负像”现象,同时图像清晰度下降,有时通过换台可使图像画面恢复正常。
分析与检修:
接修此机前已被两个修理员修过,其中放集成块IC101AN5132、图像中周L104、AFC中周L151、AGC电压调整电阻R119都已换新,亮度控制电路的一些元件焊点也是新焊过的。在此情况下,首先仔细观察其故障现象,在故障出现时调整亮度电位器,屏幕有亮暗变化;调整对比度电位器,屏幕亮度有变化,但清晰度没有变化;调整色度电位器,色度有变化。将色度调至最小时,光栅底色变成土红色,“负像”现象所有减轻。在检测电路参数时,发现故障时隐时现,类似有零件接触不良。由此断定,该故障极有可能是因某元件接触不良造成亮度信号丢失。围绕这一思路检查,查出维修开关S301相应的两个连接点(竖起电路板,从左起第二、三脚之间)有接触不良现象。用一根导线将两脚短接,故障彻底排除。
小结:
此故障的实质是维修开关S301相应的连接点有接触不良现象,使亮度信号丢失,其突出表现在于调整对比度电位器时,只有亮暗变化,而图像清晰度没有变化。前两位修理员造成误断的主要原因在于被“负像”现象和光栅亮度下降这一表面现象所迷惑,把检修思路局限在中频失谐和亮度偏低上而造成的。
[例3]机型:福日HFC-238DX
故障现象:
伴音正常,光栅亮度极低,图像清晰度下降。
分析与检修:
该机是被别的修理员退修后送来的。首先仔细观察故障现象,调整亮度、对比度、色度电位器,亮度、对比度、色度都有相应的变化,就是图像效果仍然很差。调整行输出变压器上加速极电位器旋钮,亮度有较大变化,在亮度较亮的情况下,观察图像效果,图像清晰度仍不理想;调整聚焦极电压,不起作用。但在调整加速极电压使光栅变亮后,可以看到较为明显的光栅左边暗、右边亮的现象,这是典型的视放电路180V供电电路滤波电容失效的具体表现。查此电容C774(见图2)发现已有一脚断裂,并且该脚附近有许多干涸的漏液。将此电容更换后,故障排除。

小结:
该故障容易造成误断的主要原因就是光栅亮度下降和图像清晰度变差并存,让人一时抓不住造成故障原因的主要症结。然而只要仔细检查故障的具体表现,从中找到光栅左暗右亮的这一突出特点就会使问题迎刃而解。需要注意的一点是该电容失效后,在不同机芯的机器上具体表现也各有差异。如:在松下M11机芯中,该电容C555(10μ F/250V)失容后,光栅亮度下降不太明显,但在左边暗右边亮的光栅上还可看到几根1~2cm宽从左至右逐渐变得不太明显的黑色肋条。
[例4]机型:海虹HH-5498A
故障现象:
刚开机一切正常,收看片刻,光栅亮度逐渐升高,几分钟后,光栅变成白板,且满屏回扫线,伴音正常。此时关机后马上开机,故障依旧,待机器冷却后再开机,机器又恢复正常。
分析与检修:
该机已被两个修理员修过,第一个修理员一直没有排除故障,第二个修理员通过调整加速极电位器,使故障变为:刚开机时光栅极暗,几乎看不到图像;开机一会,光栅亮度逐渐上升至正常,图像出现拖尾。此时关机后马上开机,光栅亮度正常;冷机开机时,光栅亮度又下降。
根据以上现象分析,故障范围可能在:(1)亮度通道电路;(2)加速极电压、阳极电压、聚焦极电压形成电路;(3)视放电路;(4)显像管碰极。故障为元件软损坏,即受热损坏的可能性最大。
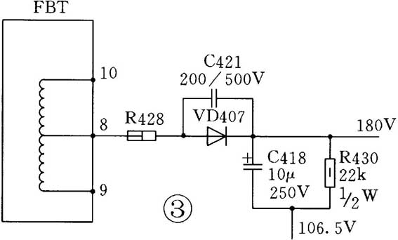
围绕以上分析的4条原因,本着先简后繁的思路,首先从视放电路进行检查,在故障出现时,测出视放板上180V电压只有90V,那么是什么原因造成180V电压下降呢?围绕180V形成电路(见图3)进行分析,发现此电路与目前大部分机型180V电路有所不同,该机180V电压从行输出变压器⑧脚引出后经R428隔离,VD407整流后,滤波电容C418的负极没有接地,而是接在+B106.5V端,且在C418两端又并联了一个1/2W22k电阻R430。根据这一电路的特殊性分析,180V电压下降到90V的最大可能是VD407开路后,+B106.5V电压通过R430降压后形成。果然查出故障就是VD407受热后开路而造成的。将其换一RU2快恢复二极管后,故障彻底排除。

小结:
此机前两个修理员没有修好的主要原因有两个,一是VD407随温度的升高而热开路,元件软损坏给检修带来一定难度;二是该机180V形成电路与一般机型有异,其特殊性容易使人忽略,给分析检修带来很大难度。走出维修误区的办法是要针对具体机型、具体电路的具体故障进行具体分析。只有这样,不管遇到什么样的难题,都会化险为夷,旗开得胜。
(张天发)