从控制角度上看,彩色电视机的发展经历了手控阶段、普通遥控阶段,现在又步入了I\(^{2}\)C总线控制阶段。手控彩电虽然具有电路简单、使用简单的特点,但使用极不方便;普通遥控彩电虽然操作方便,但电路结构复杂,控制线极多,严重制约整机功能的开发,且机内还有大量的可变电阻和拨动开关等器件,产品的可靠性较低;而I\(^{2}\)C彩电不但具有一般遥控彩电的优点,还具有电路结构简单、功能扩展灵活、产品可靠性高等特点,因而I\(^{2}\)C总线控制技术广泛应用于新型数码彩电中。
一、I\(^{2}\)C总线彩电与普通遥控彩电的异同点
图1和图2分别画出了普通遥控彩电及I\(^{2}\)C总线彩电结构框图。从框图上我们可以看出,I\(^{2}\)C总线彩电与普通遥控彩电的电路组成大致相同,二者都必须包含相应的信号处理电路,各信号处理电路的工作原理也基本相同。不同的地方只有两点,一是控制方式不一样,普通遥控彩电采用独立端子控制方式,每一控制量必须对应一个控制端子,这样随着电视机功能的增多,电路单元的增加,CPU的控制引脚也必将增加,CPU与各被控电路之间的连线也越来越多,从而使印制板上的走线(或连接线)十分繁杂。而I\(^{2}\)C总线只有两根控制线,在CPU上只占两个引出端子,这样不管电视机功能如何增多,被控电路如何增加,CPU的引出端子始终不变。当然,这并不是说I\(^{2}\)C总线上所能挂接被控电路没有限制,它最终还要受到总线容量(400pF)的限制;二是控制信号不一样,普通遥控彩电的控制量属模拟信号,各被控电路可以直接使用,无需接口电路进行转换,而I\(^{2}\)C总线系统中的控制信号属数字信号,各被控电路不能直接使用,必须由接口电路进行“翻译”和转换,方能使用。


二、I\(^{2}\)C总线的基本形式
1.I\(^{2}\)C总线的种类及引出方式
前已述及,当今全球有三种I\(^{2}\)C总线,即飞利浦总线、ITT总线及索尼总线。这三种I\(^{2}\)C总线的数据传送格式不太一样,家电产品中应用最多的是飞利浦总线,ITT总线使用较少,索尼总线几乎没有用于家电产品中。
I\(^{2}\)C总线的引出方式是由CPU的硬件结构和软件设置共同决定的,同一CPU上可以有一种I\(^{2}\)C总线存在,也可以有多种I\(^{2}\)C总线存在;可以引出一组I\(^{2}\)C总线,也可以引出多组I\(^{2}\)C总线。因此,I\(^{2}\)C总线的引出方式可分为三种,即单种单组方式、单种多组方式和多种多组方式。图3为康佳T2988P彩电的I\(^{2}\)C总线系统示意图,它属单种单组方式,因为CPU上只存在飞利浦总线,且引出的组数只有一组,所有的被控器全部挂在这组总线上。

图4为黄河HC2188彩电的I\(^{2}\)C总线系统示意图,它属单种多组方式,CPU上只存在飞利浦总线,引出的组数为2组,一组与存储器D902相连,另一组与小信号处理器N201相连。目前,绝大多数国产小屏幕数码彩电都使用这种方式。
图5为东芝32DW5UXE彩电I\(^{2}\)C总线系统示意图,它属多种多组方式,CPU上共引出三组总线,其中和引出的总线属飞利浦总线,用来挂接存储器;和引出的总线也属飞利浦总线,用来挂接主调谐器、副调谐器、小信号处理器等电路;和引出的总线属ITT总线(ITT总线上一般标有“ITT”字样),其上挂有主中频组件和PIP中频组件,整机由这三组总线进行控制。
国产彩电大都使用前两种形式,也有少数机型使用第三种形式,例如:我国长虹NC-6机芯就使用第三种形式。但无论哪种形式,在I\(^{2}\)C总线的引出端或引入端都标有SCL和SDA字样(少数机型标成CLK和DATA或I\(^{2}\)C字样),因此我们只需从CPU上或被控器上找到SCL和SDA端子,即可找到I\(^{2}\)C总线。
2.I\(^{2}\)C总线与被控电路的连接方式
在I\(^{2}\)C总线彩电中,总线与被控电路之间的连接方式有两种,一种为“直挂式”另一种为“隔离式”。所谓直挂式是指被控集成块直接(或通过电阻)挂在I\(^{2}\)C总线上。例如:长虹N2918型彩电(CN-5机芯),就使用这种方式,其总线系统如图6所示,图中,N201为微处理器,总线从它的和引出;N202为存储器,N701为小信号处理器,N661为伴音处理器,它们都是被控器,且都采用直挂式与总线相连。
据笔者统计,目前几乎所有I\(^{2}\)C总线彩电的存储器都使用直挂式与总线相连。
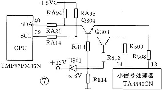
所谓隔离式,是指CPU引出的I\(^{2}\)C总线通过隔离器与被控对象相连接,隔离器一般由三极管或开关电路担任。例如:在高路华TC-2983彩电中,小信号处理电路就是通过隔离器与总线相连的,隔离器由三极管担任(如图7所示),三极管的基极加有固定偏置电压,集电极为I\(^{2}\)C总线输入端,发射极为I\(^{2}\)C总线输出端,这种电路的最大优点是:CPU与被控对象之间被三极管隔离开来,这样当被控对象发生故障而使I\(^{2}\)C总线电压升高时,三极管会截止,从而有效地保护了CPU不至于受这种高压的冲击而损坏。又如,在松下MX-2机芯彩电中,扫描处理电路通过隔离器与总线相连,如图8所示,所用的隔离器是一个电子开关集成块IC105(μPC4066),电视机在工作时,开关总处于接通状态,因而它仅起隔离作用。


三、I\(^{2}\)C总线系统分析举例

图9为海信TC2919KB彩电的I\(^{2}\)C总线系统,微处理器NA01的和为I\(^{2}\)C总线引出端,这组总线属飞利浦总线,总线上共挂有5个被控电路,其中存储器直接挂在总线上,其他被控电路通过隔离电路与CPU的总线输出端相连,隔离电路由VA12、VA02担任;总线与地之间所接的稳压管(6.2V)起保护作用,以防止总线电压升高而损坏CPU;RA20和RA23为上拉电阻,以确保CPU的总线输出端得到供电。在这个系统中,为了使CPU能分别对各电路进行寻址,每个被控器都有一个不同的地址,CPU与各被控器之间通过信息交换来完成各种控制。
(王忠诚)