凤之声AV-999是广东台山市凤鸣祥音响科技有限公司制作的新型家庭影院用AV放大器,其主声道电路完全按Hi-Fi要求设计,因此除可满足家庭影院需要外,还能用作家用高保真立体声放大,具有很高的性价比。图1为其原理结构框图,由输入选择电路、杜比定向逻辑解码器、卡拉OK混响电路、120W×5独立功放电路等组成。

杜比定向逻辑解码器
凤之声AV-999的杜比定向逻辑解码电路采用三菱公司的M69032P或JRC公司的JRC2177,该电路包含有杜比定向逻辑环绕声系统所需的全部功能,如输入自动平衡控制电路、自适应矩阵解码电路、工作模式及中置声道模式控制电路、7kHz低通滤波器、改进型杜比降噪电路和噪声测试发生器等。它还具有一路超重低音线路输出,以便另配有源超重低音音箱时使用。
卡拉OK及混响电路
图2为卡拉OK及混响电路的组成框图。卡拉OK混响电路中也采用三菱公司的数字式混响延时专用芯片M50195,使卡拉OK演唱的效果得到很好的发挥。该机另有一个特点,即话筒的高低音和音乐的高低音可分别独立调节,使歌声与伴奏乐能较好地达到平衡。
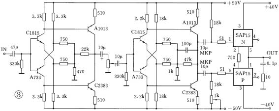
Hi-Fi功放电路
图3为Hi-Fi级的主声道功放电路,其原型是广受好评的凤之声音乐公主Hi-Fi功放线路,放大器的前、后级均采用全对称推挽电路,具有很强的抗噪声干扰能力。前级由C1815/A733及A1013/C2383组成10倍电压放大器。放大后的信号经50k音量电位器衰减后进入后级功放。后级功放中,C1815/A733及A1013/C2383组成两级电压放大,输出级采用三肯公司的SAP15N/SAP15P大功率复合对管,该管内部具有稳定功率三极管工作的温度补偿电路,工作建立时间快,温度补偿特性佳。采用该对管使功放每个声道性能指标一致性更佳,性能更稳定,音质也更好,定位准确,增加了声音的渗透力。中置与环绕声道功放电路与主声道基本相同,只是用料稍逊一些。

其他
凤之声AV-999的外观简洁明快,香槟色的铝合金拉丝面板上,几个功能键钮简单明了,让人一改以往对AV功放满是键钮的看法。面板的中上方是大型高清晰动态荧光显示屏(VFD),下方是功能盒,内有卡拉OK系统的7个键钮。
机内前两排直立板为卡拉OK和杜比定向逻辑解码板,中间左面为700W变压器。中至右并列着5个声道大型散热器,后方直立的为电源板。由于铝质散热器雄居中央,起屏蔽隔离作用,因此可有效降低了电源板对前级小信号电路的干扰。
背板接口有四组音频输入端,杜比定向逻辑解码后的5.1声道输入输出端(不用时可短接),两组与音频同步切换的视频输入输出端,5组接音箱的输出接线柱。
此外,该机还配有小巧的红外遥控器,可分别进行输入选择、音量调节(总音量、中置音量、环绕声音量)、静音和信号检测的遥控操作,让人倍觉方便实用。
凤之声AV-999本身不带杜比数字(AC-3)及DTS解码器,当要求不太高时,可购买内置杜比数字及DTS双解码器的DVD机,解码后的5.1声道信号直驳AV-999输入端,另配有源超重低音音箱加强低音效果。若认为DVD内置的解码器档次太低时,可外配高性能解码器。
主要性能指标
*主声道:
输出功率:2×120W(8Ω负载)
频率响应:20Hz~20kHz(0~-0.5dB)
谐波失真:<0.1%(1kHz)
*信噪比:>95dB(A计权)
高音调节范围:±10dB(10kHz)
低音调节范围:±10dB(100kHz)
*中置及环绕声道:
输出功率:120W(中置,8Ω负载),
120W×2(环绕,8Ω负载)
频率响应:20Hz~20kHz(-1dB,中置),100Hz~7kHz(-3dB,环绕)
*杜比定向逻辑解码器:
声道分离度:>35dB(1kHz,-10dB)
各声道谐波失真:<0.2%(1kHz)
*卡拉OK部分:
总谐波失真:<0.15%(1kHz)
频率响应:20Hz~20kHz(-0.5dB)
延迟时间:65ms、130ms、260ms
混响时间:0~5秒(连续可调)。
(周兴华)