这次无线电小组的活动内容,是使用音乐集成电路组装“光电音乐报讯器”(图1)、“音乐定时呼叫器”(图2)和“大功率音乐讯响器”(图3)。然后,在老师的辅导下,同学们进一步学习了有关音乐集成电路的应用知识。



同学:通过今天的电子制作,我们对音乐集成电路产生了浓厚的兴趣,希望您能讲讲它的内部电路。
老师:好。音乐集成电路简称音乐IC,又叫音乐片,它虽然看起来很小,却是一种包含着成千上万个元器件的CMOS大规模集成电路芯片,芯片的内部电路比较复杂,我只能画出它的原理方框图(图4)。可以看出,它由振荡器、节拍控制器、节奏发生器、曲调存储器(ROM)、包络发生器和前置放大器等单元组成。同学们暂时不必去探究音乐IC的内部电路,只需要了解器件的特性和使用方法就足够了。

同学:请问您,今天我们使用的两种音乐IC,一种是KD-9300,一种是HY-100,它们在应用方面有什么不同呢?
老师:市场上音乐IC的品种繁多,内存乐曲的内容更是琳琅满目。对选好的音乐IC,在使用时首先应该弄清楚各引脚的功能;其次要了解电源电压的适用范围;再者需要知道它的工作电流或最大输出功率。今天大家使用的KD-9300是国内应用比较广泛的系列单曲音乐集成电路(图5),它的工作电压范围是1.3~5V,但工作电流仅为50μA,由于输出功率小,用它组成电子门铃(图6)时,必须外接三极管VT进行功率放大后,才能推动小型扬声器(0.25W)放音。另一种音乐集成电路HY-100(图7)是把功率放大三极管集成在芯片内,工作电压为3V,工作电流为80mA,用它组成的电子门铃(图8),可以直接推动扬声器发声。这种音乐IC还设有蜂鸣器输出端BZ1(③脚)和BZ2(④脚),所以又能外接压电陶瓷片放音(图9),这时,内部的功放级不工作,可以节省电能。





同学:图1中的三极管VT2是不是起着开关作用呢?
老师:对。在音乐IC的触发电路里用三极管作开关元件,可以组成不同功能的音乐讯响电路。“光电音乐报讯器”就是一种光控音乐讯响电路。现在哪位同学说说它的工作原理?
同学:我说说看。光电音乐报讯器可以装在居室门外的过道上。平时VT1受到灯光照射,相当于一个低阻值电阻,它与电位器RP分压后,a点电位很低,VT2截止,相当于断开的开关,所以音乐IC不工作。当有客人经过时,光线被瞬间遮挡,VT1阻值变大,a点电位突然上升,VT2导通,音乐IC的触发端TRI获得正向触发电压进入工作状态,输出音乐信号经VT3功放后,推动扬声器BL放送出迎客乐曲(如拜年曲、祝福等),并报讯给主人示意有客到来。
老师:分析得不错。这里,电位器RP用来安装现场调节光控灵敏度。光源除了可用5~15W白炽灯外,还可以选用红外光源(大功率红外发光二极管)。实际上,三极管VT1也可以采用磁控、声控、温控,也可以自制湿敏探头组装成婴儿报尿器、下雨告知器、水位警报器,等等。同学们只要掌握了音乐IC的基本控制原理,学会灵活运用,就能设计出多种多样的有趣的音乐讯响电路。今天大家组装的“音乐定时呼叫器”电路(图2),接入的是一种RC定时电路。我想还是请一位同学给大家分析一下它的工作原理吧。
同学:我来试试看。使用“音乐定时呼叫器”时,先合上电源开关SA,由于按钮开关SB还是断开的,所以VT1、VT2没有基极偏流处于截止状态。这时电源通过R1给VT3注入基极电流,使VT3导通,音乐IC被触发工作,扬声器BL放出响亮的乐曲。定时开始时,按下SB,VT1、VT2通过RP获得基极电流而导通,a点电位突然降低,迫使VT3截止,切断了音乐IC的供电电源,扬声器停止放音。当松开SB时,C1经RP向VT1基极放电,放电电流维持VT1、VT2继续导通。经过一定的时间,C1的放电电流减小到不足以维持VT1、VT2导通时,VT1、VT2同时截止,VT3由截止变为导通,音乐IC通电并被触发工作,扬声器发出音乐呼叫信号。不知道分析得对不对?
老师:分析得很好。
同学:我还有个问题。定时电路为什么要用VT1、VT2两个三极管呢?
老师:VT1、VT2这种连接方式称为复合管,复合管可以等效为一只高β的三极管(β≈β1β2),它的特点是很小的基极电流Ib1,就能获得较大的集电极电流Ic2。定时电路中采用复合管,是因为放电回路中C1和RP的数值都很大,放电时间很长,放电电流很小。SB断开后,C1的放电电流就是VT1的基极电流,由于是复合管,就可以保证C1在长时间的放电过程中,VT2都能处于导通状态。
同学:我明白了。再请问您,今天我们制作的“大功率音乐讯响器”使用的音乐三极管和音乐IC片有什么不同呢?
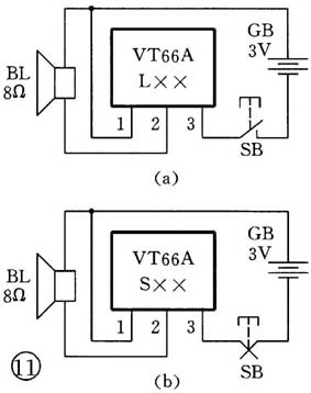
老师:音乐三极管是在音乐IC的基础上制作的另一种新颖器件,它的内部结构和工作原理与音乐IC片没有什么不同,只是封装形式有所变化,减少了引脚数目,缩小了占用印板的面积,性能更可靠,使用寿命长,防潮性能好,使用更加方便。今天使用的VT66A音乐三极管(图10),工作电压为1.5~3.5V,工作电流大于12mA,最大输出功率为300mW,可以直接推动扬声器放音。VT66A的触发方式有两种,一种是L型,采用电源触发,电源开关兼作触发开关。接通电源开关,它就输出音乐信号;断开电源开关,音乐即行终止。因此,它采用常开按钮控制〔图11(a)〕。另一种为S型,采用电平触发,每触发一次,就会演奏一首完整的乐曲,然后自动进入静止状态,所以应采用常闭按钮开关〔图11(b)〕。按一下SB,电源通断一次,音乐三极管获得一个正向触发脉冲而工作,乐曲奏完即恢复静止状态。


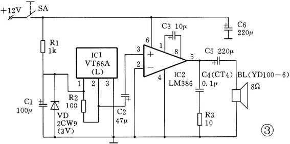
同学:“大功率音乐讯响器”(图3)中使用的集成块LM386(图12)和稳压管VD起什么作用呢?

老师:LM386是一种低电压功率集成电路,利用它把音乐三极管IC1输出的音乐信号进行功率放大后,输出足够大的信号功率,推动扬声器发声。由于LM386需要12V的供电电压,而音乐三极管的工作电压很低,所以接入了由R1和VD构成的简单稳压电路,将12V电压降到3V,为音乐三极管供电。
同学:怎样用万用表测试音乐IC的好坏呢?
老师:可以用万用表的R×1或R×10挡,黑表笔(表内电池正极)同时与音乐IC的V\(_{DD}\)端和TRI端相接,红表笔接V\(_{SS}\)端。然后,把音乐IC靠近一台中波收音机(收音机调到无台位置),适当调大收音机的音量,若能听到音乐IC的乐曲声,表明音乐IC是好的。
(宋东生)