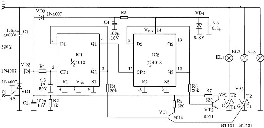
现代家庭的客厅装饰中,由于客厅的面积都较大,吊灯多由5~7只的白炽灯组成,这些灯如果全开全关,灯光变化太大,有时也无必要,但如要分别控制各灯,开关的数量及布线的复杂让人为难,目前常用的方法是用一只电子开关来执行分路控制的目标。吊灯的外接线路开关仅一只,电线也仅两根,与装一只灯一样。附图为吊灯电子开关电原理图,其中SA为装在墙壁上的一只开关,L与N为相线和零线,利用开关SA的连续开关可使电子开关3条分路上点亮的白炽灯不断增加,以图中3只白炽灯EL1、EL2和EL3为例:第一次开仅EL3亮;关掉SA后马上再开则EL2、EL3亮;再关掉后马上再开,EL1、EL3亮;继续关掉后再开,则EL1、EL2和EL3都亮。如果装7只白炽灯:EL3为并联的2只灯,EL2为并联的2只灯,EL1为并联的3只灯,这样第一次开2只灯亮,第二次开4只灯亮,第三次开5只灯亮,第四次开为7只灯全亮,然后周而复始循环变化。每次亮灯数由安装时连线决定。墙开关通向吊灯的电线还是两根,小体积的电子开关放在吊灯上某一不显眼的位置,很是方便。下面介绍电子开关的工作原理:

电子开关是利用一块CMOS双D触发器CD4013接成两路双稳态触发器,Q-与D端相连,R和S端都接地,第一级双稳态触发器输出端Q1与第二级脉冲输入端CP2相连,输出端Q-1和Q-2分别以小电流驱动三极管VT1和VT2,再得到较大电流去触发双向可控硅VS2和VS1,CMOS电路的电源和VT1、VT2的输出电流都由220V交流市电经电容C1降压后再经VD1、VD2、VD3整流后提供,VD4对CMOS电源起稳定保护作用。R1提供双稳态触发器的开机的上升沿触发脉冲,双稳态触发器在每个上升沿触发脉冲到来时输出端Q和Q-电平翻转。下面介绍其工作过程:
SA第一次接通,CP1端得到一上升沿脉冲,Q1为高电平同时也使CP2得到一上升沿脉冲,Q2为高电平,因Q-1和Q2皆为低电平,不能驱动双向可控硅导通,所以仅EL3亮。
SA第二次接通,CP1又得到一上升沿脉冲,Q1为低电平,与之相连的CP2也为低电平,故此时IC1翻转而IC2不翻转,Q-1为高电平,驱动VT1和VS2导通,此时EL3和EL2亮。
SA第三次接通,IC1又翻转,Q1为高电平,亦使IC2翻转,所以Q-1为低电平,Q-2为高电平,驱动VT2和VS1导通,此时EL3和EL1亮。
SA第四次接通,IC1再次翻转,Q1为低电平,所以IC2不翻转,所以Q1-与Q-2都为高电平,VT1、VS2和VT2、VS1都导通,EL3、EL2和EL1都亮。
如SA再次接通,电路又回到第一次接通状态,以后将循环变化。附表说明变化状态。

这里R2的存在使IC1在SA关断时,C2、C3上的电量快速释放掉,从而使电路在SA再次接通时CP1有上升沿脉冲进入,触发电路翻转,而VD3则阻止电容C4上的电量的快速释放,以维持CMOS电源有足够的电压,使触发器IC1和IC2在SA关断的较短时间内保持原状,以便接收下一触发脉冲的到来,当然关断时间足够长,C4上的电量也会经CMOS电路释放掉,而回到起始状态。
由于本电路使用的双向晶闸管不宜控制电感性负载,所以不宜接入节能灯和荧光灯。EL1和EL2上并联的灯具总功率受VS1和VS2的限制,本电路每一负载不宜超过300W。
(姜立中)