国际互联网的迅速发展为电子爱好者提供了很多方便,一些国外的电子爱好者把自己设计制作的小电路放到了自己的网站或网页上,进行交流。我们从中摘录下部分电路,供大家参考。从这些电路中我们可以了解国外电子爱好者在设计电路时的一些思路。这些电路一般比较简单,电路所用元器件在国内都可以买到,电子爱好者有兴趣可以试着做一做。
1.超声遥控开关
图1(a)是超声遥控开关的发射电路,它由一只555时基集成电路IC1组成振荡器,通过三极管VT1和VT2驱动超声波发射头B1,发出超声波。图1(b)是超声遥控开关的接收电路,超声波接收头B2将收到的超声波转换成电信号,经过三极管VT3与VT4放大,再由二极管VD3、VD4整流后,控制运算放大器IC2。最后由三极管VT5、VT6驱动继电器工作。
电路中使用了一对超声波发射、接收头。可选用T/R40系列产品,这个系列的发射、接收头对40~50kHz的超声波比较敏感。所以发射电路的振荡频率也设计在这个范围里。需要注意的是,超声波发射头和超声波接收头不可混淆,T40为发射头,R40为接收头。集成电路IC2也可选用F741或LF351等通用运算放大器。电路中的三极管,NPN型的可用9014;PNP型的可用9015等。二极管可用1N4148硅二极管。
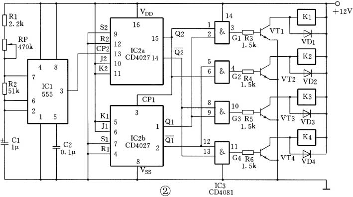
2.彩灯循环电路
电路由振荡电路、分频电路、编码电路和驱动电路组成,如图2所示。555集成电路IC1及外围元件组成振荡器,调节电位器RP可以改变振荡器的振荡频率。集成电路IC2是CD4027双JK触发器,用它完成分频工作。集成电路IC3是CD4081两输入端四与门,用以构成编码电路。三极管VT1~VT4及四只继电器为驱动电路。每只继电器可带电灯的数量取决于继电器触点电流的大小。将四组电灯间隔排列,就可以组成循环彩灯。

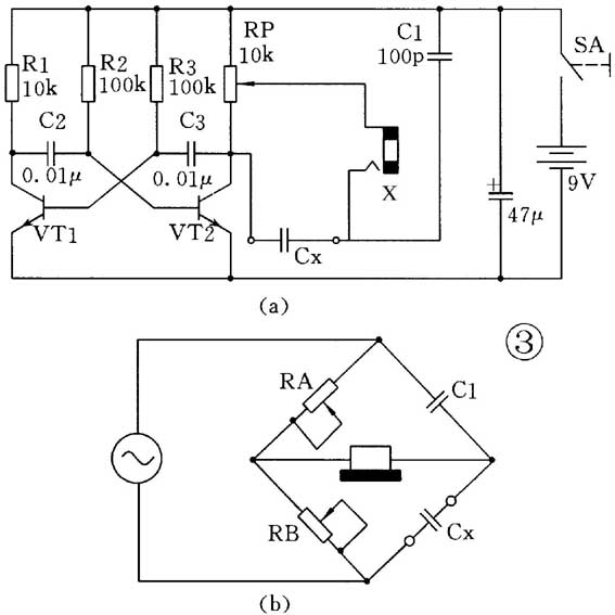
3.电容器电桥
图3(a)是测量电容器的电桥电路,它的核心是由多谐振荡器组成的交流信号源。插座X外接耳机,最好使用高阻耳机。Cx是被测电容器,它的容量应与电容器C1为同一个数量级。如果被测电容器的容量为数千皮法,那么电容器C1也应选择数千皮法。使用时调节电位器RP,使耳机中的声音最小或听不到为好。然后根据公式:
Cx=C1×RA
计算出被测电容器的容量。
图3(b)是电桥原理的示意图,RA为电位器中点与电源正极间的电阻值;RB为电位器中点与三极管VT2集电极间的电阻值。如果在电位器的刻度盘上刻出RA与RB的比值,使用起来就更方便了。

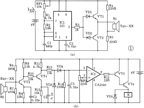
4.电话通话电路
这是一个用分立元件制作的电话通话电路,如果配上机械的拨号盘,就可以作为脉冲话机使用。图4是它的电原理图,其中B1是用压电蜂鸣器做的有源振铃电路;B2是扬声器;B3是驻极体话筒。SB1是一组常开、常闭开关,在断开振铃电路的同时,就接通了通话电路。按钮开关SB2为静音开关,按下此开关后就不能把话音送到电话线上。发光二极管VD5作为指示用;稳压二极管VD6的稳压值约为6.8V;其他二极管的型号均为1N4001。电路中的电位器RP1和RP2都是调节音量用的。由于电话线上有48~60V的电压,所以三极管VT2的耐压不能低于60V。
另外,在因特网上还有大量的实用电子电路,读者可上网查找:www.epanorama.net。
(周海)
