集成了风扇控制/驱动器的遥控温度开关MAX6670
MAX6670是MAXIM公司2001年10月推出的新器件,是一种集成了风扇控制/驱动器的遥控温度开关。该器件的主要特点是:集成了能驱动+12V/250mA的风扇驱动器;无需校准;由管脚来选择4℃、8℃或12℃的滞后温度;工厂已在器件内部设定了温度阈值,从40℃~75℃;超温(超过阈值温度)给出超温报警信号;工作电流低,典型值为110μA;节省空间的10脚μMAX封装。
该器件主要应用于台式或笔记本式计算机、网络开关、计算机电源、实验室仪器、温度报警器及散热风扇控制等。
应用电路如图1所示。

查询网址:pdfserv.maxim-ic.com/arpdf/MAX6668-MAX6670.pdf。@
锂离子及锂聚合物电池充电器bq2420X系列.
bq2420X系列是德州仪器公司2001年10月推出的新器件,是一种用于锂离子电池或锂聚合物电池的充电器。该充电器主要特点是:内部有高精度电压调节、功率MOSFET、温度监控、充电状态及充电终止电路集成在一个芯片上;外围元件少,节省空间及成本;功率MOSFET可输出500mA;电压调节器精度为0.5%;有电池装入及取出检测;通过最小充电电流及时间来终止充电;预充状态时有安全定时器;充电状态有LED指示或由主处理器接口后指示;在充电前及充电过程中对温度进行监控;8脚MSOP封装。
典型应用电路如图3所示。

查询网址:www-s.ti.com/sc/psheets/slus501a/slus501a.pdf。@
有SPI兼容串行接口的数字温度传感器MAX6662.
MAX6662是MAXIM公司2001年10月发布的新器件,是一种12位加符号位数字温度传感器。该传感器的主要特点是:12位加符号位,分辨率0.0625℃;精度与温度有关,+30℃~+50℃时为±1℃;0℃~+70℃时为±1.6℃;-20℃~+85℃时为±2.5℃;+150℃典型值为±2.5℃;测量温度范围为-55℃~150℃;低功耗,平均工作电流典型值为125μA;有关闭模式可减少功耗,适用于便携式装置;有两个可编程温度故障输出;8脚SO封装。
该器件主要应用于通风采暖系统、电冰箱、汽车及测试设备等。典型应用电路如图2所示。

查询网址:pdfserv.maxim-ic.com/arpdf/MAX6662.pdf。@
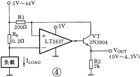
“超顶级”运算放大器LM1637
“超顶级”是线性技术公司的商标(Over-the-TOP\(_{TM}\))。超顶级运算放大器是一种允许输入电压超过电源电压的独特的新颖器件。该运放主要特点是:最大输入共模电压可达44V;工作电压2V~44V;工作电流250μA;增益带宽积典型值1.1MHz;失调电压350μV;输出电流25mA;有MS8及SO-8封装。
该运放适用作高端电流检测器,其典型应用电路如图4所示。负载电流ILOAD与输出电压关系为
I\(_{LOAD}\)=V\(_{OUT}\)/(RS×R2/R1)
式中RS为电流检测电阻。

查询网址:www.linear.com/pdf/1637a.pdf。