概述
LTC1799是美国线性技术公司生产的精密振荡器芯片,它采用2.7~5.5V的单电源工作,快速启动时间小于1ms,电流仅约1mA。LTC1799无需外加定时电容器,利用一只3kΩ~1MΩ的金属膜电阻器,就可以在1kHz~33MHz范围内编程振荡器频率,提供占空比为50%的矩形波输出。LTC1799的工作温度范围为0~70℃,频率温度稳定度为±40ppm/℃,在5kHz~20MHz和25℃下的频率误差绝对值不大于1.5%。
LTC1799的应用十分简便,并只占据非常小的印制电路板(PCB)空间。这种低成本精密振荡器单片IC可用于电荷泵驱动器、开关电源时钟参考和开关计时电容器滤波器,替代固定晶体振荡器和陶瓷滤波器等振荡器件。
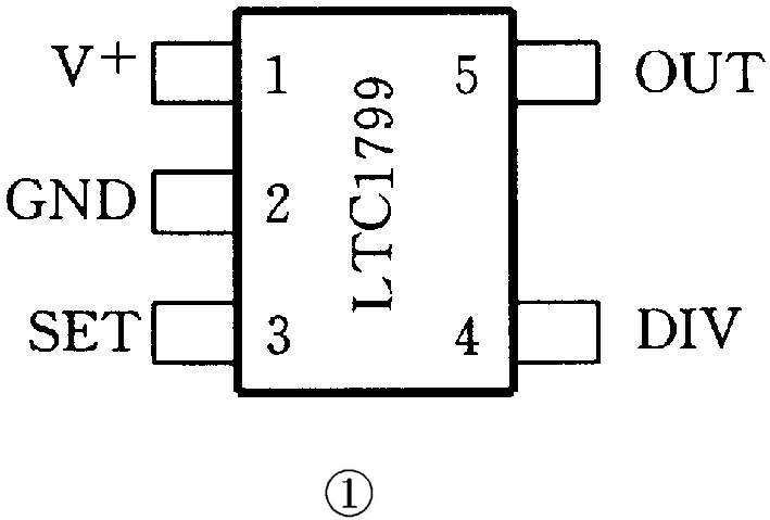
LTC1799的①脚(V\(^{+}\))为电源电压施加脚,②脚(SET)是频率设定电阻输入,③脚(GND)是接地脚,④脚(DIV)是除法器设定输入,⑤脚(OUT)是振荡器输出。
LTC1799的主振荡器由V\(^{+}\)与SET之间的电压和进入SET的电流I\(_{RES}\)控制。IC内P沟道MOSFET及其栅极偏置电压V\(_{BIAS}\)迫使SET脚上的电压比V\(_{+}\)约低1.13V。连接于V\(_{+}\)脚与SET脚之间的外部电阻R\(_{SET}\),决定主振荡器的频率f\(_{MO}\):
f\(_{MO}\)=10MHz·(10kΩ/R\(_{SET}\)) (1)
R\(_{SET}\)可以在3kΩ到1MΩ之间进行选择,在5V电源电压下,f\(_{MO}\)的数值在100kHz到33MHz之间。R\(_{SET}\)选用10~200kΩ的精密金属膜电阻可使IC具有较理想的性能,主振荡器频率范围从0.5MHz到10MHz。只要电源电压高于4V,在20MHz(即R\(_{SET}\)=5kΩ)下仍能保持较高的频率精度。
为扩大LTC1799的输出频率范围,在⑤脚驱动输出之前,主振荡器信号可以除以1、10或100,具体由IC④脚三种状态输入选择决定。当④脚接地时,可编程除法器除以1;当④脚悬空时,则除以10;当④脚连接V+时,则除以100,如图3所示。因此,根据公式(1),振荡器输出频率f\(_{osc}\)可由公式(2)决定:
f\(_{osc}\)=10MHz·[10kΩ/(N·R\(_{SET}\))],N=1、10、100 (2)
当N=1时,振荡器频率范围最高,最小值也大于500kHz;当N=10时,f\(_{osc}\)=50kHz~1MHz;当N=100时,f\(_{osc}\)<100kHz。在V\(_{+}\)=5V和N=1条件下,IC的CMOS驱动器输出上升/下降时间为7ns,即使在20MHz上也保持清晰的矩形波。当N=10和N=100及V+=5V时,振荡器上升/下降时间增加到14ns。压摆率降低有助于减小电磁干扰(EMI)。
频率设定电阻R\(_{SET}\)在5V电源电压下,最小值是3kΩ(在V\(_{+}\)=3V时为5kΩ),最大取值是1MΩ。
应用简介
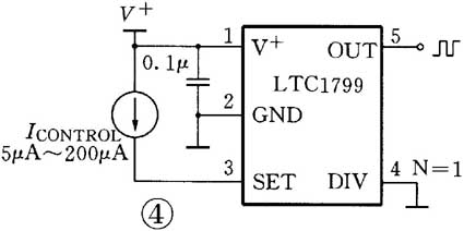
在LTC1799①脚与③脚之间施加一个外部电流源,可以组成一个电流控制振荡器电路,如图4所示。由于V\(^{+}\)-V\(_{SET}\)≈1.13V,R\(_{SET}\)则由1.13V/I\(_{CONTROL}\)替代。IC④脚接地,N=1,根据公式(2),振荡器频率f\(_{osc}\)可表示为:
f\(_{osc}\)=10MHz·10kΩ·I\(_{CONTROL}\)/1.13V (3)
在控制电流源为5~200μA时,振荡器频率范围为400kHz到21MHz。由于选择(V\(^{+}\)-V\(_{SET}\))等于1.13V存在一定的误差,故这种电流控制振荡器的频率精度低于电阻(R\(_{SET}\))控制振荡器。
利用LTC1799可以组成电压控制振荡器(VCO)电路,如图5所示。一个0~1.13V的电压源与R\(_{SET}\)相串联,振荡器频率f\(_{osc}\)可用公式(4)计算:
f\(_{osc}\)=10MHz/N·10kΩ/R\(_{SET}\)·(1-V\(_{CONTROL}\)/1.13V) (4)
在图5所示的电路中,N=1,R\(_{SET}\)=10kΩ,于是公式(4)变为:
f\(_{osc}\)=10MHz·(1-V\(_{CONTROL}\)/1.13V) (5)
从公式(5)可知,f\(_{osc}\)随控制电压V\(_{CONTROL}\)减小而增加。
利用LTC1799组成的温度-频率变换器电路如图6所示。一只热敏电阻RT连接于IC①脚与③脚之间,IC的④脚浮置,故N=10。根据公式(2),振荡器频率f\(_{osc}\)由公式(6)决定:
f\(_{osc}\)=10MHz/10·10kΩ/RT=1MHz·10kΩ/RT (6)
R\(_{T}\)是NTC热敏元件,在25℃下的阻值为100kΩ。将其代入公式(6)可得:f\(_{osc}\)=100kHz。随温度升高,RT阻值减小,输出频率提高。图7示出了温度-频率变换器输出频率随温度变化曲线。
(4) 数字控制振荡器
图8示出的是采用数字控制的振荡器电路。流入LTC1799脚SET的电流为:
I=(V\(^{+}\)-V\(_{SET}\))/10kΩ·C/4096 (7)
在公式(7)中,C为数模转换器(DAC)输入代码,其数值在200到3480之间。LTC1659和LT1491芯片在数字控制过程中,由于输入条件不同,C值也就不同,从而引起LTC1799③脚上的输入电流发生变化,输出频率也随之改变。
根据公式(2)和公式(7)等公式,这种数字控制振荡器的输出频率可用下面简化公式计算:
f\(_{osc}\)=10 MHz/N· C/4096 (8)
在图8所示的应用电路中,由于LTC1799的④脚连接V\(_{+}\)(3V),N=100,并且C=200~3480,所以输出频率范围为5~85kHz。当N=10和N=1时,根据公式(8)可知,输出频率范围分别为50kHz~850kHz和500kHz~8.5MHz。
此外,LTC1799还可以与74HC4520及LTC1067-50组成80Hz~8kHz正弦波产生器。
编者注:有关LTC1799更详细的原厂资料可上网下载:www.linear.com/pdf/1799f.pdf。
(毛兴武)





