LM20是一种微功耗、微型模拟温度传感器,是目前业界尺寸较小的温度传感器。它的特点是:采用微型SMD封装,外尺寸仅为853μm(长)×853μm(宽)×900μm(高),可以说是微乎其微,另有小尺寸SC70封装;工作温度范围宽,从-55℃到+130℃;耗电省,最大工作电流10μA,自热影响极小;工作电压从+2.4V到+5.5V;在+30℃时的精度为±1.5℃到±4℃(max),在-55℃及+130℃时精度为±2.5℃到±5℃(max);非线性误差为±0.4℃;输出阻抗为160Ω(max);负载电流影响约为-2.5mV(max)。
这种小尺寸、精度一般的温度传感器适用于电子产品防止过热保护电路,或作要求精度不高的温度控制,特别适于便携式应用。应用领域有:蜂窝电话、计算机、电源模块、电池管理、传真机、打印机、采暖通风系统、硬盘驱动器、电子仪器及设备等。
管脚排列与功能
LM20有两种封装形式:5管脚SC70封装及4管脚微型SMD封装,如图1所示。各管脚功能如下:V+:电源正端,2.4~5.5V;GND:电源负端,地;V\(_{0}\):输出端;NC:空脚,不连接。

输出电压与温度关系
LM20在25℃左右有较好的精度,其输出电压V\(_{0}\)与温度T的关系可用下式表达
V\(_{0}\)=-11.69mV/℃×T+1.8663V
由于温度特性有一定的非线性,在-55℃~+130℃范围内,输出电压V\(_{0}\)与T更精确的关系可用下式表达
V\(_{0}\)=(-3.88×10\(^{-}\)6×T\(^{2}\))+(-1.15×10\(^{-}\)2×T)+1.8639
这样计算较为复杂,在一定温度范围内可采用表1的线性化公式来计算,在较小的温度范围内误差不大。

LM20的三种后缀
LM20有三种后缀:B、C、S,它们的温度精度及温度范围有些差别,如表3所示。

应用电路
基本应用电路如图3所示。V+与GND之间可接一个0.1μF旁路电容。V+在2.4V~5.5V之间。
一种简单的温度控制电路如图4所示。它由电压基准LM4040、比较器LM7211、温度传感器及一些阻容元件组成。比较器接成有一定滞后电压的,可防止噪声在阈值温度上下产生振荡。阈值温度对应的电压可由下式计算
V\(_{T1}\)=4.1V×R2/(R1+R2//R3)
V\(_{T2}\)=4.1V×R2/(R2+R2//R3)
式中4.1V是LM4040的输出电压。V\(_{T1}\)-V\(_{T2}\)是滞后电压。
此电路在温度高于V\(_{T2}\)时输出低电平,低于V\(_{T2}\)时输出报警信号低电平;当温度回升到V\(_{T1}\)时,输出才从低电平转变为高电平,如图5所示。

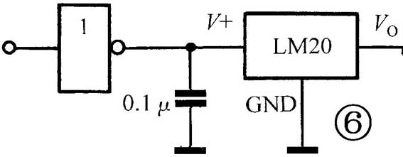
一种可利用改变电平来关闭温度传感器的电路如图6所示。当反相器输入低电平时,反相器输出高电平向LM20供电;当反相器输入高电平时,则LM20无电源输入而关闭。
4.LM20与A/D变换器连接电路
一种简单的LM20与ADC连接电路如图7所示。图中470Ω电阻与0.1μF电容组成滤波器。电源由LM4040稳压供电,A/D变换器采用ADC V0831。
使用注意事项
LM20能很好地带动小于300pF的电容负载。但为防止环境噪声干扰,建议在V+与GND之间加接一个0.1μF的旁路电容,输出加一个RC滤波器。另外,输出线应采用屏蔽线,如图8所示。
编者注:有关LM20更详细的原厂资料可查询网站:www.national.com/pf/LM/LM20.html。
(戴维德)




