一、PC遥控器的总述
近年来,个人电脑逐步进入千家万户已是一个不争的事实,作为一个电子爱好者,我们完全可以动手来改造电脑或者为电脑制作实用的外设,使自己的电脑功能更强大、使用更方便、也更有自己的特色。如果你有兴趣的话,可以跟着笔者来做一个电脑用的多媒体遥控器,在制作的过程中,你也可以学到不少关于单片机的知识。
个人电脑在多媒体方面的性能极为出众。在影音播放方面可以使用不同的软件来播放众多的媒体格式,比如CD、VCD、MP3、MPEG4、DVD、RM等;如果配上不同的声卡,还能够支持SRS、杜比定向逻辑、杜比AC-3等各种环绕音效。这些都是普通的电视机、CD机、录像机、影碟机所无法比拟的。但是电脑的普通操作都是通过键盘和鼠标实现,不仅操作复杂,且有距离限制,各种操作都需趴在电脑前完成。这样在使用多媒体功能(比如观看影碟时的播放、暂停、快进、快退等)时,即使熟悉电脑操作的技术人员,也颇觉不便,对于初学者和外行来说,更是无从下手。反观普通的电视机、CD机、录像机、影碟机,它们的操作都通过一个遥控器来完成,任何人无需站在跟前,只要按下相应的按键,就能达到相应的功能。由此可见,如果我们能够为电脑配上一个红外遥控器,那么我们就可以坐在沙发上,轻轻松松地控制电脑了;甚至即使你那从未摸过电脑的父母也能用遥控器来操纵一下这个科技的产物了。
我们要做的这个PC遥控器不单能够完成遥控影音播放方面的功能,还具备如下的功能:
遥控VCD、DVD播放软件、ACDSEE看图软件、MP3音乐播放软件、文章阅读软件,遥控玩游戏、上网、收发电子邮件、鼠标、键盘、多媒体演示、语音报时等。
实际上,针对每个软件都可以在同一遥控器上建立专门的遥控设置来遥控它的各项功能。这种可以随意扩展的性能,使得我们要制作的这种PC遥控器具有较为广阔的应用范围。
3. PC遥控器的结构总体框图(如图1所示)
其中遥控发射部分采用普通的红外遥控器,无需自己制作。电视机、影碟机等的遥控器都可以用在此处。
二、遥控器接收电路结构与原理
该PC遥控器接收部分的核心使用了一块PIC12C508。在本刊去年第10期的单片机速通教程中有对PIC12C508的介绍,本处略。
由于PIC12C508是一种超小型的OTP单片机(8引脚),体积虽小却集成了众多的功能,可以省去很多别的单片机应用中必须外接的元器件,并且它的价格十分便宜。所以采用该种单片机来制作PC遥控器,可使电路简化、体积缩小、成本降低。
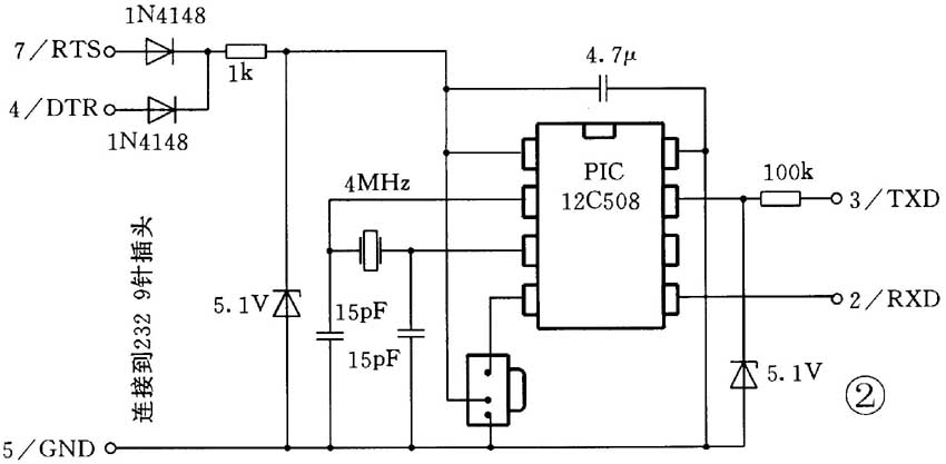
下面我们来分析一下电路原理,接收部分的电路原理图见图2。
接收头部分主要的功能是把红外信号转换成电信号,它内部有红外接收管用来接收红外信号并转换为电信号,然后由内部的前置放大器进行放大,再经过限幅、滤波、整形,最后输出TTL电平信号送至单片机12C508的一个I/O口。红外接收头通常采用市售的成品模块,这种模块有3个引脚,分别为Vout(输出)、Vcc(+5V)和GND(地),TTL信号从Vout输出。
单片机部分:
12C508的第1脚是V\(_{DD}\),接正电源,第8脚是地。
第2、3两脚复用,既可作为I/O口,也可外接晶振,本电路中作为外接晶振用,如图2所示,一个4M晶振和两个15p电容组成外部振荡电路,如果采用片内振荡方式,则这些元件可省略。
第4脚也是复用,这里当作I/O口用,此脚用来接收红外接收头输出的TTL数据信号。
第5、7脚是双向I/O口,用作与计算机的串口进行232通讯。单片机从第5脚发送数据到计算机串口的RXD端,第7脚从计算机串口的TXD端接收数据。在这里,可能有的朋友会有疑问,单片机输出的就是TTL电平,TTL的信号电平为0~5V,RS232信号电平为-12~+12V,它们怎么可以不通过转换电路直接连接呢?其实尽管RS232指定信号电平为-12~+12V,但据我所知大多数的计算机串口都能很好地工作在0~5V电平。所以为简化电路可以省掉232转换的专用芯片。由于单片机输出的电平低于RS232电平,所以没有必要提升单片机的输出电平来适应RS232,可以把单片机的输出直接连接到RS232的输入端,而不会对计算机串口造成任何损坏。相反,RS232信号电平很高可能会损坏单片机的I/O口,所以需要在单片机的输入端加稳压电路(使用一个10K电阻和一个5.1V稳压管),把电平限制在5V以内(注:这个
5.1V的稳压管应该也是可以省略的,因为PIC单片机的I/O口内部有电平保护电路)。但是如果你觉得有必要的话,也可在本电路中加入一个MAX232来进行电平转换,不过成本要高一些。
单片机的第6脚空闲不用。
电源部分:
为了简化电路、缩小体积,单片机和接收头的电源没有使用外接电源或者电池,而是从计算机的RS232接口获得。计算机串口的DTR和RTS两根数据线在正常情况下始终处于高电平,电压大约在+12V左右,短路电流比较小,在7~10mA之间。所以我们可以把它稳压到+5V供我们使用,电路图中的1N4148是起保护作用,之所以使用DTR和RTS两个引脚来供电,是为了增大负载电流。图2中的1K电阻是用来限流的。
三、电路制作中的注意事项
1. 红外接收头最好选用带铁壳的,这种屏蔽效果较好,不易受干扰。焊接时一定要把铁壳接地。
2. 对12C508进行编程时,应根据电路不同选择合适的振荡方式。
3. 由于12C508是OTP的,只能一次性编程,一但写入程序,就不能改变了,所以编程时要小心,不要出现操作错误。
4. 如图2所示,RS232信号线上的信号电平被限制在0V和+5V之间。这样就限制了串口电缆的最大长度,一般来说2米以内不使用屏蔽线仍能工作得很稳定,如果有条件,也可采用屏蔽线。
5. 红外遥控器的选择。可以选择彩电、录像机、CD机、VCD机、音响、DVD机甚至空调的遥控器。由于红外遥控器的编码格式众多,所以单片机程序不可能支持所有的编码格式,所以可能有的遥控器不能在此使用。不过据我测试,市面上的大部分遥控器都是可以用的,推荐采用SAA3010芯片的遥控器。
四、进一步的改进
1. 为了使用方便,随时观察工作状态,可以增加电源指示和信号指示。电源指示可以在电源和地之间加一个限流电阻和一个发光二极管,注意限流电阻阻值不能太小,否则耗电量大,也不能太大,否则发光管亮度不够,可在4.7~6.8K之间。信号指示可加在第4脚和电源之间,利用12C508 I/O口倒灌电流的工作方式,以减小耗电量,其限流电阻同样在4.7~6.8K之间。此外,原电路中的1K限流电阻的阻值也应适当减小。
2. 对笔记本电脑的适应性。笔记本电脑为了省电,其串口的输出能力较差,所以如果要在笔记本电脑上使用,需对电路的限流电阻的阻值进行调整。
下期,我们将接着为大家介绍电脑遥控器软件部分的设计制作。
(电子DIY工作室)

