声雅SV-231晶体管前后级合并式甲类功放是广东中山市声雅音响器材厂生产的一款高级功放。该机音场开阔准确,音色细腻入耳,曾获第三届国产影音器材大展“最受好评产品”称号。
前级放大电路
图1为前级放大电路。波段开关S2及R2、R4、R6、R8组成音源选择器,信号经选通后加到电位器VR1进行音量调控,随后经R9加至场效应管VT3、VT5及VT7、VT9组成的共源-共栅输入级电路放大。VR2为平衡电位器。该输入级的增益较低而频带很宽,有助于扩大输入信号动态范围、降低噪声、减少失真,并且VT7、VT9的栅极偏置由VT15恒流电路提供,使得VT7、VT9栅极上的互为反相信号相互抵消而形成虚地,大大降低了输入级的噪声干扰。VT1是输入级的源极恒流源电路,具有极高的交流阻抗,使得本级具有很好的共模抑制比,稳定性优良。VT17、VT19组成前置级的差动电压放大器,工作电流约3mA/每管。由于输入级为共源-共栅电路,输出阻抗较高,故在VT17、VT19之前插入VT25、VT27组成的场效应管阻抗变换电路,以求匹配阻抗。VT21(VT23)为VT17、VT19的射极恒流源,有利于提高输入阻抗、稳定增益。VT11、VT13为差动放大器的电流镜像源负载,对称性良好,使该级具有较高的性能:增益大、工作稳定、共模抑制比强。VT31、VT33为全互补的射极输出器,能提供较大的功率用以强力驱动后级功放。VT29为VT31、VT33的偏置电路,防止产生交越失真与开关失真。

后级功放电路
图2为后级功放电路。其中VT37、VT39与VT41、VT43组成共源-共栅输入电路(该部分见图1),VT55、VT57组成差动电压放大器,与前置级的组成完全相同,在此不再赘述。VT67、VT69及VT71、VT73组成达林顿推动级,这种方式有足够的能力驱动末级功放,达到满功率输出,从而轻松推动任何大功率扬声器。VT75、VT77、VT79及VT81、VT83、VT85为三对并联工作的东芝公司音响输出专用大功率管2SC3280/2SA1301,每管的偏置电流达0.4A,三对管子的总电流达1.2A,处于甲类工作状态,输出功率为20W×2,而甲乙类输出时的功率高达100W×2(8Ω负载)。
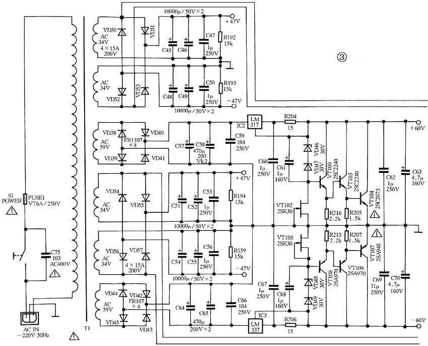
电源部分
图3为电源电路。变压器为容量达500VA的低漏磁环形变压器,满功率输出时的电压下降波动也不大。整流桥堆的功率容量较大,为25A/400V。滤波电容采用日产的音响专用电解电容,总容量达80000μF。前后级的电压信号放大器由VT102~VT109、LM317、LM337并联稳压器供电(±60V),确保了音乐瞬态信号的高速响应与动态范围。

其他部分
SV-231的元器件选用非常考究,所有电阻均为5色环低噪声金属膜电阻,大小功率的晶体管、场效应管都使用进口音响发烧管,连信号输入端和功率输出端也为专用的大型的镀金端子。整机采用框架式结构,坚固异常。由于输出级工作于甲类状态,除使用巨型的外露式高效散热器外,还在机壳内侧使用厚3mm的优质铝板加强散热。为了保证功放及音箱的使用安全,该机还设有完善的延时接通、过载保护、短路保护等功能,在此就不一一赘述了。
音质评价
声雅SV-231采用甲类功放线路和优质的元器件,经反复试验、合理布线、精心装调而成,其音质表现非常优秀,低音深沉雄壮,中音通澈明亮,高音细腻悠长,播放动态较大的交响乐时具有很好的透明度与层次感,在播放弱音较多的古典音乐时也有细致的表现。
主要性能指标
输入阻抗:47kΩ
输出功率:2×20W(8Ω,甲类)
2×100W(8Ω,甲乙类)
2×200W(4Ω,甲乙类)
频率响应:20Hz~20kHz±0.5dB
信噪比:90dB
输入灵敏度:150mV
谐波失真:<0.1%(1kHz,1W)
(周兴华)