河北 张帅:请介绍霍尔元件的分类、作用和主要参数,如何选用?
霍尔元件是利用霍尔效应原理工作的磁敏元件,由半导体材料制成。当磁场靠近或远离霍尔元件时,其输出电压随之改变。将霍尔元件、放大器、温度补偿电路和电源电路等集成在一个芯片上,即成为霍尔传感器,也称为霍尔集成电路。霍尔传感器可分为线性型和开关型两种:线性型霍尔传感器的输出电压与外磁场强度呈线性关系;开关型霍尔传感器的输出在外磁场作用下呈开关状态。
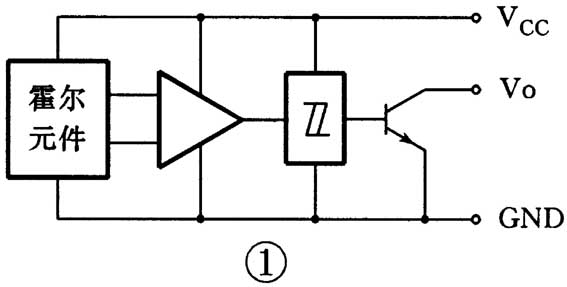
开关型霍尔传感器的内部原理如图1所示,包括霍尔元件、差分放大器、施密特触发器、集电极开路输出晶体管等部分。其输出有两种形式:图2(a)为NPN管输出;图2(b)为PNP管输出。霍尔传感器的主要参数有:① 工作电源电压;② 输出极最大耐压;③ 输出极最大电流;④ 灵敏度(导通磁感应强度);⑤ 工作频率;⑥ 工作温度。HST系列霍尔传感器主要参数见下表:



霍尔传感器体积小、重量轻、灵敏度高、频率范围宽、开关特性好、使用寿命长,广泛应用在测量、自动控制、信息处理等领域。选用霍尔传感器时应注意,电源电压应在参数范围内,负载电阻的阻值应保证输出电流不超过输出极最大电流。
(莫恩)@
江西 娄永平:对于无商标的扬声器,如何鉴别其功率等参数?
一般来说,只能简单估测,扬声器的口径越大,其功率越大。两只相同阻抗的扬声器,分别接于一固定输出电平的音频信号源(800Hz左右)时,声音较小的扬声器的标称功率较大。扬声器的标称阻抗为其音圈直流电阻的1.3~1.5倍。
(莫恩)@
贵州 林飞:请介绍压敏电阻的作用和用途,如何识别其符号和特性?
压敏电阻器是利用半导体材料的非线性特性原理工作的,当施加于压敏电阻器上的电压达到临界值时,其阻值急剧变小,电流急剧增大,从而将电压限制在规定值。压敏电阻器具有无极性、短时大电流特性好(通流量可达几千安培)、响应速度快(在50ns以内)、价格便宜等优点,主要用于过压保护、浪涌电压抑制等,在家用电器、办公自动化设备、通信设备、汽车电器等领域得到广泛应用。
压敏电阻器的文字符号是RV,型号命名方法如下:

例如:MYD05K390,表示其为压敏电压39V,误差±10%,瓷片直径5mm的通用型压敏电阻器。使用时应根据需要选择合适的压敏电阻器。
(文江)@
云南 伊云:压电陶瓷蜂鸣片加装助声腔作扬声器时,怎样确定其阻抗和功率?怎样使其声响效果最佳?
压电陶瓷蜂鸣片由压电陶瓷片与金属基板粘合而成,当对其加上音频电压时,基于压电效应而发声。压电蜂鸣片呈电容性质,电容量在3000pF~0.03μF范围;工作频率300Hz~5kHz,在2kHz附近有一谐振峰。压电蜂鸣片的音频功率很小,使用时常加装助声腔以提高音量。由于压电蜂鸣片呈容性,不能直接接入直流电路工作,因此,当使用压电蜂鸣片作发声器件时,必须为电路另设直流通路。由于压电蜂鸣片的频率特性较差,低音频较少,很少作扬声器用,主要用于钟表、玩具、门铃、仪器仪表、报警器等。
(文江)@
云南 伊云:电池的容量是什么意思?怎样选用电池?
容量是电池的一项重要技术指标,反映了电池储存电能的多少,通常用放电电流与放电时间的乘积表示,其单位为mAh(毫安时)或Ah(安时)。例如:某电池的容量为500mAh,可理解为用50mA电流放电能用10小时;某蓄电池的容量为12Ah,可理解为用3A电流放电能用4小时。电池的主要技术指标还有额定电压、最大放电电流等。额定电压一般直接标注在电池上。容量和最大放电电流等技术指标可查资料,一般来讲,碱性电池的容量大于同体积的普通电池,同类电池体积大的容量大。选用电池时应注意以下几点:①额定电压符合电路要求;②最大放电电流大于电路工作电流;③在体积、重量许可的前提下,尽量选用容量大的电池,这样可使用较长时间。
(门宏)