便携式电子产品要求尺寸小、重量轻,但其中电池占用的空间却相对较大,重量也较重。为了减少电池的数量,往往采用升压式DC/DC变换器作稳压电源。近年来,各大半导体器件生产厂家为满足这种要求开发出不少封装尺寸小、外围元器件少、静态电流小、转换效率高,并且有关闭电源控制端的升压式DC/DC变换器,既满足了便携式电子产品对尺寸、重量的要求,也延长了电池的使用寿命。
本文介绍一种既能输出5V固定电压,又可以外设两个电阻组成5.2~12V可调输出的升压式DC/DC变换电路。该电路的主要器件是型号为S43650的升压式DC/DC控制器。
S43650简介
S43650是S436XX系列中最常用的一种(另一种是S43612,输出固定电压12V)。该器件的主要特点是:用CMOS工艺制造,静态电流极小,典型值为5
μA;有关闭电源控制,在关状态时耗电小于0.2μA;启动电压低,空载时仅0.9V即可启动;贴片式SOT-89封装,尺寸小。另外,它可根据需要输出电流的大小选择合适的开关管,应用较为灵活。
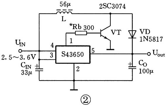
5V固定输出的应用电路
利用S43650组成5V固定输出的电路如图2及图3所示。两图的差别仅仅是图2中采用双极型三极管作开关管,而图3中则采用了N沟道功率MOSFET作开关管,其他部分基本相同。


1. 工作原理
图3的电路可以简化成图4(a)。上电后,控制器向外接MOSFET栅极输出脉冲,如图4(d)所示。在t1期间,开关管VT导通;在t2期间,开关管VT截止。开关管导通时的电路如图4(c)所示:电池的正极经电感L、开关管(相当于开关闭合)VT,回到电池的负极,形成闭合回路,产生电流I\(_{L}\),于是在电感中储存了磁场能量。开关管截止时,电路如图4(b)所示:电池的电压(E)与电感L上的感应电势U\(_{L}\)叠加,经二极管VD,并向输出电容C\(_{O}\)充电,则C\(_{O}\)两端的电压比电池电压要高(输出电压V\(_{OUT}\)就是C\(_{O}\)上的电压)。另外,V\(_{OUT}\)电压反馈到控制器,若负载电流或输入电压(电池电压)有变化,引起输出电压波动时,它的内部通过改变输出脉冲的宽度或脉冲的频率,使输出电压基本不变(或变化较小),达到稳压的目的。

在电感L上的感应电势U\(_{L}\)为:
U\(_{L}\)=Ldi/dt
由于开关管的工作频率较高,在电感上的感应电势峰值会比输入电压高很多,这样有可能使输出电压V\(_{OUT}\)比电池电压(输入电压)高几倍。
2. 电路实验
按图3的电路进行了实验。为了方便地实现输入电压变化对输出电流的影响。实验时采用0~30V可调直流稳压电源来代替电池。(输入电压为2.5V~
3.6V),允差在4%之内,其结果如下V\(_{IN}\)=3.6V时,I\(_{O}\)可超过400mA;V\(_{IN}\)=3.0V时,I\(_{O}\)可达350mA;V\(_{IN}\)=2.5V时,I\(_{O}\)可达300mA;V\(_{IN}\)=2.0V时,输出仍可达150mA。
实验还得出如下结果:在输入电压不变及输出电压精度不变的条件下,输出电容C\(_{O}\)容量用得大一些,允许输出的电流也大一些。例如,C\(_{O}\)=33μF时,输出电流小于200mA;C\(_{O}\)=100μF时,输出电流可大于400mA。
按效率η=[(V\(_{OUT}\)×I\(_{OUT}\))/(V\(_{IN}\)×I\(_{IN}\)]×100%计算,实验电路的效率为65%~70%。
3. 元器件选择
(1) 开关管的选择
开关管通过的电流I\(_{L}\)与时间t的关系如图5所示。其峰值电流I\(_{pk}\)与输出电流I\(_{O}\)相差较大。在占空比为60%时,I\(_{pk}\)=(4~5)I\(_{O}\),所以在选择开关管时要注意这一点:三极管的I\(_{CM}\)≥5I\(_{O}\);场效应管的I\(_{D}\)≥5I\(_{O}\)。
为提高转换效率,减少在开关管上的损耗,三极管应选取饱和管压降小的管子(即V\(_{CE(sat)}\)小);场效应管应选取导通电阻R\(_{DS}\)小的管子;管子的截止频率要高于开关管的工作频率。
图2、3中的开关管为2SC3074及IRF110,其基本参数为:2SC3074的耐压50V;I\(_{CM}\)5A;V\(_{CE(sat)}\)0.4V。IRF110的V\(_{BR(DSS)}\)=60V;R\(_{DS(ON)}\)=60Ω;I\(_{D}\)=2A。它们的引脚排列如图6所示。
(2) 电感L的选择
电感L的大小与输出电流有关,可以根据要求输出的电流作适当的调整(输出电流大,电感值小一些)。新选择的电感应保证在I\(_{pk}\)值时不饱和。另外,应采用直流电阻小的电感(直流电阻小于0.1Ω)。可选用“工”字形磁芯的电感,电感的磁芯要满足50kHz的工作频率。
电感值有标准值,如22μH、33μH、47μH、56μH、68μH、100μH等,尽可能选用标准值的电感。采用贴片式电感可缩小升压式电源尺寸。
(3) 输出电容C\(_{O}\)的选择
输出电容C\(_{O}\)一般取47~100μF,其耐压应高于输出电压。并且要选择等效串联电阻(ESR)小的电容。一般普通的铝电解电容的ESR值较高,钽电解电容的ESR较小,有机半导体铝固体电解电容及多层陶瓷电容则最小。采用一个低ESR电容并联也可有效地降低ESR。
ESR与输出纹波电压V\(_{rip(p}\)-p)有关,输出纹波电压与ESR的关系为:
V\(_{rip(p}\)-p)=I\(_{pk}\)[(1/8f\(_{c}\)×CO)\(^{2}\)+(ESR)\(^{2}\)]\(\frac{^{1}}{2}\)
式中I\(_{pk}\)为电感中的峰值电流;f\(_{c}\)为振荡器工作频率;C\(_{O}\)为输出电容。
由上式可以看出,增加输出电容容量对减少纹波电压也有好处。
(4) 二极管的选择
为减少在二极管上的损耗,应采用肖特基二极管(V\(_{F}\)≈0.3V),开关速度优于50ns;其反向电压应大于V\(_{OUT}\)+V\(_{F}\),其额定电流应大于I\(_{pk}\)。
(金名)


