雷达式自动控制器是利用雷达式探测电路模块TWH9250制作而成,探测最远距离可达5m以上,且具有穿透能力,可广泛用于灯光、广告变换、警戒报警及自动门等场合,电路简单、制作容易、工作可靠、实用性强。
TWH9250模块特点
TWH9250模块外形及引脚如图1所示。体积同火柴盒大小,其内是以微电脑芯片作程控处理,工作稳定、灵敏度高、可靠性强,工作电压在9~12V。

1. 探测灵敏度高,当物体移动距环形天线5m左右时,控制器即被可靠地触发工作。因模块内部采用微波管作扫描发射、微电脑芯片作数字化控制。
2. TWH9250被触发后,被控电路即工作,直至物体停止移动或走出探测范围后10s,模块方自动复位,被控电路停止工作。
3. TWH9250的内部设有光控电路,通过外接的光敏元件,则控制器白天自动关闭,而夜晚则自动进入工作状态。
TWH9250模块的各引脚功能如下:
引脚V+ :正电源端(9~12V)
引脚R:光控端,与地端间外接光敏元件
引脚O:信号输出端,模块被触发后输出低电平,可直接驱动400Ω继电器
引脚⊥:负电源端(地)
引脚W、W:灵敏度控制端,外接510kΩ可调电阻,可改变探测灵敏度。探测距离2~7m,其远近应根据实际需要调定,以防干扰产生误动作
引脚Y1、Y2:开口环形天线端,用φ0.8~2mm的单芯铜线或漆包线,弯成直径8~10cm开口式圆形,开口处的平行引线不应超过10mm。
TWH9250模块可采用直流(电池)供电,亦可采用交流降压整流、滤波及稳压供电。电源接通后,环形天线既向外发射微波信号,同时又接收物体反射回来的回波。当有人体移动时,其低频信号经模块内部比较放大后触发开关电路,使模块的O端呈低电平,接通被控电路电源,被控电路工作。
调试时,雷达式探测模块TWH9250组成的自动控制器接通电源后,模块的O端呈低电平时间保持40s,是通电后电路的初次预稳定状态。当此状态结束后,被控电路会连续动作3次,然后自动控制器即进入正常探测工作状态。此间若有人进入探测范围内活动,自动控制器即被触发,被控电路工作,直至人离开后10s方自动复位。
雷达式实用自控电路举例
用雷达式探测模块TWH9250组成的实用自控电路列举如下,读者可举一反三进行多方面开拓。
1. 声、光报警
雷达式声、光报警自控电路,如图2所示。当有人侵入探测范围内,灯光点亮的同时发出报警声。

2. 电子狗
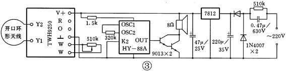
雷达式电子狗自控电路,如图3所示。有人入侵探测区域,即发出狗叫声。HY-88A(见图4)为音效集成电路,软封装,可模拟产生狗、牛、马蹄声、布谷鸟等8种动物叫声,读者可依其需要选择。


当将环形天线置于室内的门窗处,夜间有人靠近门窗5m左右,即警声大作,灯光点亮,使窃贼无法接近住室。
若雷达式自动控制器需白天、夜晚均工作时,模块的R端应悬空,不能外接光敏元件。
(杨国治)