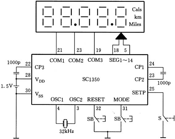
计步器专用集成电路SC1350
SC1350是一片采用CMOS技术的专用于计步器的集成电路。它备有LCD驱动端子,可显示总里程数(千米/英里可切换)以及在该过程中所消耗的热量(卡路里)。SC1350是由振荡电路、走步步数/千米英里/卡路里计数电路、倍压电压以及LCD显示驱动电路组成。
SC1350的走步计数电路应用见附图。它的走步计数开与关取决于一个小弹簧开关的启或闭。这个弹簧开关的启或闭与步行者走步运动时身体的上下运动有关。单步计数输出,可通过计算走步开关闭合的总次数,芯片内将此计数值转换成千米/英里/卡路里的数据。

SC1350可自动区分散步或慢跑,并进行相应的计算,按下RESET键,LED输出处于全显示,在该状态下,走步计数器在0.5秒内复位,并从0开始计数,直到步行者停止走步。在步行者停止走步后,按下MODE键,可按以下顺序显示:走步步数→英里数→千米数→卡路里数。@
双输出高级线性光电耦合器SLC800
应用领域:
数字电话的信号隔离、医疗传感器电路的信号隔离、音频信号接口、代替调制解调器的变压器等。
主要特点:
它有一个LED与两个很好匹配的光控晶体管;在伺服系统中,一路作为输出,另一路作为伺服反馈;有极好的线性度;可传输模拟信号及数字信号;功耗低;带宽宽;输入、输出有极高绝缘性能;输入、输出电容低,适合高频信号传输。
封装形式:
8管脚DIP封装或SO封装。
生产厂商:
Solid State Optronics公司(www.ssousa.com)。@
大电流、单刀单掷CMOS模拟开关MAX4655~4658
应用领域:
替代继电器、测试设备、通信系统、XDSL、调制解调器、PBX及PABX系统、音频系统、PC多媒体板。
主要特点:
连续电流大(MAX4655/4656为300mA,MAX4657/4658为150mA);峰值电流高(MAX4655/4656为400mA,MAX4657/4658为300mA);在±15V供电时最大导通电阻为10Ω;RON的平坦度小于1Ω,输入、输出信号可接近电源电压范围;可单电源+12V工作或双电源±15V工作,其引脚与DG417、DG418兼容,工作温度范围为-40℃~+85℃。
封装形式:
8引脚μMAX或SO封装。
生产厂商:
MAXIM公司(www maxim-ic.com.cn)。@
小尺寸4组D/A变换器MAX5105/5106
应用领域:
数字增益及失调电压调整;可编程衰减器;便携式仪器;功率放大器的偏置控制端等。
主要特点:
在芯片上的EEPROM储存着DAC的状态;上电复位时,所有寄存器到预存的状态;单电源2.7~5.5V;4个8位DAC具有独立的高与低的基准输入(MAX5105);输入范围从地到VDD;有输出接近电源电压的缓冲器;工作电流低,典型值为1mA;有关闭控制,在关闭状态时耗电最大为10μA;SPI、QSPI及MICROWIRE兼容串行接口;非同步静噪输入;工作温度范围宽(-40℃~+85℃)。
封装形式:
20引脚QSOP(MAX5105)及16引脚QSOP(MAX5106)封装。
生产厂商:
MAXIM公司(www.maxim-ic.com.cn)。@
线性电流检测集成电路IR2172
应用领域:
该器件设计用于电机驱动电路,检测电流的大小,以PWM信号输出。
主要特点:
悬浮通道(floating channel)电压可达600V;通过检测电阻作线性电流反馈信号;直接输出PWM数字信号,容易接口;IQBS低(典型值为1mA);过流电流阈值信号延迟典型值1.5μs;为IGBT防止短路状态有输入过压保护;开漏输出。
封装形式:
8管脚DIP或SO封装及16管脚宽体SO封装。
生产厂商:
IR(国际整流器)公司(www.irf.com)。@
双对数变化的数字电位器MAX5408/5409
应用领域:
伺服音量控制;衰减及平衡立体声信号;代替机械式电位器。
主要优点:
在每两个抽头间以2dB的对数变化;每个滑臂有32个位置;电源电压范围2.7~3.6V;工作电流低,典型值为1μA;固定的10kΩ电阻值;三线SPI兼容串行数据接口;上电复位:滑臂回到最大的衰减位置;工作温度范围-40℃~+85℃。
封装形式:
16引脚QSOP、QFN封装(尺寸4mm×4mm)。
生产厂商:
MAXIM公司(www.maxim-ic.com.cn)。
欢迎刊登新器件信息!
欢迎索取英文资料!
联系电话:
010-67134095-18