EL34电子管在音响发烧友中的知名度很高。在《高保真音响》2000年4月刊登的“最常用的100种电子管”排名中,EL34高居榜首。国内外的著名电子管机生产厂家,有不少用EL34制作的电子管机名品。但是从功率输出级的电路形式来看,几乎都毫无例外地是推挽放大。原因是EL34的最大屏极耗散功率仅为25W,当采用单管甲类放大时,如果按五极管或者超线性接法,最大不失真输出功率不超过十一二瓦,若是接成三极管,则只有6W左右。而采用推挽放大电路,就可以轻而易举地将输出功率做到三四十瓦以上。可见,在输出功率方面,推挽电子管机比单端电子管机大得多,但就音质和音色来说,单端机优于推挽机。笔者制作过的单端电子管机不少,有300B、2A3(6C4C)、EL34、FU-15、FU-50、FD-422、FU-7、6P3P、6N18P、6C33C-B等等,也有好多发烧好友光临寒舍进行对比试听过。若要从音质价格比来衡量,那么EL34无疑是最超值的。因为EL34的价格较低,差不多只有300B的1/10,况且,此管仅国内生产的就有曙光、北京、桂光等几种牌号,另外国外俄罗斯等国也在生产,选择余地很大。本文介绍的这台EL34单端甲类功放,采用三极管接法,最大不失真输出功率有6W,介于2A3(4W)和300B(8W)之间,用来推动雨后初晴(HARBETH)LS3/5A和用黑花岗岩制作的MOREL MW166+DT32“魔雷”音箱,音色通透柔和,而且简单易制。
一、 电路原理与特点
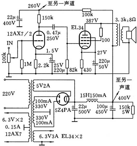
整个电路采用两级放大(见附图),特点是不用负反馈。推动级采用半只12AX7,输出级采用一只EL34。将EL34接成三极管以后,内阻有700kΩ之多,大约与300B和2A3相当,最佳负载阻抗范围为2~4kΩ,负载阻抗大些则失真小,但输出功率也小。负载阻抗小些则失真大,但可以输出较大的功率。本机将EL34(T)的交流负载阻抗选为3.3kΩ,使输出功率和失真二者兼顾。若从其输出特性曲线来看,EL34在三极管接法时虽然比五极管接法内阻小得多,线性也好得多,但线性仍然比不上直热式名电子管2A3和300B。如果不采用局部或者大环负反馈,其失真还是比较大的,但这种失真主要是偶次谐波失真。如何在不用负反馈的条件下减小这种失真呢?办法还是有的,这可以通过合理地选择推动管以及它的静态工作点、负载电阻来解决。本机采用高放大系数的著名电子管12AX7来作EL34的推动管。推动级和输出级的电路形式均为共阴极放大,这种放大电路的输出信号与输入信号的相位相反,这样当推动管的电流增加时,输出管的电流就减小;推动管的电流减小时,输出管的电流就增加。因为三极管在小电流时的输出特性曲线是弯曲的,不是直线,所以会产生非线性失真。但是,这两级放大管所产生的失真是方向相反的,所以可以相互抵消一部分。假如推动级一点失真也没有,则输出级所产生的非线性失真将全部出现在负载扬声器上。但如果适当选择推动管的工作点和交流负载电阻,故意使这一级产生的失真程度与输出级的失真大致相当,就可以利用它们的抵消作用使负载扬声器上的失真大大减小。

本机中推动级12AX7的静态工作电流设计为0.7mA左右,使之位于输出特性曲线的弯曲部分,这一级的交流负载电阻是其屏极电阻(150kΩ)和下一级栅极电阻(82kΩ)的并联值,约为53kΩ。在这种情况下,用示波器观察输出波形可以看到,当因为输入信号过大而产生过载失真时,正弦波的顶部是很圆滑地变钝,这就意味着本功放在过载时非线性失真的增加速度是比较缓慢的,使本功放虽然输出功率不大,但是听感甚佳。
本机的输出级电路与推动级一样均采用自给偏压方式,这种电路比较简单,并且对输出管有一定的保护作用,EL34的静态工作点如下:屏阴极间电压Ua=360V,屏极电流Ia=63mA,栅极负偏压Ug=-27V,静态屏极耗散功率Pao=360×0.063=22.6(W),小于其屏极最大耗散功率25W,比较安全。
电源部分采用电子管5Z4PA做全波整流,滤波电路为CLC式π型滤波,这种滤波方式的残留纹波形状近似于正弦波,不影响听感。整流管采用旁热式的5Z4PA,而不用直热式的5Z2P或5Z3P。因为直热管的灯丝热得特别快,不等EL34的灯丝热起来,直流高压就加到屏极和阴极之间了,这样长久下去会影响功率管的使用寿命。即使是采用了5Z4PA的情况下,其阴极还是比EL34热得快些,但毕竟时间差大大缩短了。请不要小看这一点,有许多采用晶体二极管整流的电子管机,使用不到一两年电子管就严重老化,阴极发射能力大大降低,而一些使用电子管整流的收音机,用上十几年仍不减当年。
二、 元器件的选择与制作
前级放大管可以用12AX7(ECC83)、6N4等双三极管,也可以每声道使用一只6AT6或6G2,这是早年在电子管收音机中作检波和低放用的二极三极复合管,其中三极部分的特性与半只12AX7相同。输出管EL34也叫6CA7,前苏联的老型号叫
6Π27C。现在有许多牌号的产品可供选择,它们的基本结构相同,音色略有差别。笔者使用的是我国长沙的曙光牌。整流管采用国产的5Z4PA,相当于前苏联型号5II4M,最大平均整流电流为140mA。
输出变压器的素质决定了整机性能的优劣,所以是成功的关键所在。由于本机没有使用负反馈,故输出变压器的频响几乎就决定了整机的频响。那么,怎样简单判断一个输出变压器的频响如何呢?我们知道,决定变压器频响的主要因素是它的初级电感和漏感,对于一个好的输出变压器,二者之比应该在1000以上。笔者用DL6243数字电容电感表测量过欧博的300B输出变压器,它的初级电感约为11H,漏感仅10.6mH。具体测量方法是:先用20H挡测初级线圈的电感,记下它的数值。然后用一根短的导线将次级线圈短路,在20mH或200mH挡读出漏感的数值,二者之比越大越好,一般大于600时就基本满足要求了。除此以外,还要注意变压器铁芯的气隙和初级线圈的直流电阻。气隙太小时虽然电感量会大一些,但容易产生磁饱和。初级和次级线圈直流电阻太大时则效率降低。如果经济条件允许,可以买正规电子管机厂家的产品。笔者这台功放的输出变压器就是自制的,采用从旧仪器上拆下来的变压器铁芯,舌宽为25.4mm(1英寸),迭厚40mm,初级线圈用直径为0.23mm的高强度漆包线绕2400匝,次级用0.8mm的漆包线绕126匝(负载为8Ω时)。铁芯单方向插,留
.15mm的空气隙。绕制时,将初级分为5段,次级分为4段,间隔放置。测量结果如下:初级电感8.84H,初级线圈直流电阻约180Ω,漏感14mH。最后一定要烘干浸漆才能使用。
滤波用的低频扼流圈也是自制的,采用国产KEI20铁芯,迭厚36mm。用直径为0.31mm的漆包线平绕4000匝,铁芯单向插,留有0.38mm的空气隙。测得电感量为15H,直流电阻约130kΩ,也要烘干浸漆,否则用时会产生交流哼声。
电源变压器制作数据如下:铁芯舌宽35mm,叠厚45mm。220V初级线圈用直径为0.44mm的高强度漆包线绕880匝。次级:每个330V绕组用0.21mm的漆包线绕1320匝。6.3V绕组匝数为27匝,3A绕组用直径为1.2mm的线,0.15A绕组用0.21mm的线。5V2A绕组用1.0mm的漆包线绕21匝。铁芯交叉插,不留气隙。最后一道工序也是烘干浸漆。
三、调整与测试
调整应该从电源部分开始,首先检查电源直流高压是否为400V,注意不要超过此值,否则EL34屏极功耗会加大,超过其极限参数25W时,屏极会发红,严重影响使用寿命。还要注意不要随意加大整流管5Z4PA阴极上的滤波电容(22
μF)的数值,当它的容量太大时会缩短整流管的寿命。如果400V电压过高,可以将此电容减小。采用自给偏压方式的放大电路调整比较简单,只要检查两只管子的阴极和屏极电压,如果与图中所标明的数值相差不大,则不必去理会它。
本功放实测技术指标如下:
最大不失真输出功率:6.3W(8Ω,1kHz)
频率响应:28Hz~17kHz(-1dB,1W);16Hz~28kHz(-1dB,1W);
电压放大倍数:14(电压增益23dB)
灵敏度:0.5V
残留噪声:不大于1mV。
(安玉景)