永真80ASE是广州永真音响技术有限公司生产的一款平价优质合并式甲类功放。整机由前置放大器、末前置放大器、末级功放、电源电路及保护电路等组成。
前置放大器
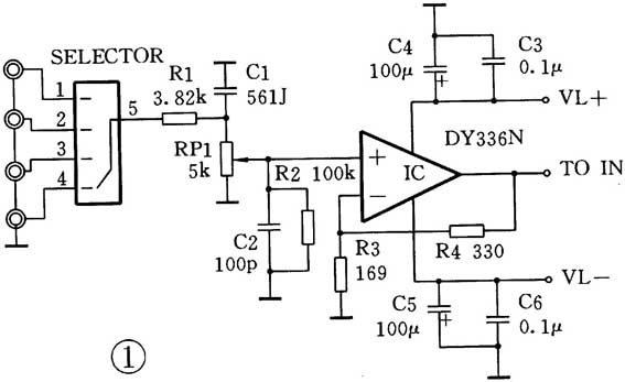
图1为前置放大器电路,包含音源选择器、音量电位器、低噪声3倍放大电路。该级为独立的放大部分,并未引入末前置放大器的反馈信号,因此增益设计较低,可防止增益过大造成工作不稳定,并且由于取消了大环路负反馈,因此电路的瞬态响应较好,相位失真较低。前置放大器的核心采用了低噪声高速率双运放DY336N。

末前置放大器及末级功放输出级
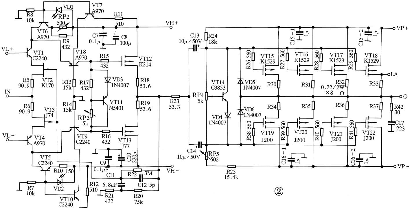
图2为末前置放大器电路及末级功放电路。VT8、VT9为全对称共基极对地推挽主放大电路,其配对误差小于3%,这种类型的电路,具有很强的抗电源干扰能力。VT1、VT4为输入级,VT2、VT3为它们的射极电流源,用于提高输入阻抗,降低对前级的影响。VT8、VT9及VT1、VT4均采用共基极放大电路,频响宽、线性优良。电路中,VT6、VT5为VT1、VT4的有源负载,VT7、VT10为VT8、VT9的基极恒流源偏置电路,它们对电路的稳定性,保证信号的线性与信噪比均有重要意义。VT12、VT13为对称的场效应管源极输出级,可提供一定的功率输出,便于轻松推动功放末级。末前置放大器设有局部负反馈电路,可有效降低本级失真并拓宽频响。VT14、VT15~VT22组成末级无负反馈功放电路。这是一种无电压增益的电流输出级,采用4对东芝公司的2SK1529/2SJ200并联输出,输出功率在纯甲类时为2×30W,甲乙类时达2×80W。每对管子仅分摊到7.5W的功率(纯甲类),大大降低了工作电流并极大地改善了线性,有利于降低温升并提高工作可靠性。

电源电路
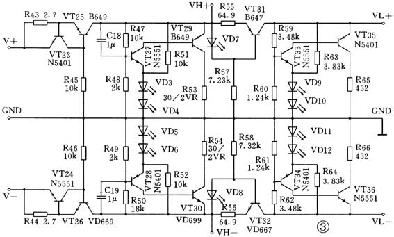
图3为前置及末前置放大器的电源稳压电路。其中,VH+/VH-供应末前置放大器用电,VL+/VL-提供前置放大器用电,它们都采用并联式稳压电路,具有瞬态响应佳、内阻低的突出优点,是Hi-Fi及Hi-END中常用的供电方式。尤其是VL+/VL-,由于经过二次并联稳压,其电压稳定度及瞬态响应更好。

图4为末级功放电源电路。双42V交流电压经桥式整流、滤波后获得的V+/V-直流电压作为前置及末前置放大器稳压电源的供应源,滤波电容的容量达6000μF。双28V交流电压则经12只3A/400V(每3只并联使用)的二极管桥式整流,再经高达80000μF总容量的进口电解电容滤波,获得VP+/VP-供末级功放使用。
图5为扬声器保护电路。采用日产μPC1237专用集成电路,从R33(见图2)上提取末级工作电流,经转换成电压后,由保护电路进行识别,一旦发生输出短路、过电流、中点电压偏移过大等故障时,即控制继电器K1断开扬声器通路,避免扬声器受损。该保护电路还具有开关机时自动延时静噪的功能。
主要性能指标
输出功率:2×80W(甲类,8Ω),
2×160W(甲乙类,4Ω)
频率响应:20Hz~20kHz±0.5dB
信噪比:≥90dB
总谐波失真:≤0.05%
阻尼系数:≥300
(周兴华)