为了在中小学中普及现代电子技术知识,激发同学们对电子技术的探索兴趣,培养有创造精神的科技后备人才,笔者在辅导学生进行电子制作时,总结出了一种创新教育法,收到了很好的效果。本文以图1所示的电子门铃电路为例,介绍这种方法的应用。

在一般情况下,学生按照辅导老师提供的电路图和套件,经过测试元器件、焊接组装和调试,电子门铃能够发声,就算制作成功了。在各式电子门铃已经广泛普及和应用的今天,制作出来的发音单调的电子门铃会因派不上用场而束之高阁,往往会挫伤初学者学习电子技术的积极性。
笔者在辅导门铃制作时,首先让同学们了解,门铃的核心部分是发声电路,在发声电路的电源线上串联一只控制电路通断的按钮SB,就成了电子门铃。再启发大家,利用发声电路可以制作出多种多样、不同用途的电子作品。例如,把门铃电路中的按钮SB换成日光灯启辉器中的双金属片开关,就成了图2所示的高温报警器。当温度升高到一定程度时,双金属片(动触片)受热变形,与静触片接触,将发声电路与电源接通,发出报警声。当场进行实验演示,使学生思路大开。这时,我给同学们出题:以发声电路为核心,开辟新的不同功能的电路。

数天后,学生们带来了各自的作品。有同学用常闭型磁控开关代替图1中的SB,构成防盗报警器(图3)。当门或窗打开时,磁铁远离干簧管,使常闭触点闭合而报警。告诉学生,我们由电子门铃类推出高温报警器、防盗报警器,这是一种典型的“联想思维法”,它是创造性思维中应用最普遍的一种方法。

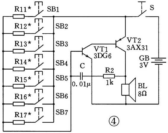
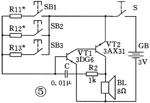
有同学用七只阻值各不相同的电阻分别串联七只琴键开关,并联后代替发声电路中的R1(图4)。分别按下七只琴键开关,可奏出七个音阶,构成简单电子琴。另二位同学立即出示了他们制作的简易电子琴,只有三只电阻分别串联三个按钮开关,并联后代替R1(图5),并告诉大家,利用组合方式,三按钮分别按下,两两同时按下,三键同时按下,仍可得到七个音阶。现场演示,只是音阶不太准。笔者在称赞他们构思巧妙时,也告诉大家,能使用较少的电子元件达到相同的效果,这是电子制作中努力追求的方向,但设计难度可能增大。当同学们了解了发声电路的音调(频率)主要由R1和C的乘积决定时,提议改变C,或R1和C同时改变,制作十二音阶电子琴。


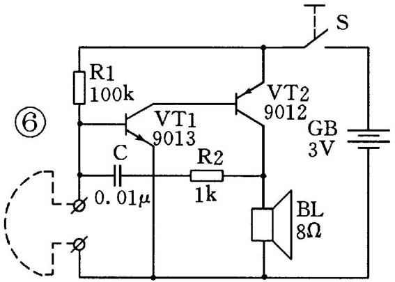
还有一同学说,他只是在发声电路的基础上,增加一段细金属丝,便构成了断线报警器,可用于贵重苗木或物品保护。现场演示时,细金属丝一断,就发声不止。在场同学都很惊讶:一般都是接通电路时发声,哪会断路报警?在同学们的再三追问下,这位同学说,老师讲过,只有在晶体三极管的e、b两极间加上一定的正向电压时,三极管才有可能导通。反之,要让已经导通的三极管截止,需要撤去e、b间的正向电压。我用细金属丝短接VT1的e、b极,电路停振,不发声。反之,细金属丝断,电路恢复振荡发声。笔者告诉学生,这位同学提供了一种新的思维方法—逆向思维法,也是创造性思维的重要方法之一,运用得当,可以收到意想不到的效果。我给大家讲述美国发明家爱迪生怎样应用逆向思维法发明留声机的。当时,一位国际著名的女高音歌唱家为祝贺爱迪生发明电灯的功绩,在爱迪生的工作室即兴为他演唱歌曲。唱歌时,爱迪生发现纸张和桌面都振动起来。他想,既然声音能使物体振动,那么物体振动肯定也能还原出声音。据此,他后来发明了留声机。提醒学生,为了降低断线报警器戒备状态的耗电量,该电路可以适当增大R1的阻值,把VT1、VT2换成互补管9013和9012(图6)。

后来同学们又有了更多的作品。他们说,电子技术能为我所用,不再那么神秘了,眼界也宽多了。许多同学发现了自己过去未曾发现的“潜能”,表示今后要制作更多更好的电子作品。
(肖体成)