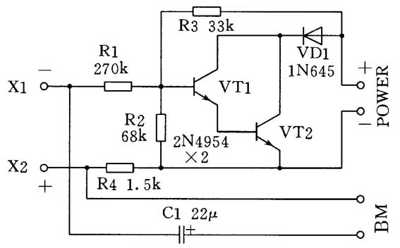
电路如附图所示,它可以利用磁带录音机作为一个完整的电话通话自动记录设备,而且不用外部电源。电路极为简单,且不需要调试。
POWER接录音机电源遥控插孔(即电源开关两端);BM接录音机话筒输入插孔;X1、X2端为电话线;VT1、VT2构成复合开关管。当电话处于挂机状态时,X1、X2两端有48V(或60V)直流馈电电压,经R1、R2、R4分压后,使VT1基极有足够的负电压,VT1、VT2将处于截止状态,录音机电源未接通而不工作。当摘机拨打电话或接听电话时,X1、X2两端电压跌落至5~8V,VT1基极失去使其截止的负电压,VT1、VT2导通,相当于接通录音机电源,于是录音机被启动并开始录音。
(瞿贵荣)
