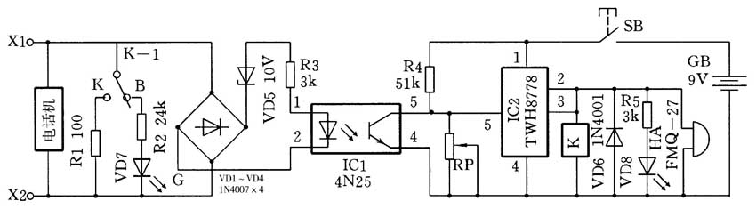
本文介绍一种结构简单、造价低廉、安全可靠、实用方便的电话线路防盗电路,如附图所示。它与电话机一起并接在电话线X1、X2两端。VD1~VD4构成的桥式整流器作为极性保护电路,因此在将本电路接入电话线路中时,无须分辨电话线馈电电压的极性,给安装带来很大的方便。在电话处于挂机状态时,电话线上有48V或60V(视交换机不同而异)的直流馈电电压,经VD1~VD4整流、R3限流,使稳压二极管VD5(10V)被“击穿”,光耦合器IC1(4N25)处于导通状态,直流电子开关IC2(TWH8778)⑤脚低于开通阈值电压,电子开关处于关断状态,其②、③脚无电压输出,K1不动作,VD8不亮,蜂鸣器HA无声。此时继电器触点K1-1接通B端(常闭),断开K(常开)端,VD7燃亮发出绿光(G),指示电路处于监视状态。
一旦有人在电话线上并机盗打电话时,只要盗用电话摘机,电话线上的馈电电压会立刻跌落至8~9V,稳压管VD5无法再维持原有的“击穿”状态。光耦合器IC1截止,IC2⑤脚电压上升至导通阈值1.6V以上,将电子开关IC2的①脚与②、③脚接通,电子蜂鸣器HA发出报警声,VD8发出红光(R)指示警情。同时继电器触点K1-1断开B端,VD7熄灭;接通K端,将R1并接在电话线上,将电话线电压强行下拉至3V以下,使盗机电话无法使用。
SB是一个微型常开按钮开关,固定在听筒的适当位置上。挂机时SB被按压接通电源,电路处于监视状态;当主人自己使用电话并摘机时,SB断开,此时IC1左边电路虽与盗机时基本相同,但因SB已切断IC2电源,继电器K1仍处于释放状态,故不影响电话机的正常使用。
HA选用自带音源的电子蜂鸣器,如FMQ-27、FMQ-35等。摘机时用手按住SB使其闭合,并调整RP使IC2⑤脚电压略大于触发电压(1.6V)即可。将装好的线路板固定在电话机内的空位上,再在合适的位置打孔固定SB、VD7、VD8后,电路即可投入使用。
(瞿贵荣)
