功能简介
MC9481/9482是一对专为玩具汽车电路设计的数字编译码器,它们的技术参数基本相同:工作电压为2.4~12V,极限电源电压为-0.3~13V;静态电流(停振)典型值为2μA,最大为5μA;空载电流为0.8mA,最大为1mA;输入电压为VSS-0.3V~VDD+0.3V;工作温度为0~70℃;储存温度为-50~125℃。MC9481的输出电流为5mA,最小为2mA。MC9482高电平输出电流为20mA,最小为10mA;低电平吸收电流为40mA,最小为30mA。
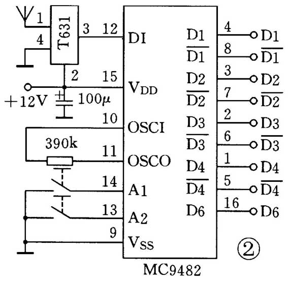
MC9481是编码电路,A1、A2为地址输入端,可选择00~11共4种不同地址,内有上拉电阻,开路时输入为1。只有在编、译码器地址完全相同时,数据传输才有效。D1~D6为数据输入端,内有上拉电阻,开路时输入为1,因此只有输入0时才能进行有效控制。OSCI、OSCO为振荡输入、输出端,外接振荡电阻,典型阻值为390kΩ。D0为编码信号输出端,仅当D1~D6有低电平输入时才有输出信号。D0以串行脉冲方式输出,每次(帧)输出16个数据:先是8个低电平同步数据位,然后是A1、A2、D1~D6共8个信息数据位。LED是编码有效指示输出端,当编码有效且D0输出串行数据时,LED由1跳变为0,输出一负脉冲,驱动外接LED管闪亮一下,作为编码成功标志。
MC9482为译码器,D1是译码信号输入端。振荡端OSCI、OSCO外接电阻应与编码器同值。A1、A2地址选择亦应与编码地址相同。D1~D4和~提供4组互补输出,其编译码关系列于表1、表2。表中0表示低电平,1表示高电平,Z表示高阻状态,表示脉冲占空比为50%。当MC9481的D5=0时,MC9482的D4=1(占空比为100%),为加速前进状态。D6为独立的输出控制端,其输出电平状态刚好与编码器MC9481的D6输入状态相反,可作其它控制,如鸣笛、开炮、闪光等。
应用实例
编码发射电路见图1,解调译码电路见图2。MC9481和MC9482的外接振荡电阻(390kΩ)及A1、A2地址编码开关设置应完全相同。当按动编码器D1~D6外接控制开关时,DO端串行输出编码信息,对T630载波信号调制后,通过天线向外发射,同时LED闪亮一下,作为发送指示。

T630/T631是一对长波串行数据无线遥控模块,工作电压范围宽,为1.5~20V,工作电流T630为0.4~6mA,T631为1.75~22mA,在无信号发送时均处于微功耗休眠状态。载波频率为150kHz长波段,发射功率为毫瓦级,有效控制距离为20(不加天线)~80m。长波没有方向性,能穿透建筑物、机箱及人体阻隔,它不会干扰其它电器,也不会被其它电路干扰。T630/T631无任何外接元件,使用极为方便,并且不需要对载频进行调试,大大方便了用户设计。当然,也可根据手头具有的器件情况,选用其它串行数据无线收、发模块(或组件)。
MC9482译码输出信号用来控制玩具汽车,也可控制玩具坦克、飞机及船舰模型或其它电子设备。图3为左右转弯电路,当按动MC9481控制开关使D1=0时,MC9482的D1=1,=0,VT1、VT4(分别使用9012、9013)导通,转向电机M1(亦可使用转向电磁铁)正转,汽车左转弯;当MC9481的D2=0时,MC9482的D2=1,=0,VT2、VT3导通,M1反转,汽车右转弯。图4是前进、后退控制电路,M2为驱动电机。与图3的原理基本相同,即MC9481的D3=0时汽车后退,D4=0时汽车前进,而D5=0时,M2可获得100%功率,使汽车加速前进(详见表1、表2)。D6可单独控制其它电路。


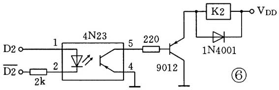
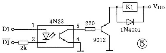
控制原理如图5~图8所示。当MC9481的D1=0时,MC9482的D1=1,=0,光耦合器4N23导通,K1吸合,通过中间继电器K3控制三相交流电机M正转;当MC9481的D2=0时,继电器K2、K4吸合,由于三相交流电的相序被改变,所以M反转。从而完成一个交流电机的正、反转控制。



工厂用的吊车一般都能进行上、下、左、右、前、后动作,即有三个交流电机,这样就需要3套图5~图8电路。若控制端口不够时,可用数对MC9481/MC9482并起来补足。方法也很简单,如图9所示,只需使每对编、译码器的A1、A2不同即可。

(瞿贵荣)

