热释电红外传感器以其抗干扰性好、探测灵敏度高、工作温度范围宽等优点被广泛应用于防盗报警、自动门、感应灯、自动水阀等工业和生产领域。S9803是专为热释电红外传感器配套设计的集成电路,采用CMOS工艺制造,具有性能指标高、一致性好、外围电路简单、安装调试方便等优点,是目前同类产品中功能较为齐全的器件。
S9803的突出特点是:(1)灵敏度高,内置两级增益可调运放电路及温度补偿电路,这种电路能抑制如热气团流所产生的红外干扰,误报率低,探测距离达10m以上。(2)控制时间可调。(3)输出可驱动晶闸管或继电器。(4)内置稳压3.1V,可直接驱动PIP。(5)外接CDS传感器,白天抑制输出。(6)工作电压4.0~5.5V,工作电流1mA。(7)对于交流供电的控制电路设计有过零检测控制,使被控负载的接通与断开均处于交流电的过零点,这不仅可以减弱对负载的电流冲击,同时也消除了开关器件对电源的干扰,降低对电源的污染。
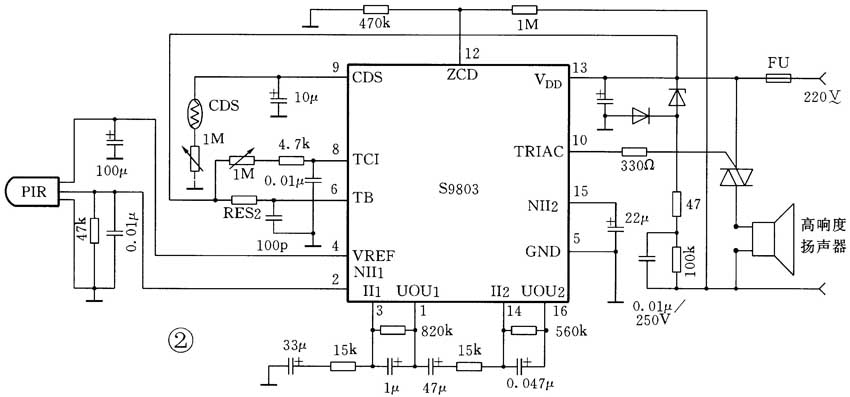
S9803热释电红外控制集成电路是由振荡器、计数器、PIP检测、信号放大、系统时钟、过零检测、温度补偿、输出控制等电路组成。S9803采用标准的DIP 16脚塑封,其引脚排列见图1,各引脚功能如下:①脚为运放输出1;②脚为运放正输入1;③脚为运放负输入1;④脚为参考电压;⑤脚为地;⑥脚为系统时钟;⑦脚为测试;⑧脚为定时时钟;⑨脚为CDS检测;⑩脚为输出驱动晶闸管;为输出驱动继电器;为过零检测;为电源 ;放负输入2;为运放正输入2;为运放输出2。

S9803的电参数见附表。

S9803的典型应用见图2、图3。图2是S9803驱动晶闸管电路;图3是S9803驱动继电器电路。其原理是:接通电源后,电路即处于开机延时阶段,PIR、传感头加电预热45s,延时结束,电路进入自动检测状态。如果有人进入探测区,人体红外线被PIR传感器探测到,输出幅度约1mV、频率在3~7Hz的微弱信号,此信号经一组高频滤波和阻抗匹配网络,馈入控制电路输入端,微弱信号由IC内部的一系列电路处理,最后驱动晶闸管或继电器,达到人体自动控制式防盗报警目的。

S9803与同类电路相比,体积小,探测灵敏度高,有效探测距离可达5~15m,耗电仅为300μA。
S9803的光控器可使电路在一定光照下才有传感动作,而在足够亮度时闭锁输出,以实现只有在夜晚才工作的功能。S9803的⑥脚所接R、C决定IC内部时钟f=(1±20%)/1·1RC。TR1AC触发时间宽度为2/f。⑧脚所接R·C决定IC内部定时器的周期,调节R、C可调整输出控制的时间长短。
由于S9803是一种性能优良、外围元件少、扩展应用极强的产品,适用于企业、宾馆、商场、库房的安全系统或自动灯光系统。
(宋战校)