S1A0903X01是一种带有锁相环路(PLL)的调幅/调频(AM/FM)调谐器专用器体。它采用44脚QFP或48脚LQFP封装,其技术性能符合新的FCC规范。
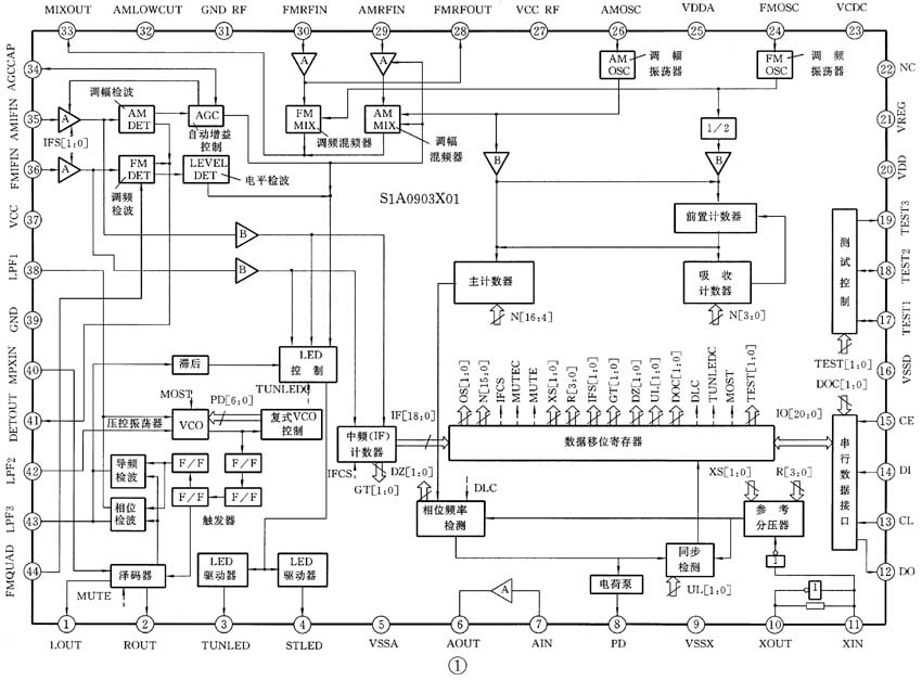
S1A0903X01主要由调幅、调频、多路(信号)复用(MPX)、数字调谐系统(DTS)和微处理器接口等单元电路组成。其中,调幅电路包含射频(RF)混频器(MIX)、振荡器(OSC)、中频(IF)放大器(AMP)、检波器(DET)、自动增益控制(AGC)电路、调谐LED驱动器、振荡器和中频缓冲器。调频电路则主要由射频放大器、射频混频器、振荡器、中频放大器、正交检波器、调谐LED驱动器、振荡器缓冲器和中频缓冲器。芯片上其它单元电路主要有PLL、立体声译码器、复式压控振荡器(MPX VCO)、LED控制/驱动器、AM/FM可编程分配器、AM/FM中频计数器、数据移位寄存器、串行数据接口及测试控制电路等。图1示出了S1A0903X01的内部结构框图及引脚符号。

S1A0903X01适合在2~7V的电源电压下工作,工作温度范围为-20℃~70℃,最大功耗1800mW。IC有12个参考频率(1、3、3.125、5、6.25、9、10、12.5、15、25、50和100kHz)可以选择,石英晶体振荡器可以选择的频率有4个,即75kHz、3.6MHz、7.2MHz和
10.8MHz。在脉冲吸收(Swallow)技术条件下,AM/FM可编程除法器频率范围分别为10~160MHz和2~40MHz。当采用直接分频技术时,AM可编程除法器频率范围从0.5MHz到10MHz。AM/FM中频计数器频率为0.4~12MHz。AM/FM中频信噪比(S/N)典型值分别是42dB和65dB。
S1A0903X01调谐器IC的典型应用电路如图2所示。
在图2所示的应用电路中,电源电压(2~7V)从施加。AM与FM天线射频(RF)信号分别输入到和,为FM射频输出。和外接电感(L1、T1)、可调电容(10pF、20pF)和变容二极管(VD1、VD4)等分别组成FM和AM振荡器,外接1μF的AGC电容,、和与地之间连接的电容(0.1μF、3.3μF和0.33μF),均为相位检波器和VCO的低通滤波器(LPF)元件。为AM/FM混频器输出,AM和FM中频信号分别经压电陶瓷滤波器B1(450kHz)、B2(10.7MHz)滤波后输入到和。与地之间连接的B3(10.7MHz),是FM正交检波谐振器。①、②脚分别是左、右声道输出。③、④脚外部分别连接调谐LED,⑥脚和⑦脚内部晶体管与外部元件组成PLL有源LPF。⑩、连接的石英晶体振荡器,工作频率为7.2MHz。外部连接微处理器,和分别为调整(稳压)电压的输入和输出。外部2.2μF的电容,用作抑制VCC纹波。
S1A0903X01在fosc=108.7MHz下,本机振荡电压为40~110mV,AM和FM中频信噪比典型值分别是42dB和65dB。
(毛兴武 )